Diagram Database

Posted by on 2020-12-30

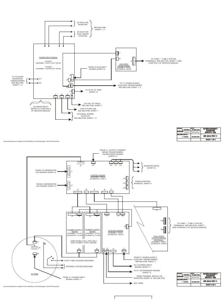
X Ray Generator Circuit Diagram

CETNIEWO2017.VILOGDANSK.EU

X Ray Generator Circuit Diagram

  • Circuit Diagram
  • Date : December 30, 2020
  • Downloaded : 6969 times

X Ray Generator Circuit Diagram Whats New

Ray Generator

Downloads X Ray Generator Circuit Diagram ray generation kill ray generation shader ray generation kill actor ray alternators roy generator repairs inc raymond generation raymond generation cab raymond generations 2008 raymond generations 2010 raymond generations 2012 raymond generations 2014 raymond generations 2016 raymond generations 2013 raymond generations 2015 raymond generations chardonnay raymond generations 2013 wine raymond generations 2015 rating raymond generations cabernet 2008 raymond generations cabernet 2016 raymond generations 2015 chardonnay raymond generations cabernet sauvignon raymond generations 2013 cabernet sauvignon raymond generations cabernet sauvignon 2015

  • To See Within Making Medical X

  • Block Diagram Of A Characteristic X

  • X Ray Generator Circuit

  • 2 Computer Controlled Bremsstrahlung X

  • High Voltage Generator Circuit Diagram

  • X Ray Generator Circuits

  • Patent Us7305065

  • Patent Us4654770

  • Schematic Overview Of The X

  • Bmi Brg-100rf X-ray

  • X Ray Tube Circuit Diagram

  • X Ray Generators

  • X

  • Patent Us4322797

  • Patent Ep0147723a2

  • Patent Us4654770

  • X Ray Circuit Schematic

  • Production Of X

  • Diagnosticx

  • Patente Ep0137401a2

  • July 2014

  • Homelite Ps907000s 7 000 Watt Generator Mfg No 090930276

  • Generac Gp7500e Wiring Diagram Download

  • Updating The Electrical Panel To Fix A Ground Fault

  • Simple Function Generator

  • Simple High Voltage Generator Circuit

  • Schematic Diagram Of High Voltage Generator Circuit

  • Ac Electrical Wiring Diagrams Generator

  • Generac 11kw Wiring Diagram Gallery

  • Westerbeke Generator Wiring To Remote Start

  • Single Supply Function Generator Circuit Diagram

  • Regulation

  • X Ray Generator Circuits

  • Circuit Diagrams U2013 Page 2 U2013 Circuit Wiring Diagrams

  • Ac Electrical Wiring Diagrams Generator

  • Radiology Devices - Books

  • Ac Electrical Wiring Diagrams Generator

  • 12 Signal Generator Using Arduino And Ad9850

  • Block Diagram Of Function Generator Pdf

  • Generac Gp7500e Wiring Diagram Download

  • Circuit Diagram Maker U2013 Linear Stepper Motor

  • Wiring Diagram Kohler Generator

  • 21 Images X Ray Circuit Diagram Labeled

  • Xrd Glass X-ray Tube Dismantled - Physics Museum

  • Simple Schematic Diagram Faraday Generator

  • Vire 7 Starter Generator Circuit Diagrams

  • 12 Volt Generator Wiring Diagram Download

  • A Cyberphysics Page

  • Voltage Regulator Diagram

  • Yamaha Generator Wiring Diagram

  • Function Generator Using Xr2206 59175

  • Wind Sound Generator Circuit Diagram

Copyright © 2020 - CETNIEWO2017.VILOGDANSK.EU


1937 Comments