Diagram Database

Posted by on 2020-12-30

Wiring Diagrams For 60 Hp Mercury 2002

CETNIEWO2017.VILOGDANSK.EU

Wiring Diagrams For 60 Hp Mercury 2002

  • Mercury 2002
  • Date : December 30, 2020
  • Downloaded : 6810 times

Wiring Diagrams For 60 Hp Mercury 2002 Whats New

Diagrams For 60 Hp

Downloads Wiring Diagrams For 60 Hp Mercury 2002 diagram for 40 hp electric trim unit diagram for 10 hp tecumseh engine

  • I Have A 2002 Mercury Outboard 60 Hp 4

  • Mercury 60 Efi Wiring Diagram

  • Mercury 15 Hp 2 Stroke Carburetor Diagram At Manuals Library

  • Mercury Marine 60 Hp Efi 4 Cylinder 4

  • Mercury Marine 60 Hp Efi 4 Cylinder 4

  • Approx 1995 3 Cyl 60 Hp 2 Stroke Mercury Sometimes

  • I Have A 1996 60 Hp Mercury Where Is The Voltage

  • 60 Hp Mercury Big Foot Engine Does Not Start What Do I Do

  • Marine Parts Plus Mercury Serial 60 4

  • Mercury Marine 60 Hp Efi 4 Cylinder 4

  • Reinell Boat Wiring Diagram

  • Mercury Marine 60 Hp 3 Cyl Gear Hsg Prop Shaft

  • 1985 Mercury 140 Alternator Wiring Diagram

  • Mercury Outboard Parts Drawing 40 N 1 To 24

  • Mercury Marine 60 Hp 4

  • I Have A 1987 Mercury 6 Cyl Outboard With Tilt And Trim

  • Mercury Marine 60 Hp 3 Cylinder Attenuator Plate Parts

  • Mercury Outboard Wiring Diagram Gallery

  • Mercury Marine 60 Hp 3 Cylinder Starter Assembly Manual

  • Mercury Outboard Wiring Diagram

  • 90

  • Mercury Outboard Wiring Diagram Ignition Switch

  • I Have 1974 65 Hp Mercury Motor That Sparks Sometimes And

  • Mercury Marine 50 Hp Efi 4 Cylinder 4

  • Mercury Marine 90 Hp Efi 4

  • Download 2002

  • Mercury Mariner 2 5

  • Download 2002

  • Mariner 60 Hp 3 Cylinder Flywheel U0026 Stator Electric Parts

  • Trouble Starting 1971 Mercury Outboard Mercury 650

  • Fuel Pump For Mercury Outboard 60hp 60 Hp 4

  • 1973 Mercury 20 Hp Thunderbolt Ignition Wiring Diagram

  • 50 Hp Mercury Outboard Wiring Diagram Collection

  • 2002 Mercury 60hp Elpto 60 Hp 50 Outboard Motor 60elpto 40

  • Mercury Outboard 40 50 60 75 90 115 225efi 4 Stroke Oem

  • Mercury Carburetor Assembly 2001

  • 2002 Mercury 60 Hp 2 Stroke 20 U0026quot Long Shaft T U0026 T Outboard

  • Johnson Carburetor Parts For 2002 15hp J15te4snf Outboard

  • 2005 Mercury Marine 40 50 60 4 Stroke Wiring Diagram

  • Mercury Mercury U0026 Mariner Outboard Parts By Hp U0026 Liter

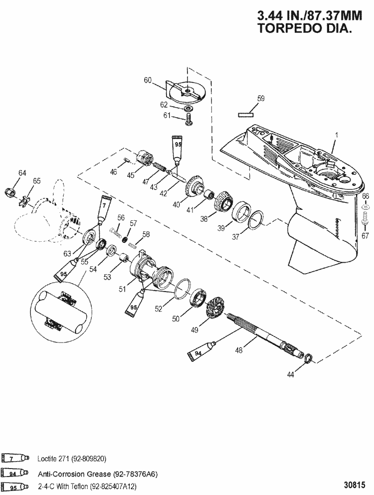
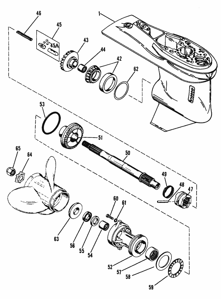
  • Gear Housing Driveshaft

  • Mercury Marine 60 Hp 3 Cylinder Manual Tilt Components Parts

  • Johnson Lower Unit Group Parts For 1968 6hp Cdl

Copyright © 2020 - CETNIEWO2017.VILOGDANSK.EU


1937 Comments