Diagram Database

Posted by on 2020-12-30

Wiring Diagram Toyota Kijang 5k

CETNIEWO2017.VILOGDANSK.EU

Wiring Diagram Toyota Kijang 5k

  • Kijang 5k
  • Date : December 30, 2020
  • Downloaded : 7133 times

Wiring Diagram Toyota Kijang 5k Whats New

Diagram Toyota

Downloads Wiring Diagram Toyota Kijang 5k diagram toyota body parts diagram toyota transfer cases diagram toyota production system diagram toyota camry 2000 emission diagram toyota a43d automatic transmission diagram toyota rav4 2015

  • Wiring Diagram Toyota Kijang 5k

  • Wiring Diagram Toyota Kijang 5k

  • Wiring Diagram Kijang Super

  • Wiring Diagram Toyota Kijang 5k

  • Diagram Kelistrikan Kijang 5k Pdf

  • Diagram Kelistrikan Kijang 5k Pdf Download

  • Gambar Wering Diagram Sistem Penerangan Sepeda Motor Honda

  • Wiring Diagram Toyota Kijang 5k

  • Wiring Diagram Toyota Kijang Super

  • Diagram Kelistrikan Kijang 5k Pdf

  • Toyota Kijang Cyber Community Skema Relay Koil U0026 Relay Stater

  • Kabel Body Kijang 5k

  • Wiring Diagram Toyota Kijang Super

  • Wiring Diagram Toyota Kijang 7k Efi

  • Wiring Diagram Toyota Kijang Super

  • Toyota Kijang Cyber Community Toyota 7k Engine Repair Manual

  • Indoauto Bandung Wiring Diagram

  • Wiring Diagram Toyota Kijang Super

  • Wiring Diagram Toyota Kijang Database

  • Wiring Diagram Kijang Lgx

  • Wiring Diagram Kijang Lgx

  • Pully Ac Kijang 5k Di Lapak Andi342

  • Wheel Cylinder

  • 65 Manual Book Kijang 5k

  • Wiring Diagram Toyota Kijang 7k Efi

  • Toyotum Wiring Harnes

  • 5k Engine Toyota Kijang Super 1991 Mesin 5k

  • Jual Cdi Platina Kijang 5k Asli - Jakarta Pusat

  • Toyota Kijang Grand Extra 1996 Sold Out

  • Jual Balljoint Ball Joint Toyota Kijang 5k 7k Bawah

  • Jual Regulator Cash Ketout Ket Out Altenator Toyota Kijang

  • Jual Engine Mounting Dudukan Mesin Kijang 5k 7k Kanan

  • Wiring Diagram Toyota Kijang 7k Efi

  • Sejarah Toyota Kijang Dari Generasi Ke Generasi

  • Download Buku Manual Pedoman Reparasi Toyota Mesin Seri K

  • Jual Alat Peraga Sekolah Carburator Kalburator Toyota

  • Kabel Body Kijang Super

  • Turn Signal Switch U0026 Combination Switch

  • Cdi Only Kijang 5k Di Lapak Hampalang Motor

  • Wiring Diagram Sistem Kelistrikan

  • Penggantian Rotor Custom Dan Stel Pengapian Toyota Kijang

  • Rangkaian Lampu Tanda Belok Dan Lampu Hazard U2013 Otomotif Mobil

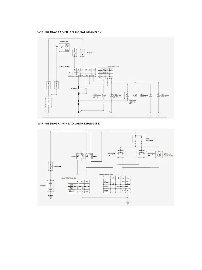
  • Wiring Diagram Turn Signal Kijang 5k

  • Media Belajar Bagian

  • Automotive Turn Signal Switch For Toyota Kijang 5k

  • Jual Paking Packing Set Gasket Kit Engine Toyota

  • Jual Carbu Toyota Kijang 5k Merk Aisan Di Lapak Dreams

  • Diagram Kelistrikan Kijang 5k Pdf

  • Jual Carburator Kijang Super 5k - Kota Bandung

  • Jual Handle Pintu Luar Kijang 5k Kijang Kapsul Kanan

  • Jual Carbu Toyota Kijang 5k Merk Aisan Di Lapak Dreams

  • Kumpulan 59 Modifikasi Mesin Mobil Kijang 5k Terkeren

  • Cdi Only Kijang 5k 7k

  • Top Timing Engine Kijang 5k 7k

  • Wiring Diagram Kijang Lgx

  • Transmisi Manual Mobil Toyota Kijang 5k

  • Idler Idle Arm Toyota Kijang Grand Super 5k Kf40 Si2690

Copyright © 2020 - CETNIEWO2017.VILOGDANSK.EU


1937 Comments