Diagram Database

Posted by on 2020-12-30

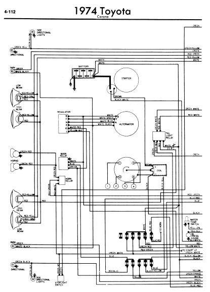
Wiring Diagram Toyota Corona

CETNIEWO2017.VILOGDANSK.EU

Wiring Diagram Toyota Corona

  • Toyota Corona
  • Date : December 30, 2020
  • Downloaded : 7485 times

Wiring Diagram Toyota Corona Whats New

Diagram

Downloads Wiring Diagram Toyota Corona diagram diagram definition diagramming sentences diagram of heart diagram of the eye diagram of vagina diagrams.net diagrams online diagram of an atom diagram maker diagrama diagram designer diagram of ear diagram of human organs diagram of a microscope diagram of digestive system diagram of a volcano diagram of photosynthesis cycle diagram of a cell diagram of knee anatomy diagram of organs in body diagram of the brain

  • Toyota Corona Service Manuals

  • Toyota Corona 1968

  • Toyota Corona 1982 Wiring Diagrams

  • Repair

  • Toyota Corona 1975 Wiring Diagrams

  • Repair

  • Toyota Corona 1965

  • Repair

  • Toyota Corona 1979 Wiring Diagrams

  • Toyota Corona Wiring Diagrams

  • Toyota Corona Wiring Diagrams

  • Repair

  • Toyota Corona Valve

  • Toyota Corona Manual

  • Repair

  • Do You Have A Vacuum Hose Information Diagram For A Toyota

  • 1972 Toyota Corona Mark Ii 72 Wiring Diagram

  • Toyota Corona Carina E Repair Manual Order U0026 Download

  • Toyota Corona Wiring Diagrams

  • Repair Guides

  • Toyota Corona St170 Wiring Diagram

  • Toyota Corona Spark Plug

  • Toyota Corona Gasket Brake Master Cylinder

  • Toyota Corona Cover Fuse Box Opening Black

  • Toyota Corona St170 Wiring Diagram

  • Toyota Corona Wiring Diagrams

  • Toyota Corona Bearing

  • Toyota Corona St170 Wiring Diagram

  • Toyota Corona Fan Sub-assembly Heater Blower

  • Toyota Corona Moulding Radiator Grille Lower Interior

  • 1981 Toyota Corona Insulator Air Cleaner Bracket

  • Toyota Corona Shaft Assembly Shaft Sub

  • Toyota Corona Bolt Hexagon For Steering Knuckle To Shock

  • Toyota Corona Nut For Backing Plate To Rear Axle Housing

  • Toyota Corona Valve Assembly Vacuum Check For Brake

  • Toyota Corona Socket U0026 Wire Socket Sub

  • Toyota Carina E Electrical Wiring Diagram Pdf

  • Repair

  • Toyota Corona Ring Shaft Snap For Transmission Clutch

  • Toyota Corona Drum Sub

  • Toyota Corona Bolt Bulb

  • Toyota Corona 1974 Wiring Diagrams

  • Toyota Corona Clutch Slave Cylinder Concentric Slave

  • Vnx Su Electrical Wiring Diagrams Toyota Carina E

  • Toyota Corona Panel Sub

  • Toyota Corona Clutch Pilot Bearing Front Bearing For

  • Toyota Corona Pin Straight For Manual Transmission Case

  • Vacuum Piping For 1983

  • Toyota Corona Manual

  • Repair

  • Toyota Corona Distributor Ignition Pickup Generator

Copyright © 2020 - CETNIEWO2017.VILOGDANSK.EU


1937 Comments