Diagram Database

Posted by on 2020-12-30

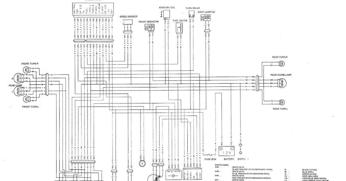
Wiring Diagram Satria Fu Lama

CETNIEWO2017.VILOGDANSK.EU

Wiring Diagram Satria Fu Lama

  • Fu Lama
  • Date : December 30, 2020
  • Downloaded : 7121 times

Wiring Diagram Satria Fu Lama Whats New

Diagram Satria

Downloads Wiring Diagram Satria Fu Lama diagram strategy diagram stratovolcano diagram strat 5 way switch diagram satisfactory refined plates diagram santiago airport diagram sacral plexus diagram satellite dish diagram central dogma diagram starting diagram stress diagram a transverse wave diagram central nervous system diagram central air conditioning diagram street templates diagram statistik diagram star delta diagram starbucks macchiato diagram sacrum diagram sample diagram sailboat diagram samsung diagram sagittal diagram samsung s8 diagram starter solenoid for lawn tractor

  • Aamidis Blogspot Com Wiring Diagram Satria Fu Lama

  • Wiring Diagram Speedometer Satria Fu

  • Jual Striping Satria Fu

  • Striping Satria Fu Thailand Cbu 2005 Sticker Satria Fu

  • Wiring Diagram Speedometer Satria Fu

  • Diagram Kelistrikan Satria Fu 150

  • Trik Gampang Tukeran Cdi Standar New Satria Fu Vs Fu Lama

  • Wiring Diagram Satria Fu U2013 Site Title

  • 108 Modif Speedometer Vixion Lama

  • Diagram Atau Jalur Kelistrikan Stater Pada Motor Satria Fu

  • Wiring Diagram Speedometer Satria Fu Injeksi U2013 Blog Garasi

  • Daftar Harga Motor Suzuki Satria Fu Baru Dan Bekas

  • Wiring Diagram Spido Satria Fu Fi

  • Diagram Wiring Diagram Kelistrikan Satria Fu Full

  • Stiker Striping Satria Fu Tahun 2013

  • Wiring Diagram Speedometer Satria Fu U2013 Child Blog Garasi

  • Wiring Diagram Satria Fu Images 9

  • Satria Injeksi Jari-jari Pake Knlpot Fu Lama

  • Wiring Diagram Speedometer Satria Fu Injeksi U2013 Blog Garasi

  • Koleksi Modifikasi Satria Fu Injeksi Sederhana Tapi Keren

  • Modifikasi Vixion Hitam Orange

  • Wiring Diagram Satria Fu

  • Perbedaan Satria Fu 150 Baru Dengan Versi Lama Gaya Baru

  • 33 Trend Modif Motor Satria Lama Terbaru

  • Coba Diliat Satria Fu Versi Yoshimura

  • Ini Dia Modif Satria F 150 Warna Putih Ala Aciz Gulaly

  • Jual Batok Headlamp Satria F150 Fu Biru Old Lama Full Set

  • 33 Trend Modif Motor Satria Lama Terbaru

  • Parts Catalogue Suzuki Satria Fu 150 Versi Under 2008

  • Kalo Emang Bener Satria Fu Tenaga Dikebiri Brati Suzuki

  • 93 Foto Modifikasi Satria Fu Ceper

  • Modifikasi Striping Satria Fu 150 Fi 2016

  • Jual Velg Sepaket Motor Ninja R Ninja Rr Vixion Lama

  • Jok Karbon Satria Fu - Silver

  • Jual Batok Satria F150 Biru Headlamp Lampu Depan Kepala Fu

  • Ivan Anak Balap Review Pwk28 Sudco Di Satria Fu

  • Wiring Diagram Speedometer Satria Fu U2013 Child Blog Garasi

  • Wiring Diagram Spido Satria Fu Fi

  • Harga Motor Satria Fu 2013 Terbaru

  • 5 Perbedaan Desain New Suzuki Satria Fu 2013 Vs Fu Lama

  • Jual Sticker Decal Custom Satria Fu Lama Bahan A Class

  • Wiring Diagram Kelistrikan Satria Fu

  • Modifikasi Motor Satria Fu Lama

  • Satria Fu Foostep Belakang Silver

  • Satria Fu Foostep Belakang Silver

  • Populer 65 Jenis Warna Skotlet

  • Wiring Diagram Satria Fu

  • Diagram Wiring Diagram Kelistrikan Satria Fu Full

  • 20 Gambar Modifikasi New Suzuki Satria F 150 Terbaru 2014

  • Parts Catalogue Suzuki Satria Fu 150 Versi Under 2008

  • Parts Catalogue Suzuki Satria Fu 150 Versi Under 2008

  • Varian Warna Baru Suzuki Satria Fu 2019 Aura Yellow Keren

Copyright © 2020 - CETNIEWO2017.VILOGDANSK.EU


1937 Comments