Diagram Database

Posted by on 2020-12-30

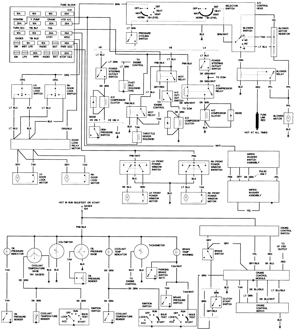
Wiring Diagram Of 1984 Firebird

CETNIEWO2017.VILOGDANSK.EU

Wiring Diagram Of 1984 Firebird

  • 1984 Firebird
  • Date : December 30, 2020
  • Downloaded : 6664 times

Wiring Diagram Of 1984 Firebird Whats New

Diagram Of

Downloads Wiring Diagram Of 1984 Firebird diagram of the eye diagram of heart diagram of vagina diagram of knee anatomy diagram of digestive system diagram of ear diagram of a volcano diagram of photosynthesis cycle diagram of the body diagram of an atom diagram of human body diagram of the brain diagram of a cell diagram of spine diagram of organs in body diagram of earth's layers diagram of the sun diagram of a star diagram of human organs diagram of body organs

  • Pontiac Firebird 5 0 1984

  • Dl Auto U00ae Pontiac Firebird 1984

  • What Emission Components Cam On A 1984 Trans Am

  • 1984 Trans Am Headlight Relay Information

  • 1984 E4me Carburetor And Smog Air Injection Wiring Help

  • 84 Trans Am Headlights Won U0026 39 T Open

  • Repair Guides

  • Camaro Firebird Keyless Entry Fbody Wiring

  • Repair Guides

  • 1984 E4me Carburetor And Smog Air Injection Wiring Help

  • Repair Guides

  • Repair Guides

  • 1984 Chevy Truck Electrical Wiring Diagram And Chevy Truck

  • Pontiac Fiero Wiring Diagram

  • Uq7 Amp Wiring

  • 83 Side Skirt U0026 Lip Mounting Diagrams

  • Tpi Engine Harness Why Is Nothing Simple

  • 83 Side Skirt U0026 Lip Mounting Diagrams

  • Need An 84 Fuse Box Comparison

  • Need An 84 Fuse Box Comparison

  • I Have A 1995 Firebird Formula Lt1 Auto With 140k I Have

  • 1983 Trans Am C100 Diagram And Instrument Panel Pinouts

  • 1982 6 Firebird Headlight Actuator Relay Spdt

  • 1984 Pontiac Trans Am Wiring Diagram

  • 1979

  • Service Engine Light Got The Code How Do I Find The

  • Interior Lighting Fuse Block

  • 92 Pontiac Firebird Fuse Box

  • 1978 All Makes All Models Parts

  • 1998 Bmw M3 3 2l Mfi Dohc 6cyl

  • 1967 All Makes All Models Parts

  • 1970 All Makes All Models Parts

  • Camaro Parts

  • 1972 Pontiac Firebird Parts

  • 1982

  • 1983 Trans Am C100 Diagram And Instrument Panel Pinouts

  • Restoring The Stock Temp Gauge

  • Camaro Interior Lights Fuse

  • Who Else Has An 83 2 8l 2bbl Pontiac Firebird Or Camaro

  • Wiring Diagrams For 84 T A

  • Repair Guides

  • Ebrake Cable Diagram

  • Pontiac Firebird Steering Column Bearing Snap Ring Lower

  • Camaro Firebird C100 Firewall Plug Fuse Box

  • Pontiac Firebird Cover Retainer Retainer Front 1982

  • Pontiac Firebird Steering Wheel 1990

  • 83 Firebird Headlight Wiring Diagram

  • Anyone Have A C207 And C100 Diagram For 1984 Trans Am

  • Pontiac Firebird Engine Intake Manifold Gasket Upper

  • My Car Is A 1982 T

  • Repair Guides

  • Name This Relay Please

Copyright © 2020 - CETNIEWO2017.VILOGDANSK.EU


1937 Comments