Diagram Database

Posted by on 2020-12-30

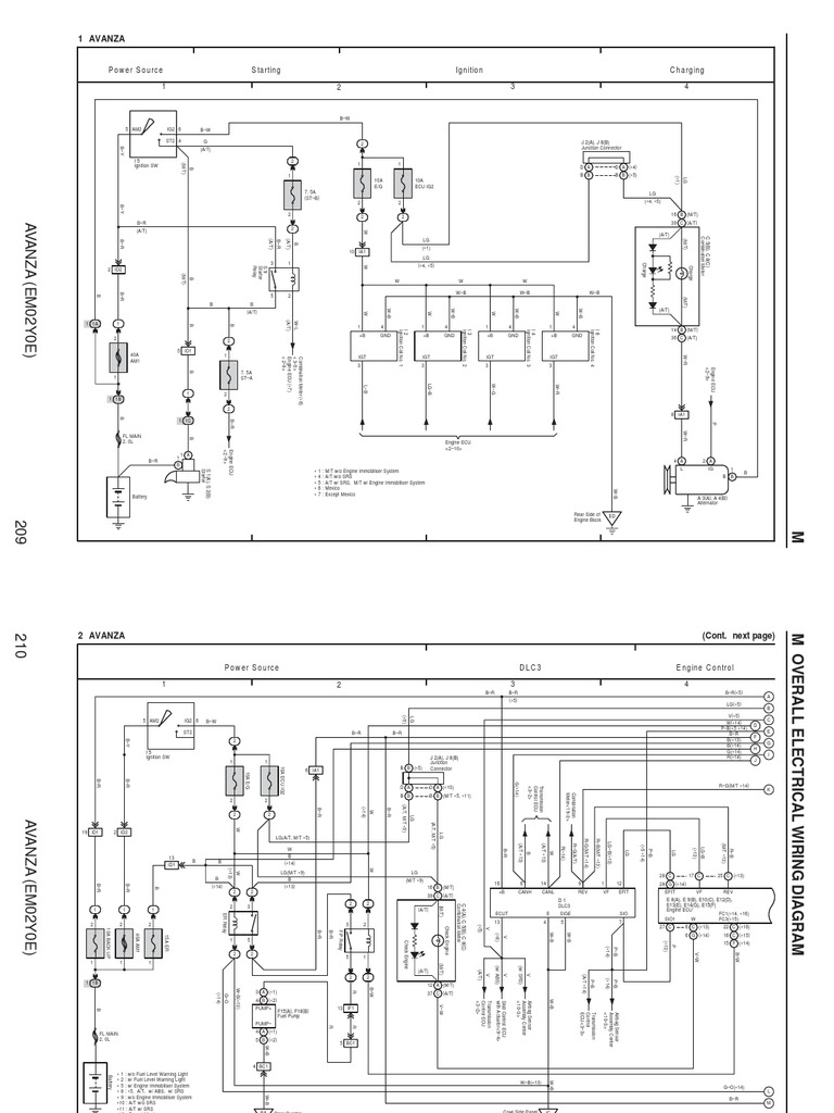
Wiring Diagram Isc Avanza

CETNIEWO2017.VILOGDANSK.EU

Wiring Diagram Isc Avanza

  • Isc Avanza
  • Date : December 30, 2020
  • Downloaded : 6047 times

Wiring Diagram Isc Avanza Whats New

Diagram

Downloads Wiring Diagram Isc Avanza diagram diagram definition diagramming sentences diagram of heart diagram of the eye diagram of vagina diagrams.net diagrams online diagram of an atom diagram maker diagrama diagram designer diagram of ear diagram of human organs diagram of a microscope diagram of digestive system diagram of a volcano diagram of photosynthesis cycle diagram of a cell diagram of knee anatomy diagram of organs in body diagram of the brain

  • Ipt Assessment Isc Diagram

  • Isc Diagrams

  • Steph 2010

  • Jual Actuator Isc Idle Speed Control Avanza Xenia Gran

  • Marielle Yr 12 Ipt

  • Wiring Diagram Avanza Car

  • New Electrical Wiring Diagram Toyota Avanza Diagram

  • Unique Wiring Diagram Avanza Pdf

  • Wiring Diagram Isc Avanza

  • Repair Guides

  • Wiring Diagram Isc Avanza

  • Cummins Engines Isc Isce Qcs8 3 Isl Qsl9 Pdf

  • Wiring Diagram Isc Avanza

  • Jual Isc Idle Speed Control Toyota Avanza Di Lapak Jimmy

  • Cara Bersihkan Throttle Isc Avanza

  • Katup Isc Mobil Avanza Apa Fungsinya

  • Test Isc Ecu Ecm Avanza Setelah Service

  • Mesin

  • Avanza

  • Jual Beli Actuator Isc Idle Speed Control Avanza Xenia

  • Cara Reset Rpm Avanza Tinggi Setelah Ganti Isc U2013 Otomotif

  • Jual Actuator Isc Idle Speed Control Avanza Xenia Gran

  • Jual Actuator Isc Idle Speed Control Avanza Xenia Allnew

  • Cm 850 Isc Wiring Diagram

  • Jual Isc Idle Speed Control Toyota Avanza Di Lapak Jimmy

  • Avanza

Copyright © 2020 - CETNIEWO2017.VILOGDANSK.EU


1937 Comments