Diagram Database

Posted by on 2020-12-29

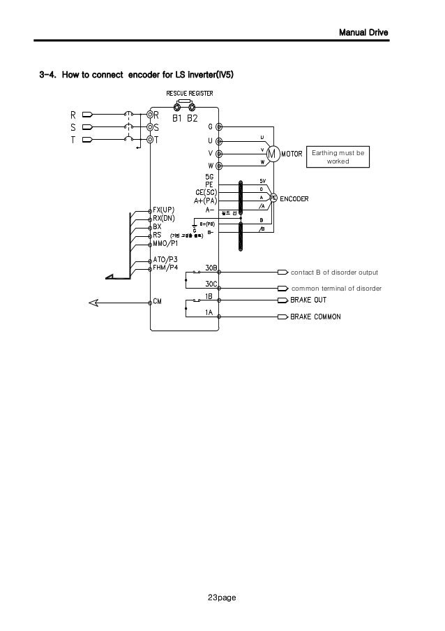
Wiring Diagram Inverter Ls

CETNIEWO2017.VILOGDANSK.EU

Wiring Diagram Inverter Ls

  • Inverter Ls
  • Date : December 29, 2020
  • Downloaded : 6349 times

Wiring Diagram Inverter Ls Whats New

Diagram

Downloads Wiring Diagram Inverter Ls diagram diagram definition diagram of the heart diagrams.net diagrama diagramming sentences diagrama de venn diagrams online diagram of the eye diagram maker diagram of an atom diagram designer diagram of vagina diagram of ear diagram of knee anatomy diagram of a cell diagram of digestive system diagram of human organs diagram of the brain diagram of a volcano diagram of photosynthesis cycle diagram of organs in body

  • Ls Inverter Basic Connection System For Drive 3phase Motor

  • Lexus Ls 500h Plate Sub

  • Lexus Ls 600h L Hose Assembly Inverter Cooling No 1

  • Ls-t Pv Inverter With Charge Controller 1kw-6kw

  • Elektrikal Engineer Wiring Diagram Inverter Ls U0026 Plc And

  • Lexus Ls 500h Hose Inverter Cooling No 3 Electrical

  • Ls Inverter Connection Diagram

  • Ls Inverter Ip5a Manual Pdf

  • Inverter Ls Ie5 U0e1a U0e23 U0e34 U0e29 U0e31 U0e17 U0e40 U0e08 U0e14 U0e31 U0e1a U0e1a U0e25 U0e34 U0e27 U0e40 U0e17 U0e04 U0e08 U0e33 U0e01 U0e31 U0e14 Jwtech Company

  • Page 9 Other Integrated Circuits Including Logic Gates

  • Ls Low Frequency Inverter For Home Use 1000w

  • U0627 U06cc U0646 U0648 U0631 U062a U0631 U0627 U0644 U0627 U0633

  • G920511010

  • Grid Tie Inverter With Limiter Manual

  • Daikin Split Unit Wiring Diagram

  • Chevrolet Malibu Ls Drive Motor Inverter Cooler Water Pump

  • Chevrolet Malibu Ls Drive Motor Inverter Cooler Water Pump

  • Dc

  • Dsids User Manual For Ds Product Ver1 3

  • Power G Introduction And Overview Of Wind Turbine Design

  • Ls Inverter Ig5 Manual Pdf

  • Q64ad Q64dan Ub85c Ls Uc778 Ubc84 Ud130 Uc81c Uc5b4

  • Crystal Activity Tester - Analog Circuit

  • Schematic Diagram Of Double Frequency Modulation Based On

  • Regulated Power Supplies Circuit Board

  • Ls Low Frequency Inverter For Home Use 1000w

  • Ls Inverter Ip5a Manual Pdf

  • 220v 50hz 110v 60hz Hybrid Solar Inverter Company

  • Lexus Ls 600h L Hose Hybrid Water Pump Outlet No 1

  • Ls Inverter Is7 User Manual

  • Ls Inverter Ic5 Manual Pdf

  • Ls Low Frequency Inverter Uff081kw

  • Ls Inverter Ig5a Manual

  • Ls Low Frequency Inverter Uff081kw

  • Ls Inverter Ig5 Manual Pdf

  • Ferrograph Hpc 1654e Hiu 812 S Hiu812 M Lcd Tv Inverter

  • 9098211050 - Fuse

  • Inverter Escalar Jpg Inverter Escalar Jpg U2013 Diagramasde

  • Page 9 Other Integrated Circuits Including Logic Gates

  • Chevrolet Malibu Ls Drive Motor Inverter Cooler Water Pump

  • Ht6 A C Compressor Wiring Diagram

  • Elektrikal Engineer Wiring Diagram Inverter Ls U0026 Plc And

  • Ls3000h Ls4000h Ls5000 5000w Energy Power String Inverter

  • Page 9 Other Integrated Circuits Including Logic Gates

  • G124011020

  • Power G Desember 2014

  • Ls-t Pv Inverter With Charge Controller 1kw-6kw

  • 200 Lincoln Ls Fuse Box Diagram U2013 Circuit Wiring Diagrams

  • Xs 2855 Ls1 Wiring Harness Diagram On Standalone Ls1

  • 09132211861 U0645 U0647 U0646 U062f U0633 U0645 U062d U0645 U062f U06cc U0627 U0646 U062a U0639 U0645 U06cc U0631 U0627 U06cc U0646 U0648 U0631 U062a U0631 U0627 U06cc U0646 U0648 U0631 U062a U0648 U0631 U0627 U06cc U0646 U0648 U0631 U062a U0648 U0631

  • Triangle Waveform Generator Module And Ls

  • 02 Lincoln Ls Fuse Box Diagram U2013 Circuit Wiring Diagrams

  • Grid Tie Inverter With Limiter Manual

  • Toshiba Motor Wiring Diagram

  • Understanding Digital Buffer Gate And Logic Ic Circuits

Copyright © 2020 - CETNIEWO2017.VILOGDANSK.EU


1937 Comments