Diagram Database

Posted by on 2020-12-29

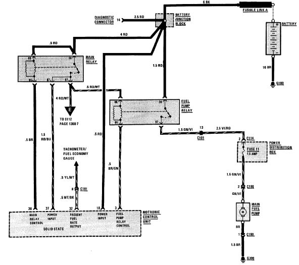
Wiring Diagram Fuel Pump E36

CETNIEWO2017.VILOGDANSK.EU

Wiring Diagram Fuel Pump E36

  • Pump E36
  • Date : December 29, 2020
  • Downloaded : 5902 times

Wiring Diagram Fuel Pump E36 Whats New

Diagram Fuel

Downloads Wiring Diagram Fuel Pump E36 diagram fuel cell diagram fuel system diagram fuel injector diagram fuel system automobile diagram fuel tank bx2370 kubota diagram fuel sensor for 2004 volvo s60 diagram fuel filter on 2015 ford transit diagram fuel system 98 nissan frontier diagram fuel line for 03 dodge ram 1500

  • Bmw E36 Roof

  • Original Parts For E36 318tds M41 Touring Fuel

  • Original Parts For E36 325td M51 Sedan Fuel Preparation

  • Bmw E36 Wiring Harness Racing

  • I Have A 96 Bmw 528i That Will Not Start No Fuel Pressure

  • Relais Kraftstoffpumpe K6301

  • E36 S54 Technica Motorsports Drop In Walbro 255lph Fuel

  • E36 255lph Fuel Pump Kit

  • E53 Fuel Supply Detailed Fuel Pump Siphon Pump

  • I Have A 1986 325 Bmw With A Starting Problem It Started

  • Please Help 1990 325i Will Not Start Engine Cranks But

  • Fuel Pump Wiring Help

  • Bmw E36 Fuel Pump Test U0026 Troubleshoot Part 2

  • Kenne

  • Bmw E36 325i M50 2 5l - 16141182842 - Fuel Pump

  • Fuel Pump Wiring Help

  • 1994 E36 M3

  • Bmw E36 3 Series Fuel Pump Replacement Diy

  • Team Bearded Ryno U0026 39 S E36 M3 Home

  • Pelican Technical Article Bmw 3

  • Bmw E30 13 Button Obc Fuel Pump Connector

  • 1994 E36 M3

  • Fuel Pump Replacement Bmw E36

  • Bmw E36 Fuel Pump Installation Sleeve U2013 Rallyroad

  • Fuel Sender Gasket Replacement

  • Fuse And Relay Box Diagram Bmw 3 E36

  • Original Parts For E39 525d M57 Touring Fuel Supply

  • Bmw E36 3-series Fuel Pump Replacement 1992

  • Fuse And Relay Box Diagram Bmw 3 E36

  • Bmw E36 3 Series Fuel Pump Replacement Diy

  • Bmw 525i Fuel Pump Wire Diagram

  • Fuel Pump Relay U2013 Page 2 U2013 Circuit Wiring Diagrams

  • Buy Bmw E36 M3 Coupe Convertible Fuel Pump 16141182842

  • Fuel Pump For Bmw E36 M3 Motorsport Upgrade Pump From

  • 1987 E30 Coupe Rally Build

  • 13311743309 2 Directional Control Valve Running Loss

  • 16141182842 - Oem Vdo Fuel Pump

  • Fuel Pump Assembly For Bmw E36 3er 316

  • How To Replace A Bmw E36 Fuel Pump

  • Original Parts For E36 318tds M41 Compact Fuel Supply

  • E36 Bmw Fuel Pump Fits 318 323 325 328 M3

  • Unofficialbmw Com View Topic

  • Electric Fuel Pump Wiring Diagram Gallery

  • Electric Fuel Pump Wiring Diagram Gallery

  • 1998 Bmw M3 Fuel Tank Pressure Sensor System Expansion

  • 2007 Bmw 328i Fuse Box Location

  • 16141182842 - Oem Vdo Fuel Pump

  • 1998 E36 Compact Fuel Injector Elbow

  • Bmw Z3 Fuel Pump Replacement

  • 94 95 Mustang Fuel Pump Diagram

  • Datsun 240z Mechanical Fuel Pump Rebuild

  • 200 Bmw 528i Wiring Diagram For Ignition

  • Fuel Pump Rewire Relay Diagram For Dual In Tank Pumps

Copyright © 2020 - CETNIEWO2017.VILOGDANSK.EU


1937 Comments