Diagram Database

Posted by on 2020-12-30

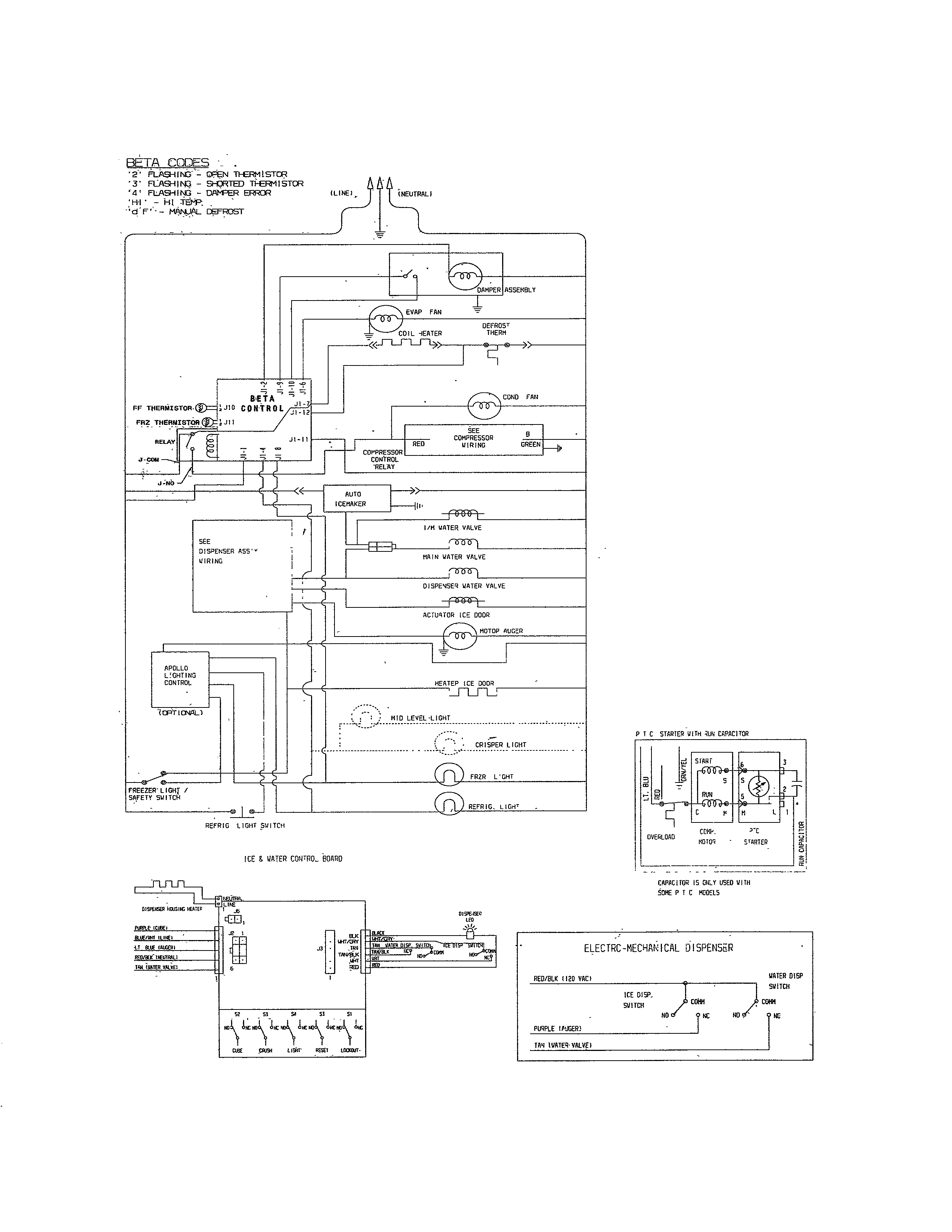
Wiring Diagram For Hotpoint Fridge Zer

CETNIEWO2017.VILOGDANSK.EU

Wiring Diagram For Hotpoint Fridge Zer

  • Fridge Zer
  • Date : December 30, 2020
  • Downloaded : 7142 times

Wiring Diagram For Hotpoint Fridge Zer Whats New

Diagram For Hotpoint

Downloads Wiring Diagram For Hotpoint Fridge Zer diagram for hotels diagram for hot water recirculating system

  • Hotpoint Refrigerator Wiring Diagram

  • Hotpoint Csx22glc Side

  • Hotpoint Htm18ibpwrsa Top

  • Looking For Hotpoint Model Csx20easawh Side

  • Hotpoint Refrigerators Parts

  • Unit Parts Diagram U0026 Parts List For Model Ctx21dabrrww

  • Hotpoint Refrigerator Parts

  • Hotpoint Refrigerator P Series Parts

  • Looking For Hotpoint Model Hss25athbcbb Side

  • Hotpoint Fridge Thawing On Freezer Side In Appliances Now

  • Cabinet Diagram U0026 Parts List For Model Htr16absdlww

  • I Have Hotpoint Fridge Top Freezer Hts17gbserww Does Not

  • Hotpoint Ctx16apjlad Freezer Floor

  • 35 Hotpoint Oven Parts Diagram

  • Hotpoint Refrigerator M Series Parts

  • Hotpoint Refrigerator Parts

  • Hotpoint Refrigerator X Series Parts

  • Hotpoint Ffp187mp Refrigerator Transparent Drawer Front

  • Ge Model Gss20gewpww Side

  • Ge Msx22grbbaa Side

  • Ge Model Gss20gewpww Side

  • Hotpoint Aquarius Ctd00 Wiring Diagram

  • Hotpoint Ctx22dmrlad Defrost Heater Assembly

  • Ge Wr50x122 Defrost Thermostat

  • My Ge Refrigerator Is Not Cooling But The Freezer Is

  • Hotpoint Fridge Thermostat Wiring Diagram

  • Frigidaire Model Ffhs2611lw7 Side

  • Hotpoint Fridge Thermostat Wiring Diagram

  • Hotpoint Ctx18habjrww Door Shelf Retainer Bar

  • Hotpoint Refrigerator Parts Diagram

  • Hotpoint Fridge Freezer Wiring Diagram

  • Hotpoint Fridge Thermostat Wiring Diagram

  • Hotpoint Refrigerator Parts Diagram

  • Hotpoint Refrigerator Parts Diagram

  • Hotpoint Fridge Thermostat Wiring Diagram U2013 Wiring Diagram

  • Hotpoint Refrigerators Parts

  • Looking For Hotpoint Model Fh10dxawh Chest Freezer Repair

  • How To Replace Fridge Freezer Circuit Board With Digital

  • Hotpoint Csx24dfb Side

  • Hotpoint Ctx18lyycrwh Top

  • Hotpoint Refrigerator Wiring Diagram

  • How To Replace Fridge Freezer Thermostat On Hotpoint Indesit

  • Wiring Database 2020 25 Hotpoint Refrigerator Parts Diagram

  • Wiring Database 2020 25 Hotpoint Refrigerator Parts Diagram

  • Refrigerators Parts Hotpoint Refrigerator

  • How To Repair

  • Hotpoint Ctx18elrrha Frosted Light Bulb 40watt

  • Looking For Hotpoint Model Csx24dma Side

  • Hotpoint Ctx18dibqrww Top

  • Hotpoint Washer Wmf740puk R This Started With A Chartering

  • Refrigerators Parts Hotpoint Refrigerator

  • Hotpoint Cst25grydww Compressor Kit

  • Hotpoint U00ae 25 0 Cu Ft Side

  • Hotpoint Ctx18baxkrwh Frosted Light Bulb 40watt

Copyright © 2020 - CETNIEWO2017.VILOGDANSK.EU


1937 Comments