Diagram Database

Posted by on 2020-12-29

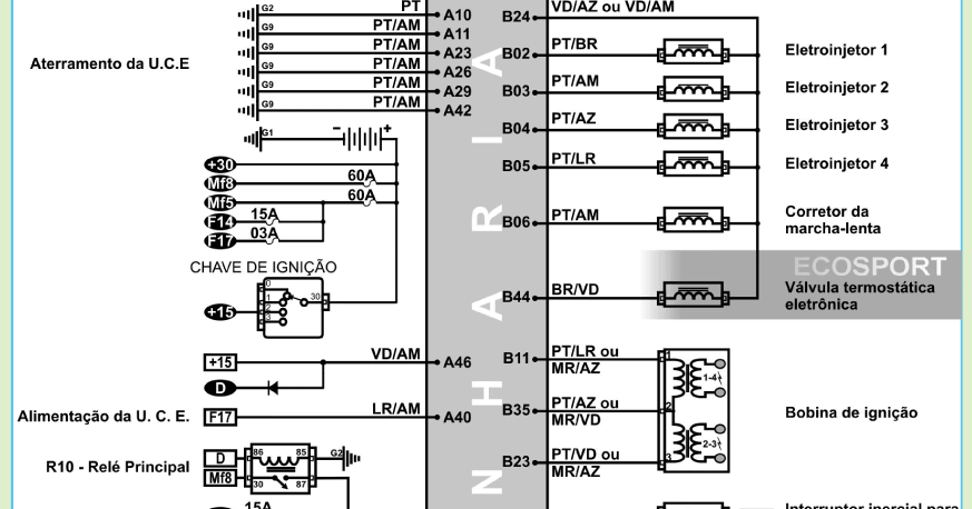
Wiring Diagram De Ford Ecosport 2004

CETNIEWO2017.VILOGDANSK.EU

Wiring Diagram De Ford Ecosport 2004

  • Ecosport 2004
  • Date : December 29, 2020
  • Downloaded : 5935 times

Wiring Diagram De Ford Ecosport 2004 Whats New

Diagram De Ford

Downloads Wiring Diagram De Ford Ecosport 2004

  • Ford Ecosport 2004 2005 2006 2007

  • Como Poner A Tiempo Una Ford Ecosport 2004 2 0

  • Libro Mi Jard U00edn

  • Ford Ecosport 2004 2005 2006 2007

  • Auto Ford Garage Esquema El U00e9trico Ecosport

  • Manual De Taller Ford Ecosport

  • Manual Ecosport

  • Sincronizacion De Motores

  • Manual De Taller Reparaci U00f3n Diagrama Ford Ecosport 2003

  • Manual Ecosport

  • Ford Ecosport

  • Ep Inje U00e7 U00e3o Eletr U00f4nica Esquema El U00e9trico Ecosport Parcial

  • Manuales De Reparacion Ford Fiesta Esquema Electrico

  • Imcdb Org 2004 Ford Ecosport Bv226 In U0026quot Um Show De Ver U00e3o

  • Manual De Taller Ford Ecosport 2004

  • Image - Tinypic

  • File Ford Ecosport 1 6 Xlt 2004 16866789981 Jpg

  • Ford Ecosport Manual De Taller

  • Motor Ford Ecosport 1 6 L 4x2 Xls 2004 Sedan 5 Puertas

  • Silverman925 2004 Ford Ecosport Specs Photos

  • Kanawati 2004 Ford Ecosport Specs Photos Modification

  • Manual De Taller Ford Ecosport

  • Inyetronica Esquema Electrico Ford Ka

  • Vendo Ford Ecosport 2004 Full Equipo

  • Veja Na Oficina Ford Ecosport 2 0 16v Sistema De

  • Ford Ecosport 1 6 Xls - Mp3 - 2004

  • Fiesta Y Ecosport Fiesta Y Ecosport Dc 2006 Pdf Diagramas

  • Cremallera Direccion Hidraulica 1 6 Ford Ecosport 2003

  • 2018 Ford Ecosport Wiring Diagram Manual Original

  • Motor De Limpia Parabrisas De Ford Fiesta Ecosport 2004

  • Ford Ecosport Xls 1 6 8v Flex 2007

  • Ecosport 2011 - Fotos

  • Ford Ecosport 2004

  • Ford Ecosport Xlt 2 0 16v 2004

  • Ford Mostra Ecosport Definitivo E Interior Modelo Chega

  • Manual Ecosport

  • Modo De Auto Diagn U00f3stico Ecosport

  • Desarmo En Partes Ford Ecosport 2006 2007 2008 Refacciones

  • Capo Ford Ecosport 2003 2004 2005 2006 2007

  • Orden De Cables De Buj U00eda De Ford Fiesta 2008

  • Manual Ecosport

  • Ford Ecosport Specs U0026 Photos

  • Manual De Taller Ford Ecosport 2004

  • Ford Ecosport 1 6 Xl Plus Mp3 - 2004

  • Ford Ecosport Specs

  • Conmutador O Mando De Ford Ecosport - Fiesta - Ka

  • Epaul Garage Esquema El U00e9trico Ecosport Parcial

  • Vendo Ford Ecosport 2004 Xlt Motor 2 0 16v Nafta En Mar

  • 2018 Ford Transit Ecosport Electrical Wiring Diagram

  • Manual Ecosport

  • 2018 Ford Ecosport Wiring Diagram Manual Original

  • 5r55n 5r55s 5r55w U0410 U041a U041f U041f Explorer Thunderbird U0411 U043e U043b U0435 U0437 U043d U0438

  • Ford Ecosport Wiring Diagram

  • Manuales De Mecanica Automotriz By Autorepair Soft Manual

  • Ford Ecosport 2004 Excelente Estado

  • Motor De Ford Ecosport En Managua 2007 Plateada Mecanica

  • Radiador De Aluminio Ford Ecosport 2003 2004 2005 2006

  • Ecosport 2004 2004 Xls 1 6 Completa 2004

  • Ford Ecosport

Copyright © 2020 - CETNIEWO2017.VILOGDANSK.EU


1937 Comments