Diagram Database

Posted by on 2020-12-30

Wiring Diagram Chevy C1

CETNIEWO2017.VILOGDANSK.EU

Wiring Diagram Chevy C1

  • Chevy C1
  • Date : December 30, 2020
  • Downloaded : 6865 times

Wiring Diagram Chevy C1 Whats New

Diagram

Downloads Wiring Diagram Chevy C1 diagram diagramming sentences diagram of heart diagram of vagina diagram of the eye diagram definition diagrams.net diagrams online diagram maker diagram of ear diagrama diagram designer diagram of human organs diagram of an atom diagram of the brain diagram of organs in body diagram of a volcano diagram of photosynthesis cycle diagram of a cell diagram of digestive system diagram of knee anatomy 70 chevy c10 wiring diagram 1978 chevy c10 wiring diagram chevy c10 wiring diagram chevy c10 wiring diagram tail light wiring diagram for 1966 chevy c10 wiring diagram for 1967 chevy c10 wiring diagram for 1985 chevy c10 ignition wiring diagram 1992 chevy c1500 wiring diagram chevy s10

  • Pcm Pin-outs And Wiring Diagram 2006 Silverado

  • C1 Where To Find A Good Headlight Switch

  • 2003 Chevy Silverado Radio Wiring Diagram C1

  • 1999 Chevrolet C1 5 Wt Fuse Box Diagram U2013 Auto Fuse Box

  • C1 1957 Headlight Switch Wiring Picture

  • 2003 Chevy Silverado Radio Wiring Diagram C1

  • 2003 Chevy 1500 1500 Truck I Need Information Fuse Panel

  • Help Just Died No Rpm Signal - Page 3

  • 1955 Chevrolet Corvette C1 The Corvette Finds Its Groove

  • I Am Trying To Install A Backup Camera In My 2005 Equinox

  • I Need The Pin Out Diagram For The C2 Connector For The

  • Chevy Wiring Diagrams

  • Free Auto Wiring Diagram 1962 Chevrolet Corvette Wiring

  • 04 Malibu New Style 1 Turn Light Stopped Working Whats

  • I Have A 2003 Chevrolet 2500hd Silverado Pick Up Both

  • Service Information

  • Citroen C1 Wiring Diagrams

  • Pcm Pin-outs And Wiring Diagram 2006 Silverado

  • 1966 Wiring Help - Corvetteforum

  • 2003 Chevy 1500 1500 Truck I Need Information Fuse Panel

  • 1962 Inner Door Diagrams - Corvetteforum

  • 2003 Chevy 1500 1500 Truck I Need Information Fuse Panel

  • 2003 Chevy 1500 1500 Truck I Need Information Fuse Panel

  • 1962 Inner Door Diagrams - Corvetteforum

  • 1962 Inner Door Diagrams - Corvetteforum

  • 99 Silverado 5 3 Pcm Wiring Diagram

  • 1962 Inner Door Diagrams - Corvetteforum

  • Chevy Corvette Wiring Diagram

  • U0026 39 64 Frame Dimensions - Corvetteforum

  • Lectric Limited Ignition Switch Question

  • 1957corv How To Wire Switch Reistor Coil

  • I Need A Wiring Diagram For The Plugs That Plug Into The

  • I Need A Wiring Diagram For The Plugs That Plug Into The

  • 63 Chevy Truck Headlight Switch Wiring

  • Kendall Self Drive Chevrolet Corvette C1 Review

  • 1962 Inner Door Diagrams - Corvetteforum

  • 2005

  • 2005

  • Ignition Switch Wiring 2 Extra Dark Green Wires

  • Help Just Died No Rpm Signal - Page 3

  • Help Just Died No Rpm Signal - Page 3

  • 1956 Headlight Switch Wireing - Corvetteforum

  • 1962 Inner Door Diagrams - Corvetteforum

  • Citroen C1 Wiring Diagram

  • Need A Wiring Diagram For The Driver Side Window Switch

  • 1962 Inner Door Diagrams - Corvetteforum

  • 1982 Corvette Wiring Diagram

  • 1978 Chevy Gmc C6 4

  • 1962 Inner Door Diagrams - Corvetteforum

  • Bcm Basics 101 03

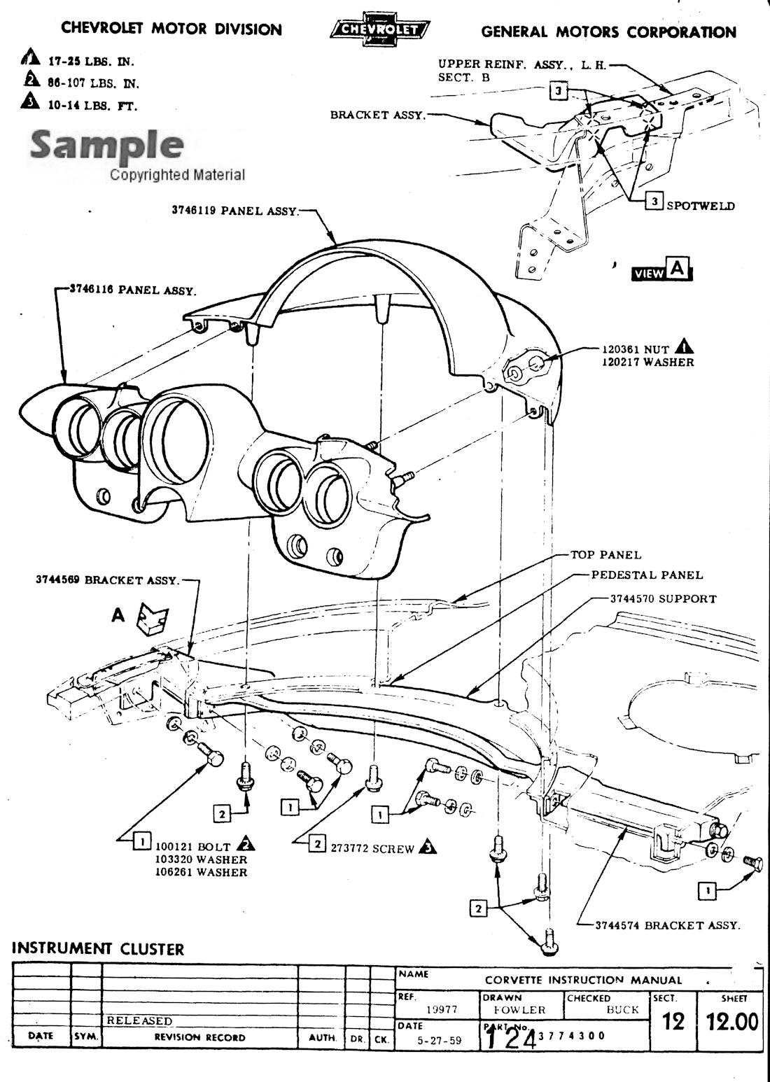
  • C1 Diagram Of 58 Vette Dash Mounting

  • Windshield Washer Diagram For 66 Vette

  • Pcm Pin-outs And Wiring Diagram 2006 Silverado

  • C1 Frame Measurements - Help Needed

  • Carfusebox Chevrolet Cobalt Radio Stereo Wiring Diagram

  • Peugeot 107 Wiring Diagram

  • C1 62 U0026 39 Spark Plug Wiring Diagram

Copyright © 2020 - CETNIEWO2017.VILOGDANSK.EU


1937 Comments