Diagram Database

Posted by on 2020-12-29

Wire Diagram 2002 Chrysler Intrepid

CETNIEWO2017.VILOGDANSK.EU

Wire Diagram 2002 Chrysler Intrepid

  • Chrysler Intrepid
  • Date : December 29, 2020
  • Downloaded : 7026 times

Wire Diagram 2002 Chrysler Intrepid Whats New

Diagram 2002

Downloads Wire Diagram 2002 Chrysler Intrepid diagram 2002 toyota camry diagram 2002 pontiac firebird diagram 2002 bmw x5 headlights diagram 2002 toyota highlander exhaust diagram 2002 e 450 instrument cluster diagram 2002 f250 4x4 front suspension diagram 2002 gmc sierra power steering diagram 2002 jeep wrangler tj diagram 2002 ford escort transmission

  • 2002 Dodge Intrepid Engine Diagram

  • 2002 Dodge Intrepid Bushing Lower Control Arm Rear Lca

  • 2002 Dodge Intrepid Engine Diagram

  • I Am Looking For A Starter Wiring Diagram For A 2002 Dodge

  • 2002 Dodge Intrepid Serpentine Belt Routing And Timing

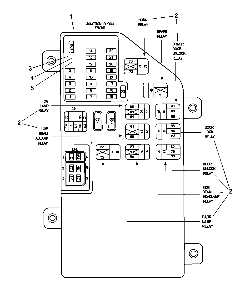
  • 2002 Dodge Intrepid Junction Block

  • 2002 Dodge Intrepid Engine Diagram

  • 2002 Dodge Intrepid Engine Diagram

  • 2002 Dodge Intrepid Engine Diagram

  • 2002 Dodge Intrepid Fuel Lines U0026 Fuel Filter

  • 4591759ab

  • 2002 Dodge Intrepid Radio Wiring Diagram

  • Dodge Intrepid Pump Power Steering Assys

  • 2002 Dodge Intrepid Radio Wiring Diagram

  • 2002 Dodge Intrepid Engine Diagram

  • 2002 Dodge Intrepid Radio Wiring Diagram

  • 2002 Dodge Intrepid Engine Diagram

  • I Have A 2002 Dodge Intrepid 2 7 Liter Have A P0700 Code

  • Suspension Diagram - Dodgeintrepid Net Forums

  • Dodge Intrepid Tube Heater Return Whose

  • 2004 Dodge Stratus Fuse Box Diagram Dodge Ram Fuse Box

  • 2002 Dodge Intrepid Suspension Diagram

  • Dodge Intrepid Exhaust Diagram From Best Value Auto Parts

  • Dodgeintrepid Net Forums

  • Dodge Intrepid Exhaust Diagram From Best Value Auto Parts

  • 1998

  • 04663792ah

  • Dodge Intrepid Exhaust Diagram From Best Value Auto Parts

  • 2001 Dodge Intrepid Indicator Engine Oil Level Duty

  • 5080751aa

  • 5080684aa

  • 1997 Dodge Intrepid Fuse Box Diagram

  • Dodge Intrepid 2001 Fuse Box Block Circuit Breaker Diagram

  • 2002 Dodge Intrepid - Overview

  • Porsche 928 Engine Diagram Wallpaper

  • 2002 Dodge Intrepid Engine Diagram

  • I Have A 2001 Intrepid With R 2 7l I Need A Diagram To

  • Intrepid Stereo Wiring - Dodgeintrepid Net Forums

  • 2002 Dodge Intrepid Starter Engine Remanufactured

  • Have A 2002 Dodge Intrepid 70 000 Motor Seized Threw Two

  • I Need A Suspendion Diagram For A 1996 Dodge Intrepid For

  • 05114093aa

  • 2000 Chrysler 300m Engine Diagram

  • 2003 Chrysler 300 Power Distribution Center

  • A7a79 2002 Dodge Intrepid Stereo Wiring Diagram

  • 2000 Dodge Intrepid 2 7 Engine Diagram

Copyright © 2020 - CETNIEWO2017.VILOGDANSK.EU


1937 Comments