Diagram Database

Posted by on 2020-12-30

Wheel Horse Parts Diagrams Transmission Manuals

CETNIEWO2017.VILOGDANSK.EU

Wheel Horse Parts Diagrams Transmission Manuals

  • Transmission Manuals
  • Date : December 30, 2020
  • Downloaded : 6055 times

Wheel Horse Parts Diagrams Transmission Manuals Whats New

Horse Parts Diagrams

Downloads Wheel Horse Parts Diagrams Transmission Manuals wheel horse parts diagrams horse parts diagram blank horse parts diagram for kids horse parts diagram

  • Wheelhorse Manual Transmissions Service Manual

  • Toro 3

  • Eaton

  • Contents Contributed And Discussions Participated By Susan

  • Troy Bilt Horse Ii 6hp Roto Tiller S N 1001

  • Troy Bilt 13cx79kt011 Horse Xp 2015 Parts Diagram For

  • Manual

  • Troy Bilt 2308 Horse Iii Parts Diagram For Power Unit

  • Toro 31

  • 1978-1984

  • Garden Tractor Drive Belt Replacement

  • Troy Bilt 14aa80tp711 Big Red Horse 2007 Parts Diagram

  • Troy Bilt 14az809h063 Gtx2446 2003 Parts Diagram For

  • Troy Bilt 12070 Horse N

  • Toro 32

  • Toro 02

  • Troy Bilt 13wx79bt011 Horse 2017 Parts Diagram For Deck

  • Troy Bilt Horse N 00940750

  • Wheel Horse 10

  • Troybilt Pony Tiller Parts

  • Toro 32

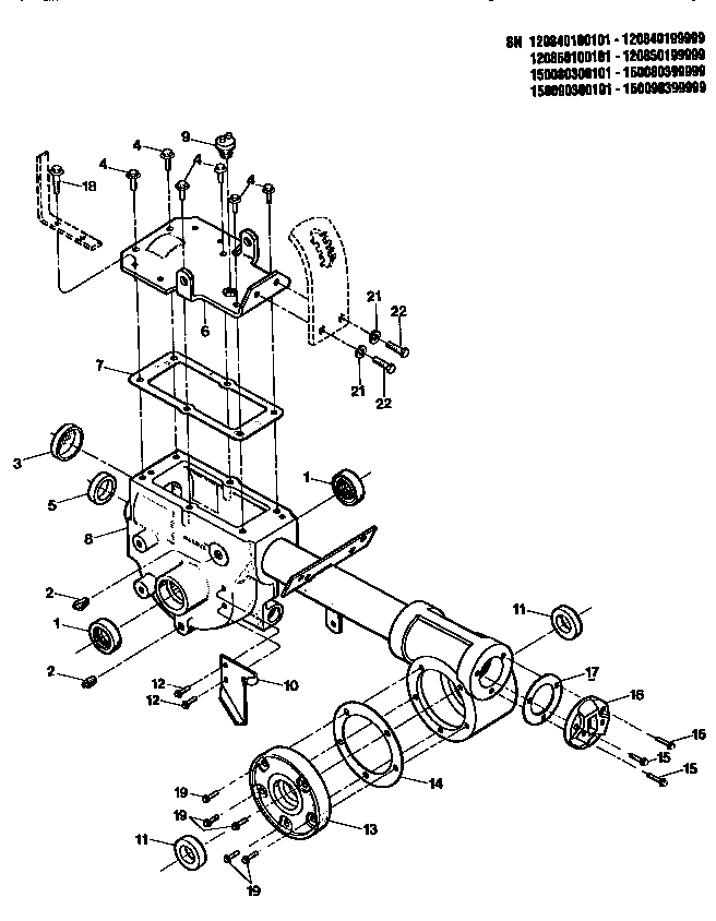
  • Transmission Housing Covers Seals Gaskets U0026 Plugs

  • Troy Bilt Horse Iii 8hp Roto Tiller S N 640000

  • Toro 02

  • Toro 11

  • Troy Bilt 12181 Pony Opc 6hp S N 121811100101

Copyright © 2020 - CETNIEWO2017.VILOGDANSK.EU


1937 Comments