Diagram Database

Posted by on 2020-12-29

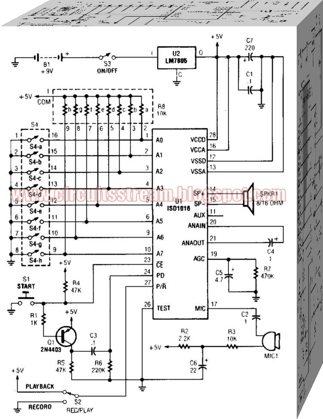
Voice Recorder Circuit Diagram

CETNIEWO2017.VILOGDANSK.EU

Voice Recorder Circuit Diagram

  • Circuit Diagram
  • Date : December 29, 2020
  • Downloaded : 6386 times

Voice Recorder Circuit Diagram Whats New

Recorder

Downloads Voice Recorder Circuit Diagram recorder recordergear recorder app recorder instrument recorder notes recorder apk recorder online recorder songs recorder apk download recorder screen recorder download recorder lessons recorder flute recorder notes chart recorder karate recorder music recorder greenfield ma recorder studio recorder fingerings charts recorder plus atos recorder.maricopa.gov recorder songs for beginners recorder of deeds recorder's office recorder news

  • Solid State Audio Recorder Circuit Diagram

  • Circuit Of Ka2213 Single Tape Recorder

  • Audio - Ac Bias Circuit For A Tape Recorder

  • Voice Recorder Playback Circuit

  • Tape Recorder - Electrical Equipment Circuit

  • Isd2500 Recorder Circuit

  • Tape Recorder Remote Control Display Circuit

  • Circuit Diagram Of The Electronics In The Mimo Recorder

  • Individual Message Recorder Circuit Diagram

  • Tape Recorder Interface - Basic Circuit

  • Ka2213 Single Chip Sound Recorder Or Reproducer Integrated

  • Build A Telephone Conversation Recorder Circuit Diagram

  • Use Sr9f26c Ordinary Language Learning Machine Tape

  • Audio Powered Tape Recorder Switching Controller

  • Index 167 - Basic Circuit - Circuit Diagram

  • Voice Activated Tape Recorder Switch

  • 16 Channel Digital Video Recorder Repair

  • Phone Conversation Recorder Circuit Schematic Diagram

  • Apr9301 Voice Recorder

  • Digital Voice Recorder Isd2560

  • Strip Chart Recorder Working Principle

  • Digital Voice Recorder Isd2560 U2013 Circuit Wiring Diagrams

  • Interfacing Isd1820 Voice Recorder Module With Arduino

  • Audio Recording And Playback

  • Restoring A Second System 80 Video Genie Pmc

  • Digital Voice Recorder Isd2560

  • Digital Voice Recorder Circuit 60 120 Seconds

  • Uher

  • Welcome Schematic Electronic Diagram Ferguson 3224 Mono

  • Circuit Dia U0026 39 S

  • Webster 6122

  • Tape Topics Schematic

  • Build A Telephone Record Control Circuit Diagram

  • 8 Pdf Diagram Circuit Amplifier Printable Hd Download

  • Solid State Audio Recorder Circuit Diagram

  • Mic Recorder Circuit

  • Single Chip Voice Recording U0026 Play Back Circuit

  • Circuit Dia U0026 39 S

  • Simple Tape Recorder Interface Circuit Diagram

  • Cassette Recorder

  • Digital Voice Recorder Playback Um5100

  • Solid State Voice Recorder

  • El

  • Hitachi Cassette Recorder

  • Sony Tc-280 Tape Recorder

  • Make A Single Chip Programmable Voice Audio Recorder

  • Isd2560 Voice Recording Playback Project Pic16f84

  • Saba Cassetten

  • Home Telephone Call Recorder Wiring Diagram

  • Pc Or Mac And The Audio Interface

  • Phone Recorder U2013 Circuit Wiring Diagrams

  • Circuit Diagram Of Gr Sakura Based Voice Recorder And

  • Voice Operated Recording

Copyright © 2020 - CETNIEWO2017.VILOGDANSK.EU


1937 Comments