Diagram Database

Posted by on 2020-12-29

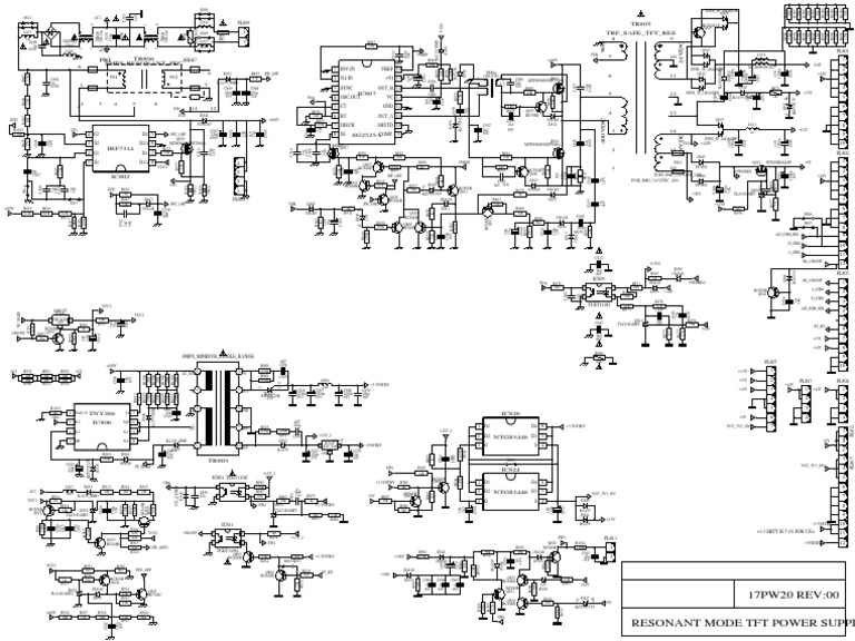
Vestel 17pw20.1 Circuit Diagram

CETNIEWO2017.VILOGDANSK.EU

Vestel 17pw20.1 Circuit Diagram

  • Circuit Diagram
  • Date : December 29, 2020
  • Downloaded : 6538 times

Vestel 17pw20.1 Circuit Diagram Whats New

17pw20.1

Downloads Vestel 17pw20.1 Circuit Diagram 17w201 roosevelt rd oakbrook terrace il 17w201 roosevelt road oakbrook terrace il 17w201 red oak ave addison il 60101 17w201 e roosevelt road oakbrook terrace il

  • Vestel 17pw20

  • Vestel 17pw20

  • 555 Servo Tester U2013 Pmb

  • Irs2092 Class D Amplifier Circuit Lm1036 Tone Controlled

  • How To Build The Brightest Led Saber In The World

  • Reverb Effect Circuit Pt2399 Guitar Effects

  • Ldr Project Circuit Diagram U0026 Pcb Layout In Proteus

  • High

  • How To Build Intercommunication Intercom Circuit Diagram

  • How To Create Circuit Diagram

  • Rms 2x200w Amplifier Circuit Mjl21196 Mjl21195

  • Make Your Own Multimeter

  • Cb175 Question

  • 5v Dual Power Supply Circuit With Pcb

  • Electronic Schematics - Need-to-know

  • Wiring The I2c Ina219 Zero Drift Bidirectional Current

  • Dc Motor Control Using Arm7 Lpc2148

  • Shed Garage Alarm Circuit Diagram

  • Deckel Fp1 Wiring Question

  • Hb Mini

  • Water Level Controller Circuit Using Transistors And Ne555

  • Sunfounder Esp8266

  • 8051 Development System Circuit Board

  • Breathalyzer Circuit Using 8051 U2013 Circuit Wiring Diagrams

  • Interface Gsm Module To 8051

  • The Aa8v 6x2 Superheterodyne Receiver

  • 20w Audio Amplifier Using Lm1875

  • Dc To Dc Converter Circuit Sg3524 Sg3525 2x30v

  • Jan Site

  • Class D Amplifier Circuit 2x50w Tpa3116

  • Hvac Training - Schematic Diagrams

  • Car 4x40w Amplifier Circuit With Tda8571j

  • 50w Inverter 12vdc To 220vac

  • Need Wiring Diagram Schematic For 2004 Ford Ranger 4x4 V6

  • Standardized Wiring Diagram U0026 Schematic Symbols April

  • Schematic Representation Of Power System Relaying

  • Model Pd6800

  • Circuit With A Switch

  • R C A Victor Co Inc 221

  • Homemade 100va To 1000va Grid

  • Az1117c Low Dropout Linear Voltage Regulator Circuit

  • Repair Guides

  • Free Electronic Circuits And Schematics Online

  • Electronic Diagrams Prints And Schematics

  • Temperature Controlled Leds Using Lm35

  • Power Inverter 60w 12v Dc To 230v Ac Using 2n3055

  • How To Make A Diy Shock Pen Or Lighter Or Chewing Gum

  • Simple Curve Tracer Circuit Tracing The Curve For

  • 14core Line Following Bot With Tcrt5000 L298n On

  • To Study Variation Of Current Using A Ldr

  • The Wiring Diagram And Physical Layout Of The Equipment

  • Speed Control Of Dc Motor Using Pulse Width Modulation 555

  • Electrical Symbols

  • R C A Victor Co Inc 128

Copyright © 2020 - CETNIEWO2017.VILOGDANSK.EU


1937 Comments