Diagram Database

Posted by on 2020-12-30

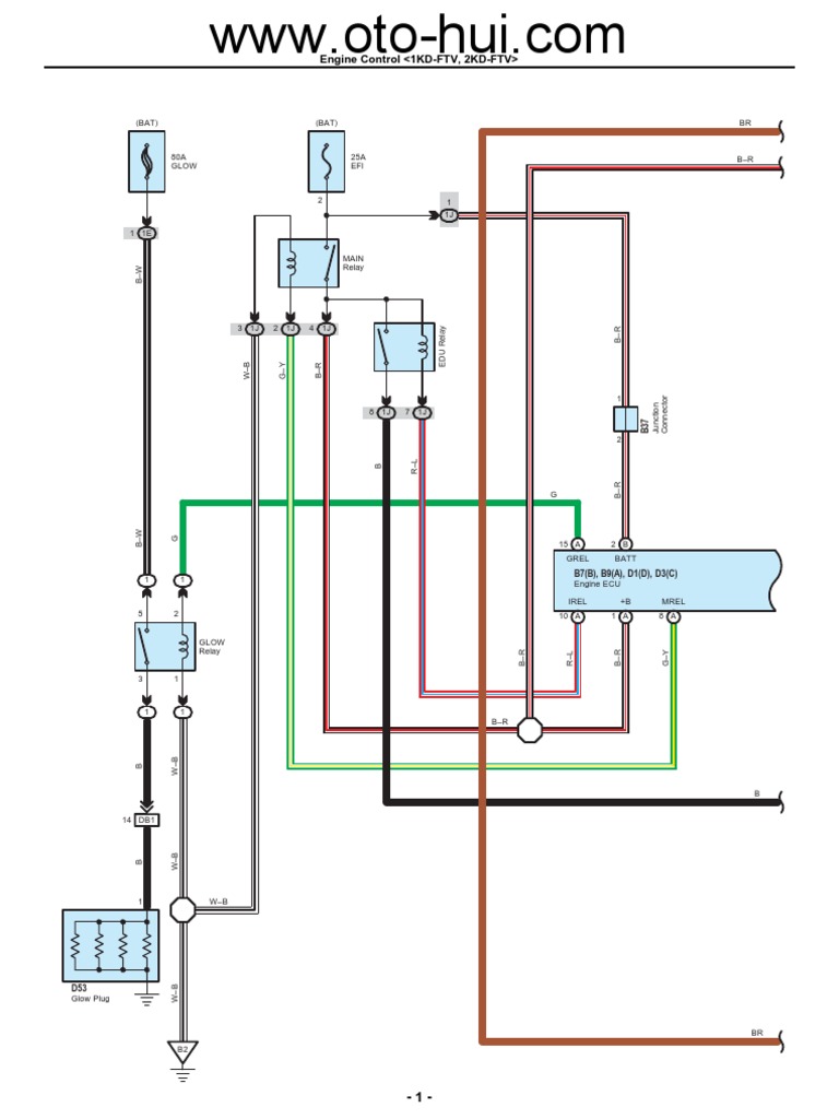
Toyota 1kd Engine Wiring Diagram

CETNIEWO2017.VILOGDANSK.EU

Toyota 1kd Engine Wiring Diagram

  • Wiring Diagram
  • Date : December 30, 2020
  • Downloaded : 6834 times

Toyota 1kd Engine Wiring Diagram Whats New

1kd Engine

Downloads Toyota 1kd Engine Wiring Diagram 1kd engine 1kd engine oil 1kd engine swap 1kd engine specs 1kd engine diagram 1kd engine problems 1kd engine compression 1kd engine specification 1kd engine for sale 1kd engine repair manual 1kd engine number location

  • 1kd Wiring Diagram

  • 1kd Wiring Diagram

  • Toyota Hilux Revo Wiring

  • Toyota Ecs

  • 1kd Wiring Diagram

  • Toyota Hilux Revo Wiring

  • 1kd Ecu Wiring Diagram

  • 1kd Wiring Diagram

  • 1kd Wiring Diagram

  • 1kd Wiring Diagram

  • 1kd Wiring Diagram

  • 1kd Wiring Diagram

  • Toyota Hilux Engine 1kd Rm1173e 2015 Workshop Manual

  • 1kd Wiring Diagram

  • 1kd Wiring Diagram

  • 1kd Wiring Diagram

  • 6 9 Diesel Engine Diagram

  • Bestseller 2kd Toyota Hiace Engine Diagram

  • 1kd Ecu Wiring Diagram

  • Toyota Engine 1kd

  • Control Engine

  • Manual Engine 1 2kd

  • Wiring Diagram Ecu 2kd

  • Bestseller 2kd Toyota Hiace Engine Diagram

  • Toyota Hiace 2005 To 2013 Trh Kdh Lh

  • Mesin Diesel Toyota Tipe 2 Kd Ftv 14

  • Bestseller Toyota D4d Engine Wiring

  • Toyota Hilux 2005

  • Wiring Diagram Toyota Hilux D4d

  • Bestseller 2kd Toyota Hiace Engine Diagram

  • Bestseller 2kd Toyota Hiace Engine Diagram

  • Toyota Hilux Electrical Wiring Diagram Manual Pdf Download

  • Toyota 1zz Ecu Pinout

  • Bestseller Toyota 2kd Ftv Engine Service Manual

  • 2kd Ftv Toyota 2kd Ecu Wiring Diagram

  • Toyota 1nz Fe Ecu Wiring Diagram

  • Bestseller Toyota 2kd Ftv Engine Repair Manual Pdf

  • 1kd

  • Toyota Hilux Engine 1kd Rm1173e 2015 Workshop Manual

  • Toyota Hilux Engine 1kd Rm1173e 2015 Workshop Manual

  • Toyota 1kz Te Ecu Wiring Diagram

  • Toyota Hilux Kun26 Wiring Diagram

  • 1hd Fte

  • Toyota Hilux Engine 1kd Rm1173e 2015 Workshop Manual

  • 1ktze Pinin

  • C49e Range Rover Sport Wiring Diagram Pdf

  • Toyota Landcruiser Prado 2004

  • 4ede Vw Touran Fuse Diagram

  • 2000 Toyota Land Cruiser Prado Body Electrical Wiring

  • 2001 Ranger Ev Wiring Diagram Pdf

  • Manual De Servicio Toyota Kijyang Innova Onnova 1kd 2kd

  • Vehicle Diagnostics

  • Repair Manual

  • Toyota Hilux Engine 1kd Rm1173e 2015 Workshop Manual

  • Mesin Diesel Toyota Tipe 2 Kd Ftv 14

  • Bestseller 2kd Toyota Hiace Engine Diagram

  • 2010

  • Calam U00e9o

Copyright © 2020 - CETNIEWO2017.VILOGDANSK.EU


1937 Comments