Diagram Database

Posted by on 2020-12-30

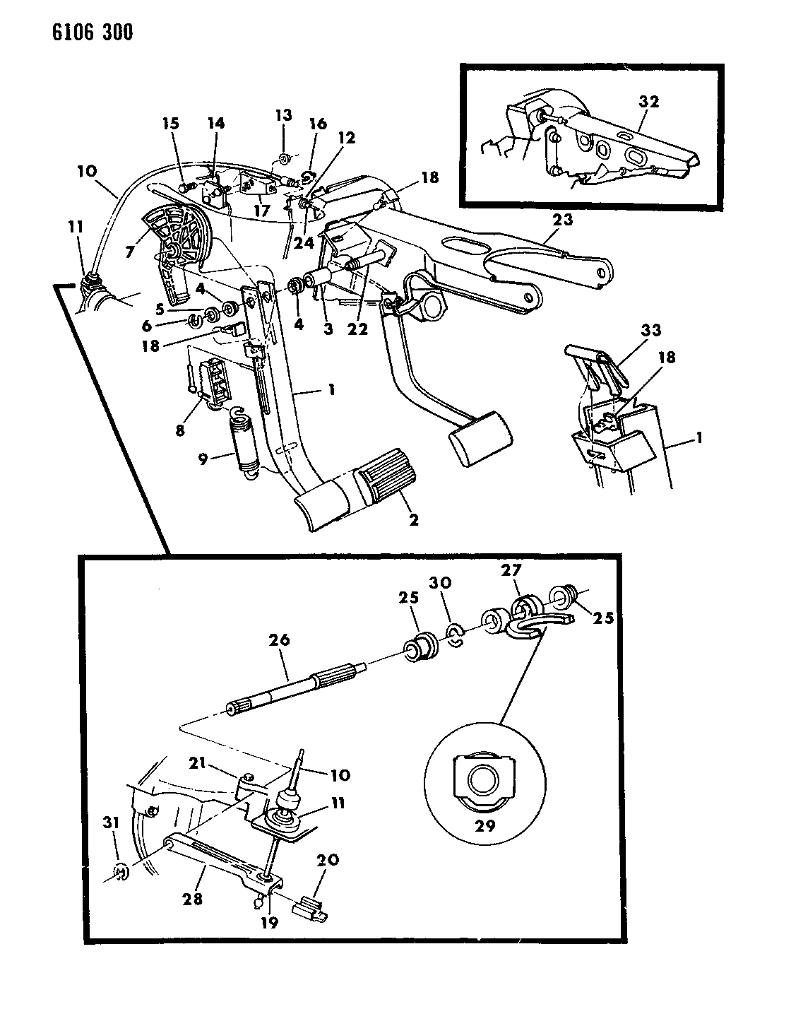
T 600 Kenworth Clutch Linkage Diagram

CETNIEWO2017.VILOGDANSK.EU

T 600 Kenworth Clutch Linkage Diagram

  • Linkage Diagram
  • Date : December 30, 2020
  • Downloaded : 7424 times

T 600 Kenworth Clutch Linkage Diagram Whats New

600 Kenworth Clutch

Downloads T 600 Kenworth Clutch Linkage Diagram

  • T 600 Kenworth Clutch Linkage Diagram

  • T 600 Kenworth Clutch Linkage Diagram Kenworth Clutch

  • Clutch Pedal Linkage - Diagram View

  • T 600 Kenworth Clutch Linkage Diagram Kenworth Clutch

  • Z Bar And Linkage What Am I Missing

  • Tanaka Tle-600 Parts Diagram For Assembly 4

  • T 600 Kenworth Clutch Linkage Diagram Kenworth Clutch

  • Tanaka Tle-600 Parts Diagram For Assembly 14

  • Tanaka Tle-600 Parts Diagram For Assembly 5

  • Sweptline Org - 1963-1968 Online Parts Catalog

  • 1980 C

  • Tanaka Tle-600 Parts Diagram For Assembly 10

  • Vintage Clutch Linkage Parts

  • Gravely 991083 035000

  • T 600 Kenworth Clutch Linkage Diagram Kenworth Clutch

  • Starter Clutch - Engine - Gsf600y-k4 - Classics

  • Ayp Electrolux L0815dr 1999 U0026 Before Parts Diagram For Mower

  • Diagrams Wiring Peterbilt Clutch Linkage Diagram

  • Mack Truck Wiring Diagram Free Download U2014 Untpikapps

  • 1955 Chevy Truck Ke Pedal Embly Diagram

  • Mn100395 Clutch Pedal Assembly Non Abs

  • Gravely 987104 000101

  • 12232 390 Gear Linkage Kit Bush Set Overhaul Your Sloppy

  • Carrier Thrust Bearing

  • Jeep Cj7 Clutch Linkage Diagram

  • T 600 Kenworth Clutch Linkage Diagram Kenworth Clutch

  • T 600 Kenworth Clutch Linkage Diagram Kenworth Clutch

  • Willys Jeep Parts Diagrams U0026 Illustrations From Midwest

  • Brake U0026 Clutch Control Parts For Ford 8n Tractors 1947

  • Freightliner Fld Manual

  • 2007 Kenworth T800 Stock Kw

  • Jeep Cj7 Clutch Linkage Diagram

  • Free Kenworth Wiring Diagrams

  • 1994 Kenworth T600 Dallas Tx

  • Frontier Truck Parts

  • Mack Ch600 Speed Wiring Diagram

  • Toro Professional Z1

  • Kenworth T600 Wiring Diagrams

  • Tanaka Tle-600 Parts Diagram For Assembly 1

  • Harley Davidson Sportster How To Replace Stator And

  • Tanaka Tle-600 Parts Diagram For Assembly 8

  • Tanaka Tle-600 Parts Diagram For Assembly 17

  • Simplicity 1691270

  • Simplicity 1691643 Export Tractor

  • Tanaka Tle-600 Parts Diagram For Assembly 2

  • Wiring Diagram 30 John Deere 830 Parts Diagram

  • Simplicity 1690854

  • 5206244

  • John Deere Xuv 550 Parts Diagram

  • Tanaka Tle-600 Parts Diagram For Assembly 13

  • Tanaka Tle-600 Parts Diagram For Assembly 18

  • Tanaka Tle-600 Parts Diagram For Assembly 3

  • Tanaka Tle-600 Parts Diagram For Assembly 16

  • Starter Clutch - Engine - Gsf600 S-st X-sx

  • Tanaka Tle-600 Parts Diagram For Assembly 12

  • 1988 Honda Vt600c Service Workshop Repair Manual Pdf

  • 1086 International Tractor Wiring Diagram

  • Simplicity 1690888

  • 1968 F250 Steering Column Replacement Manual Floor Shift

  • 32 Kohler Ch20s Carburetor Diagram

Copyright © 2020 - CETNIEWO2017.VILOGDANSK.EU


1937 Comments