Diagram Database

Posted by on 2020-12-29

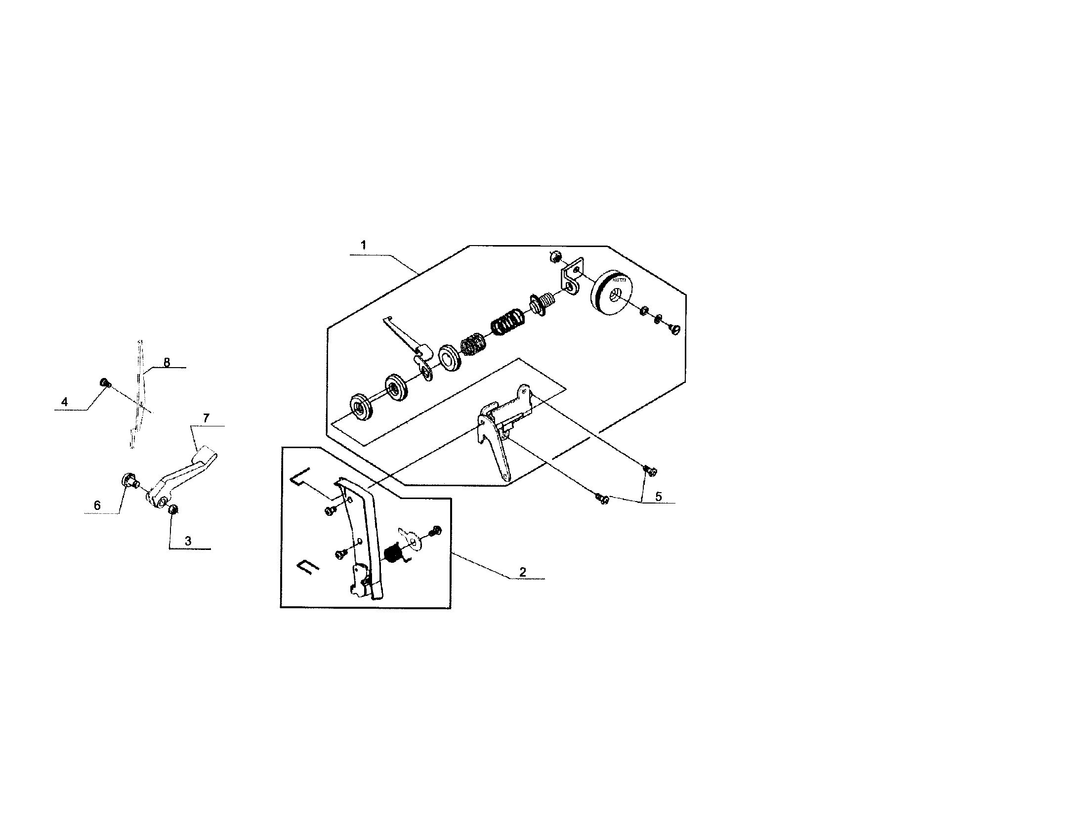
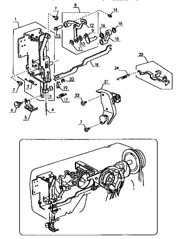
Singer 328 Thread Tension Diagram

CETNIEWO2017.VILOGDANSK.EU

Singer 328 Thread Tension Diagram

  • Tension Diagram
  • Date : December 29, 2020
  • Downloaded : 5673 times

Singer 328 Thread Tension Diagram Whats New

328 Thread

Downloads Singer 328 Thread Tension Diagram

  • Reassembling The Tension Assembly On My Singer

  • How To Fix Tension On Your Sewing Machine

  • I Have A Rockford Sewing Machine Model Zr

  • Upper Shaft Thread Tension Diagram U0026 Parts List For Model

  • Singer 328 Sewing Machine Instruction Manual

  • Helpful Images

  • Singer 327k

  • Singer 185j Sewing Machine Instruction Manual

  • Juki 214

  • Kenmore 38517124790 Electronic Sewing Machine Parts

  • Tension Thread Guide Plate Diagram U0026 Parts List For Model

  • 301 Moved Permanently

  • Singer 15

  • Sewing Machine Troubleshooting

  • A Brief Introduction To Hydraulic Bolt Tensioners

  • Singer 5932 Sewing Machine Threading Diagram

  • Thread Tension Assembly Diagram U0026 Parts List For Model

  • 15 Common Sewing Machine Problems And How To Fix Them

  • Kenmore Sewing Machine Head Bobbin And Thread Tension

  • Thread Tension Guide Needle Plate Parts U0026 Components

  • Thread Tension Diagram U0026 Parts List For Model 38511101590

  • Bell Micro Mb 102 Sewing Machine Threading Diagram

  • Sewing Machine Tension

  • Singer 15

  • Kenmore 1521 1560 1937 Sewing Machine Threading Diagram

  • Kenmore 158 1357 1525 1660 1947 Sewing Machine Threading

  • Looking For Kenmore Model 3851950180 Electronic Sewing

  • Kenmore 158130 Mechanical Sewing Machine Parts

  • 206rb Thread Tension Assembly

  • Kenmore 158 1792 Sewing Machine Threading Diagram

  • Vintage Original Upper Thread Tension Assembly Fits Singer

  • Singer Model 127 Threading Diagram

  • Thread Tension Assembly 147499 For Singer 251

  • My Sewing Machine Obsession 306k Threading Diagram

  • Singer 416 418 Sewing Machine Service Manual

  • Kenmore 158 1792 Sewing Machine Threading Diagram

  • Kenmore 38517626890 Mechanical Sewing Machine Parts

  • Thread Tension Assembly Diagram U0026 Parts List For Model

  • Singer 9005 9008 9010 Sewing Machine Threading Diagram

  • Pin On Sewing 101

  • Brother Vx 808 809 Sewing Machine Threading Diagram

  • Viking Model 5530 6030 6430 Sewing Machine Threading

  • 1425 Best Sewing Machine Manuals Images On Pinterest

  • Kenmore 2681044280 Sewing Machine Parts

  • Kenmore 158 1603 1703 1803 1813 Sewing Machine Threading

  • Singer 353 Genie Sewing Machine Threading Diagram

  • Singer 534 Stylist Sewing Machine Threading Diagram

Copyright © 2020 - CETNIEWO2017.VILOGDANSK.EU


1937 Comments