Diagram Database

Posted by on 2020-12-29

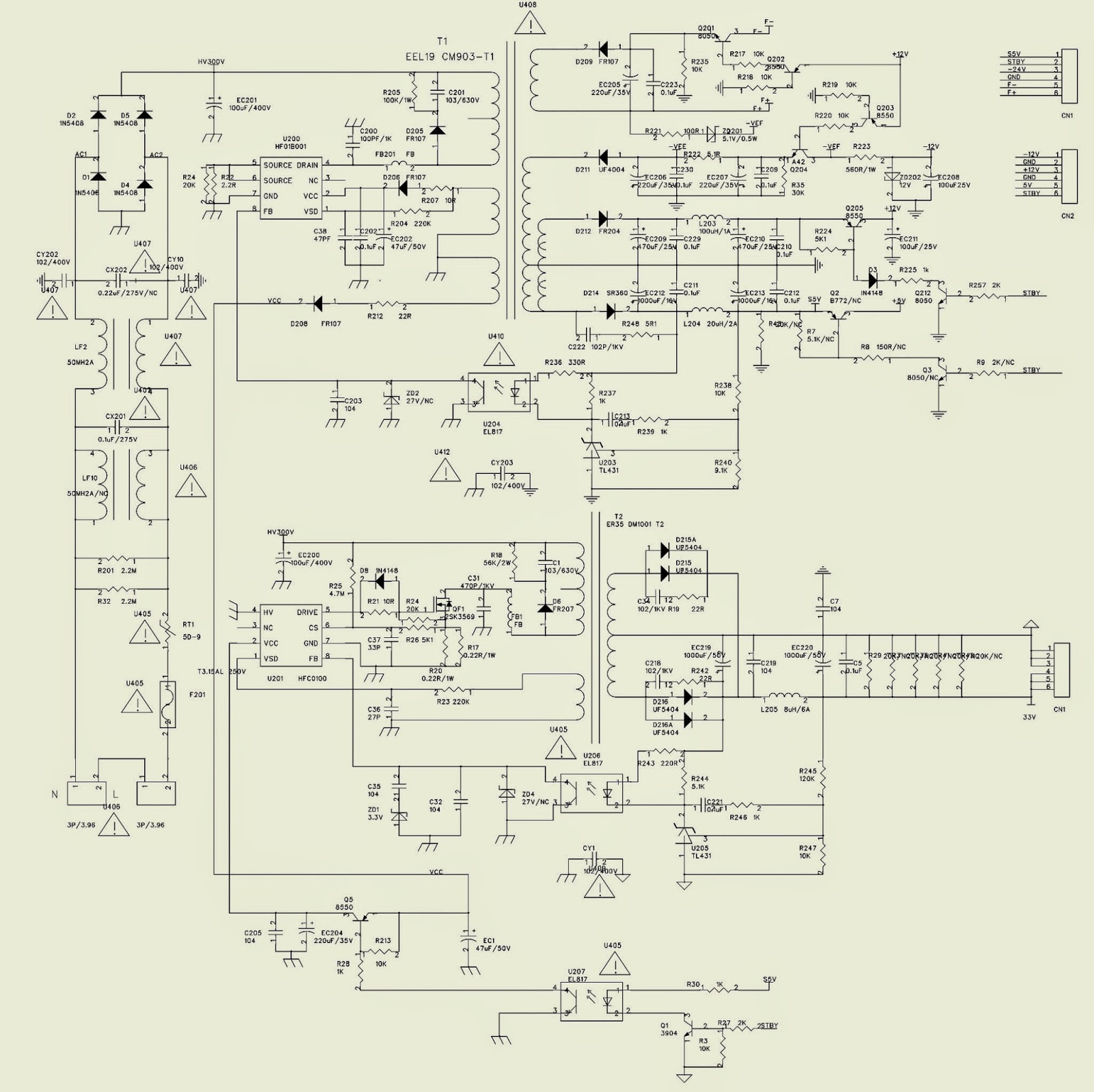
Sharp 63as 03s Color Tv Schematic Diagram

CETNIEWO2017.VILOGDANSK.EU

Sharp 63as 03s Color Tv Schematic Diagram

  • Schematic Diagram
  • Date : December 29, 2020
  • Downloaded : 6188 times

Sharp 63as 03s Color Tv Schematic Diagram Whats New

63as 03s Color Tv

Downloads Sharp 63as 03s Color Tv Schematic Diagram

  • Onida Tv Circuit Diagram Pdf

  • Obsolete Technology Tellye Autovox Mod Tvc2694 E

  • I Have An Ilo Funai Tv Model Iwf2706 It U0026 39 S A Flat Screen

  • Electro Help Philco Ph650 - Ph800

  • Electro Help Tv Main Power Smps Schematic

  • Circuit Diagram Of 8873 Tv Kit Pdf

  • Motorola Tsa

  • Electro Help Akira Lct-30kxstp - Lcd Tv

  • Magnavox 20mc4304 17 Tv Dvd Vcr Combo A Few Months Back

  • Kc4gzx Diy Homebrew Projects 5

  • Electronic Circuit Diagram Tv Crt Board Rgb Colour Using

  • Tv Panasonic Tc 21 Fj30la

  • Electro Help Toshiba 32 37 42wl58

  • Electronic Circuit Diagram Tv Audio Using Tda2003

  • Electro Help Yamaha Yst

  • Master Electronics Repair Daewoo Dpc0720

  • Electro Help Norcent Olevia - Lt26hvx-lcd Tv

  • U54ea U4f4d U77e5 U9053 U5f69 U7535 U4e2d U96c6 U6210 U7535 U8def U5f15 U811a U6807 U51fa U7684 U82f1 U6587 U6807 U6ce8 U7684 U610f U601d U5417

  • Magnavox 20mc4304 17 Tv Dvd Vcr Combo A Few Months Back

  • Schematic Diagram For Akai Tv 59551

  • Electro Help Telefunken - Tcp2567stx

  • Electronics Tricks And Tips Bestavison New Ckt Diagram

  • Electro Help Philips Tv - L04a Chassis

  • Electro Help Toshiba 32 37 42wl58

  • Magnavox 20mc4304 17 Tv Dvd Vcr Combo A Few Months Back

  • Electro Help Sony Kdl32bx300 Kdl22bx300 - Lcd Tv

  • Benq Wiring Diagram

  • Electro Help Power Supply Circuit Diagram Schematic

  • 33 Dell Power Supply Wiring Diagram

  • Electro Help Panasonic Cn

  • Color Lcd Display Nokia 6610

  • Strw6556a Datasheet - Power Controller

  • Kolli Switch Mode Power Supplies

  • Electro Help Philips Magnavox

  • Sony -- Klv-40v300a

  • Tv Power Supply Ac Matic

  • Electro Help 200w Atx Power Supply - Computer

  • Benq Wiring Diagram

  • Electro Help Hyundai Dv967s Dvd Player Power Supply

  • Honda Sl125 Electrical Wiring Diagram U2013 Circuit Wiring

  • Electro Help Toshiba 32 37 42wl58

  • Ford Radio Wiring Diagram Download

  • Electro Help Rca

  • Sony Television Button X

  • I Wantto Know What I Need To Do To Fix My Tv It Is A

  • Tl594 12v Dc Switch Mode Power Supply Rise

  • Electro Help Philips Hts 3000 3150 Dvd Home Theater

  • Honda C70m Electrical Wiring Diagram U2013 Circuit Wiring Diagrams

  • I Picked Up A Sony Trinitron Kv

  • Electro Help Philips

  • Those Magnificent Television Tubes - Page 38

  • Ford Factory Amplifier Wiring Diagram

  • Honda F4i Speedometer Wiring Diagram

  • Aiwa Vxf20dv1

  • Television Video Electronic Circuits Page 3

  • Tv Monitor Diagram Blog

  • Electro Help Philips

  • Oldsmobile U2013 Page 11 U2013 Circuit Wiring Diagrams

  • Television Tv U0026 Video Circuits

  • Electronic Circuit Diagram Tv Vertical Using La7841

Copyright © 2020 - CETNIEWO2017.VILOGDANSK.EU


1937 Comments