Diagram Database

Posted by on 2020-12-30

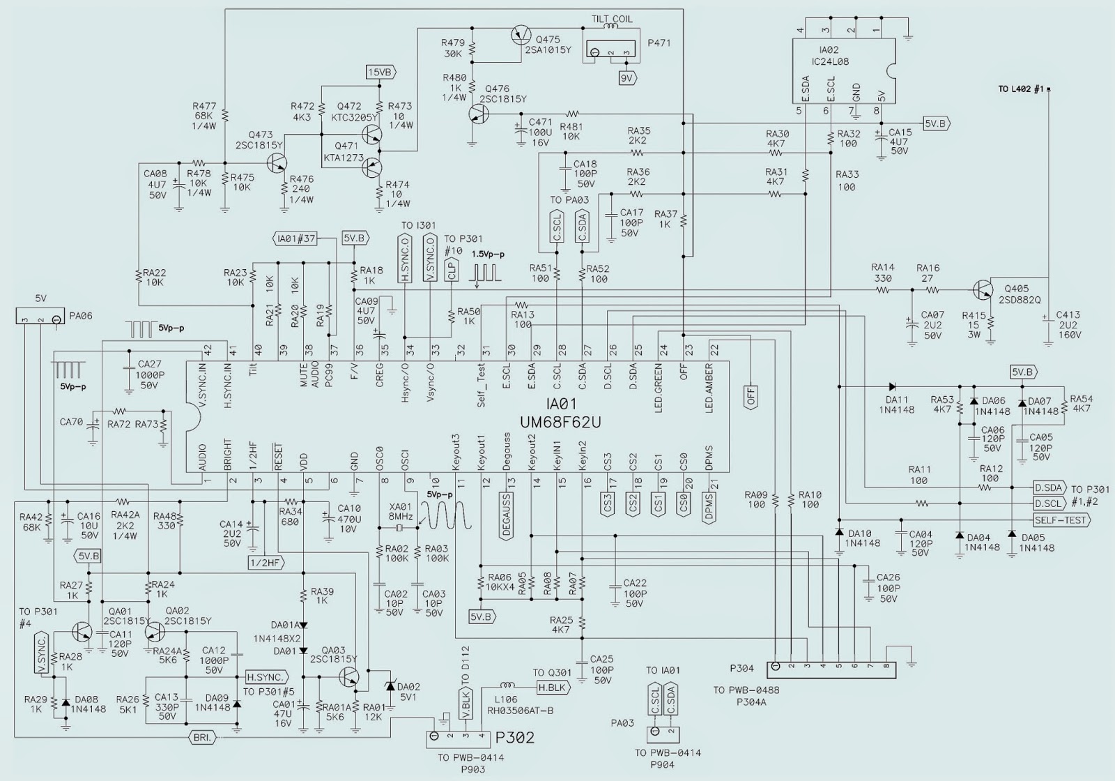
Schematic Diagram Viewsonic 1564a Monitor

CETNIEWO2017.VILOGDANSK.EU

Schematic Diagram Viewsonic 1564a Monitor

  • 1564a Monitor
  • Date : December 30, 2020
  • Downloaded : 6659 times

Schematic Diagram Viewsonic 1564a Monitor Whats New

Diagram Viewsonic

Downloads Schematic Diagram Viewsonic 1564a Monitor

  • Viewsonic A90f Vcdts23307 2r Smps H Out And V Out

  • Viewsonic N2060 - 20 Inch Tv-monitor

  • Viewsonic Vx912 Vx924 Power Board Fsp035

  • Viewsonic E70

  • Electro Help Viewsonic Va721 U2013 17 Inch Tft Lcd Display

  • Viewsonic A90f Vcdts23307 2r Smps H Out And V Out

  • Viewsonic Vs13816 Download Driver

  • Viewsonic N2060 - 20 Inch Tv-monitor

  • Viewsonic A90f Vcdts23307 2r Smps H Out And V Out

  • Viewsonic Monitor Problem

  • Viewsonic Fsp228 3f01 Power Supply Sch Service Manual

  • Let U0026 39 S Repair - Viewsonic Va1916w

  • Pineado Monitor Txt Viewsonic Viewsonic

  • Dual Viewsonic Vx2250wm 22 U0026quot Led Monitors U0026 Trendnetusb 3 0

  • Viewsonic Fsp228 3f01 Power Supply Sch Service Manual

  • Electro Help Viewsonic G90fb-4 Monitor - Smps

  • Amazon Com Viewsonic Vx2739wm 27

  • Viewsonic G90fb 4 Monitor Smps Syscon And H Out Schematic

  • Viewsonic Vs10859 Monitor Flicker Adjustment Spare Part

  • Can I Daisy

  • New Dmd Chip For Viewsonic Pjd6211 Pjd6221 Projector Dmd

  • Viewsonic G90fb 4 Monitor Smps Syscon And H Out Schematic

  • Electro Help Viewsonic N2060

  • Viewsonic N2060 - 20 Inch Tv-monitor

  • Viewsonic Vs10859 Monitor Flicker Adjustment Spare Part

  • Viewsonic Xg3220 32 Gaming Monitor

  • Viewsonic Va520 Driver Free Download

  • Review Viewsonic Vg2439m

  • Viewsonic Monitor Repair

  • 60 Best Of Wiring Diagram Tft Lcd Monitor Pictures

  • Business Benefits Of Large Screen Monitors Solution Briefs

  • K21 Monitor

  • Viewsonic Vx2753mh 27 U0026quot Led Lcd Monitor

  • Monitors

  • Dell Displayport Daisy Chain Monitors

  • 50 U30b0 U30ec U30a2 Crt Monitor Computer

  • 60 Best Of Wiring Diagram Tft Lcd Monitor Pictures

  • Viewsonic Vp2785

  • Diy Circuit U2013 Heart Rate Monitor

  • Viewsonic G90fb 4 Monitor Smps Syscon And H Out Schematic

  • 60 Best Of Wiring Diagram Tft Lcd Monitor Pictures

  • Fixing Viewsonic Vx2245wm 22 Inch Lcd Monitor

  • Viewsonic Xg3220 32 Inch 60hz 4k Gaming Monitor

  • Electro Help Viewsonic G90fb-4 Monitor - Smps

  • 75 Crt Monitor

  • Ppt

  • Viewsonic A90f Vcdts23307 2r Smps H Out And V Out

  • List Of Displayport 1 2 Daisy Chainable Mst Monitors

  • Viewsonic Vp2365wb Review

  • Electro Help Wipro 916vwa19 U0026quot Lcd Monitor

  • Electro Help Wipro 916vwa19 U0026quot Lcd Monitor

  • U30d9 U30b9 U30c8 U30aa U30d6 Crt Monitor

Copyright © 2020 - CETNIEWO2017.VILOGDANSK.EU


1937 Comments