Diagram Database

Posted by on 2020-12-30

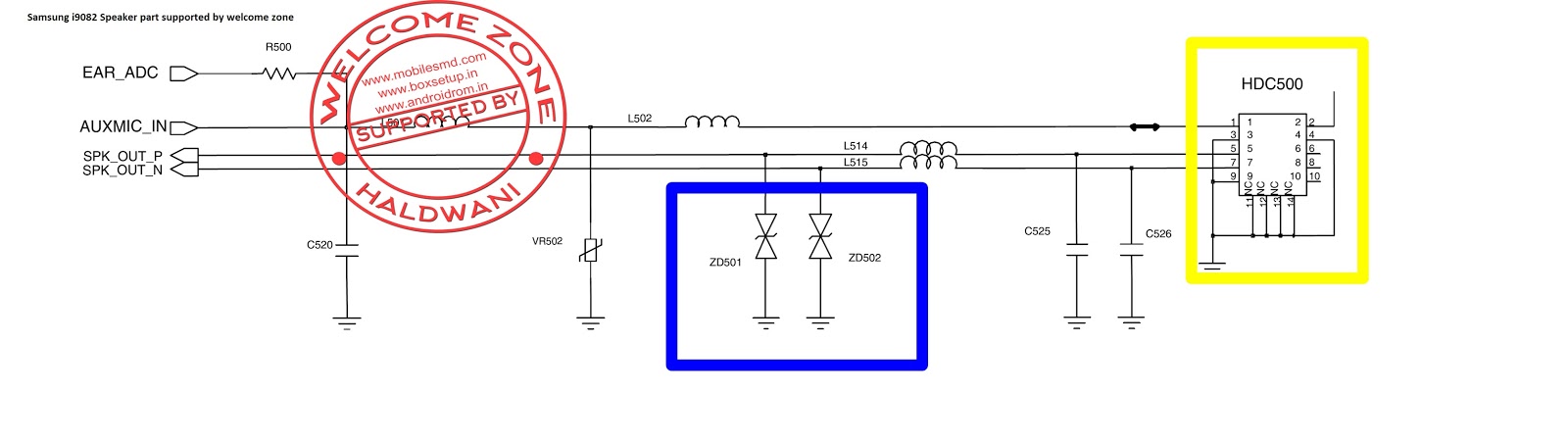
Samsung I9082 Diagram

CETNIEWO2017.VILOGDANSK.EU

Samsung I9082 Diagram

  • I9082 Diagram
  • Date : December 30, 2020
  • Downloaded : 7352 times

Samsung I9082 Diagram Whats New

I9082

Downloads Samsung I9082 Diagram i9082 i9082 rom i9082 twrp i9082 root i9082 firmware i9082l firmware i9082 cf root i9082 clone mt i9082 root file

  • Samsung Galaxy Grand I9082 Schematics

  • Samsung Gt-i9082 Galaxy Grand 08 Level 3 Repair

  • Samsung Galaxy Grand I9082 Schematics

  • Skema Samsung Gt-i9082

  • Samsung Galaxy Grand I9082 Charging Not Working Solution

  • Samsung Grand I9082 Mic Solution Jumper Problem Ways

  • Jrockers World Samsung Galaxy Grand Duos I9082 No Signal

  • Samsung Grand Duos I9082 Sim Card Connecter Ways Solution

  • Samsung Galaxy Grand I9082 Mic Solution Jumper Problem

  • Samsung I9082 Display Light Problem Jumper Ways

  • Samsung Grand Duos I9082 Touch Screen Connector Problem

  • Samsung Galaxy Grand I9082 8m Rreal Camera Not Working

  • Samsung Galaxy Grand I9082 Sim Part Insert Sim Card

  • Samsung Galaxy Grand I9082 Ear Speaker Receiver Problem

  • Samsung Galaxy Grand I9082 Microphone Main Mic Solution

  • Samsung Galaxy Grand I9082 Ringer Speaker Part Not Working

  • Samsung Galaxy Grand I9082 Service Manual

  • Samsung Galaxy Grand I9082 Ear Speaker Receiver Problem

  • I9082 Lcd Light Ways

  • Samsung Galaxy Grand I9082 Wcdma Band 8 Tx 3g Network Not

  • I9082 Charging Port Pads Are Damaged

  • Samsung Gt

  • Samsung Galaxy Grand I9082 Cell Phone Screen Repair Light

  • Gaurav

  • Samsung Gt

  • Samsung I9082 Emmc Repair Done Ift Tt 2kbqolh

  • Jrockers World Samsung Galaxy Grand Duos I9082 No Signal

  • Samsung Grand Duos I9082 Battery Connector Problem

  • Tiander Cellular Samsung Gt

  • Samsung Gt I9082 Mic Ringer Speaker And Ear Speaker Line

  • Samsung Galaxy S4 Mini I9192 Schematics

  • Samsung Galaxy Note 3 Sm

  • Samsung Gt

  • Samsung Galaxy Grand Gt I9082 Service Manual U0026 Repair

  • Filetype Pdf Manual Samsung Galaxy Grand I9082

  • Samsung Galaxy Grand Duos I9082 Riff Connection

  • Samsung Galaxy Grand I9082 Lcd Display Light Ic Solution

  • Diagram 300ex Wire Diagram Full Version Hd Quality Wire

  • Samsung Galaxy Grand I9082 Tsp Touch Screen Panel Not

Copyright © 2020 - CETNIEWO2017.VILOGDANSK.EU


1937 Comments