Diagram Database

Posted by on 2020-12-30

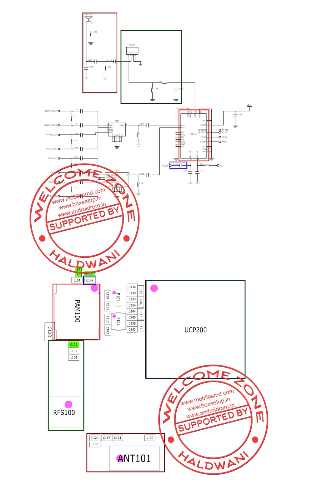
Samsung C3322i Diagram

CETNIEWO2017.VILOGDANSK.EU

Samsung C3322i Diagram

  • C3322i Diagram
  • Date : December 30, 2020
  • Downloaded : 5826 times

Samsung C3322i Diagram Whats New

C3322i

Downloads Samsung C3322i Diagram c3322i flash file c3322i usb driver

  • Samsung Gt

  • Samsung Gt

  • Samsung C3322i Insert Sim Card Problem Solution Jumper Ways

  • Samsung Gt

  • Samsung Gt

  • Samsung Gt

  • Samsung C3322 Display Light

  • Samsung Gt

  • Samsung C3322i Charging Ways

  • Samsung Gt

  • Samsung C3322 Charging Solution Usb Connector Jumper

  • Samsung Gt

  • Samsung Gt

  • Samsung Gt

  • Samsung C3322 Charging Ways And Auto Charging Solution

  • Samsung Gt

  • Samsung Gt

  • Samsung Gt

  • Samsung Gt-c3322 Metro Duos 08 Level 3 Repair

  • Samsung C3322 Charging Problem Solution Jumper Ways

  • Samsung Gt

  • Samsung C3322 Duos Speaker Solution By Buntygsm Mobile

  • Samsung C3322 Power Button Key Ways Jumper

  • Samsung Gt

  • Guide All Samsung Hardware Repair Solution

  • Sony Xperia C5 Ultra Charging Problem Solution Jumper Ways

Copyright © 2020 - CETNIEWO2017.VILOGDANSK.EU


1937 Comments