Diagram Database

Posted by on 2020-12-30

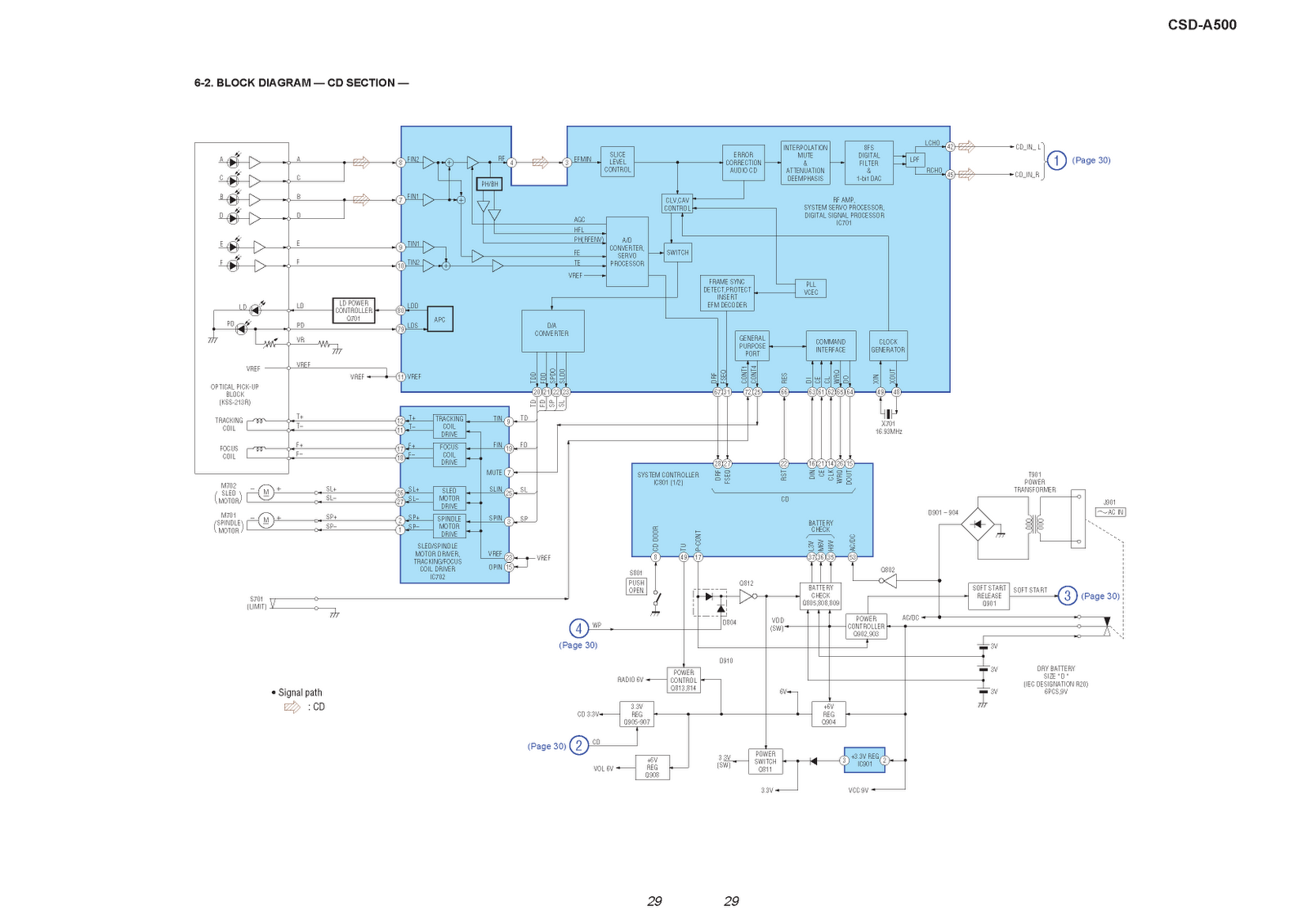
Samsung A500 Schematic Diagram

CETNIEWO2017.VILOGDANSK.EU

Samsung A500 Schematic Diagram

  • Schematic Diagram
  • Date : December 30, 2020
  • Downloaded : 6447 times

Samsung A500 Schematic Diagram Whats New

A500

Downloads Samsung A500 Schematic Diagram a5000 a500-6sn a500 grade a5000 hcpcs a500-13 material a500 transmission a500 vs 42re a5000 tax form a50091 air filter a500 tubing spec sheet a500x a50007 a50095 a500-18 a500-13 a5001 a5002 a500 gr8 a500 grc a5000 tax a500 tubing a500 steel a500 tubing specs a500 steel tubing

  • Acer Iconia A500 Block Diagram

  • Toshiba Satellite A500 Schematic U2013 Compal La

  • Harman Kardon A500 A Couple Of Questions Bugs

  • Schematics For Toshiba Satellite A500 A505 Uma In The

  • Ardo A500 Sch Service Manual Download Schematics Eeprom

  • Richard Sherman

  • Servicing Teac A500 Stereo Deck

  • Toshiba Satellite A500 L500 Schematic Kskaa La

  • Yamaha A 500 Schematic Detail Power Amplifier Stage Left

  • Toshiba Satellite A500 L500d Schematic Kswae La

  • Schematic Motherboard For Laptop Acer Iconia A500

  • Happy Birthday Amiga The U0026 39 Other U0026 39 Home Computer Turns 30

  • Overdrive Wiring Schematic - Dodge Shelby Dakota

  • Acer Iconia A500 Compal La

  • Teac Cd-a500

  • Hardware Block Diagram

  • Schematic Motherboard For Laptop Lenovo A500 E600

  • We Are Your Friends Images1 Yamaha Amplifier Schematic

  • Toshiba

  • Laser Hobbyists - Hobby Archives

  • Teac Cd-a500

  • Hoffman Model A500 Schematic U0026 Parts List December 1947

  • Schematic Index

  • Scheme De Amplificatoare Audio U2013 Scheme Electrice U0219i

  • Cambridge Azur 840a Sm Service Manual Free Download

  • Index Of Schematics

  • Behringer Eurolive B112d Sm Service Manual Download

  • Furnizori Chrysler

  • Samsung Galaxy A5 2017 Sm

  • Toshiba Satellite A500 La

  • A

  • Rangkaian Power Amplifier 1000 Watt

  • Pioneer Kp Guide

  • Behringer Ub2222fx Pro Service Manual Free Download

  • 46rh Transmission Repair Manuals 46re 47rh A518 A618

  • Yamaha A

  • Acer Schematics U0026 Diagrams

  • Teac Cd-a500

  • Behringer Ep1500 Service Manual Download Schematics

  • Acer Aspire One D270

  • Teac Cd-a500

  • Tascam Cd

  • Mono 25w Audio Amplifier Module Board Based On Lm1875

  • I Have A 1990 Ramcharger 318 A518 Set Up The Trans Will

  • Audio Asylum Thread Printer

  • Wiring Diagram Inverter Mitsubishi

  • 25 46re Transmission Parts Diagram

  • Pioneer Prs-a500 Xh Ew

  • Schematic Electronics

  • Service Manual Manual For Yamaha Dsp

  • 500 Watt Inverter Circuit With Battery Charger In 2020

  • Sony Alpha Dslr

  • 42re Wiring Diagram

  • Teac Cd-a500

  • Tube Diy Asylum

  • Sony Mdp-a500

  • Grommet Torque Shaft Frame Bracket Dodge 86

Copyright © 2020 - CETNIEWO2017.VILOGDANSK.EU


1937 Comments