Diagram Database

Posted by on 2020-12-30

Robert Shaw Unitrol Manual Diagram

CETNIEWO2017.VILOGDANSK.EU

Robert Shaw Unitrol Manual Diagram

  • Manual Diagram
  • Date : December 30, 2020
  • Downloaded : 6712 times

Robert Shaw Unitrol Manual Diagram Whats New

Shaw Unitrol

Downloads Robert Shaw Unitrol Manual Diagram shaw unite lvt shaw unite collection shaw unite plaster shaw unite shaw unite cove shaw unite 0926v shaw unite inlet shaw united kingdom shaw united states shaw unity carpet tile shaw unite inlet 0926v shaw united states map shaw unity tile shaw unite flooring

  • Robertshaw 9600 User U0026 39 S Manual

  • Robertshaw 9620 User Manual

  • Wiring Diagrams

  • Shaw 9610 In U0026quot Manual U0026quot Mode The Fan Won U0026 39 T Turn Off Even

  • Robertshaw Rs3110 Series Owner U0026 39 S Manual

  • Wiring Diagram Robertshaw Thermostat

  • Robertshaw 300-226 Owner U0026 39 S Manual

  • User Controls Cont Installation Instructions

  • Robertshaw

  • 34 Honeywell Gas Valve Wiring Diagram

  • Robertshaw C17

  • Robertshaw 9600 User Manual

  • Wiring Diagram Robertshaw Thermostat

  • Robertshaw 300-225 Owner U0026 39 S Manual

  • Robertshaw 300-226 Owner U0026 39 S Manual

  • Robertshaw 9500 User Manual

  • Robertshaw 300-226 Owner U0026 39 S Manual

  • Robertshaw 9610 User Manual

  • Troubleshooting

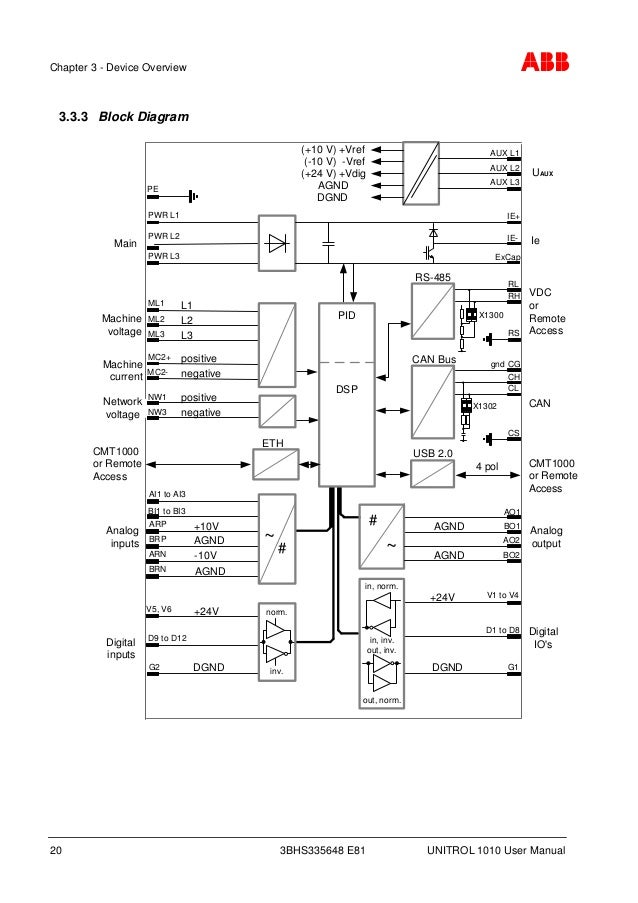
  • Zab Un1010 User Manual 3 Bhs335648 E81

  • Operation Changing Temperature Differential

  • Robertshaw

  • Robert Shaw Thermostat Manual

  • Robert Shaw Gas Valve Schematic

  • Robertshaw Gas Valve Wiring Diagram

  • Wiring Diagram Robertshaw Thermostat

  • Robertshaw Rs5110 Wiring Diagram

  • Robertshaw 9420 Wiring Diagram

  • Robertshaw Thermostat Wiring Diagram

  • Robertshaw Thermostat Wiring Diagram

  • Robertshaw Hot Water Thermostat Wiring Diagram

  • Robertshaw 9520 Thermostat Wiring Diagram

  • Robertshaw Thermostat Wiring Instructions

  • Robertshaw Gas Valve Wiring Diagram

  • Wiring Diagram Robertshaw Thermostat

  • Robertshaw Grayson 7000 Gas Valve Manual

  • Robertshaw 9620 Wiring Diagram

  • Robertshaw Gas Valve Wiring Diagram

  • Robertshaw Thermostat Line Voltage 3 Phase Wiring Diagram

  • Robertshaw Rs2210 U0421 User Manual

  • Robertshaw 9620 Wiring Diagram

  • Robertshaw 785

  • Robertshaw 9620 Thermostat Wiring Diagram

  • Robertshaw U00ae 710

  • Upgrading Robertshaw Thermostat To Qolsys Iq Z

  • Robertshaw Grayson 7000 Gas Valve Manual

  • Robertshaw 9420 Thermostat Wiring Diagram

  • Mounting Holes Fan Option Switch Controls Fan Delay

  • Wiring Diagram Robertshaw Thermostat

  • Robertshaw 9420 Wiring Diagram

  • Wiring Diagram Robertshaw Thermostat

  • Robertshaw 785

  • Zab Un1010 User Manual 3 Bhs335648 E81

  • Robertshaw 9701i2 Wiring Diagram

  • Robertshaw Grayson 7000 Gas Valve Manual

  • Robertshaw U00ae 710

  • Robertshaw Thermostat Manual

  • Wiring Diagram Robertshaw Thermostat

  • Wiring Diagram Robertshaw Thermostat

Copyright © 2020 - CETNIEWO2017.VILOGDANSK.EU


1937 Comments