Diagram Database

Posted by on 2020-12-30

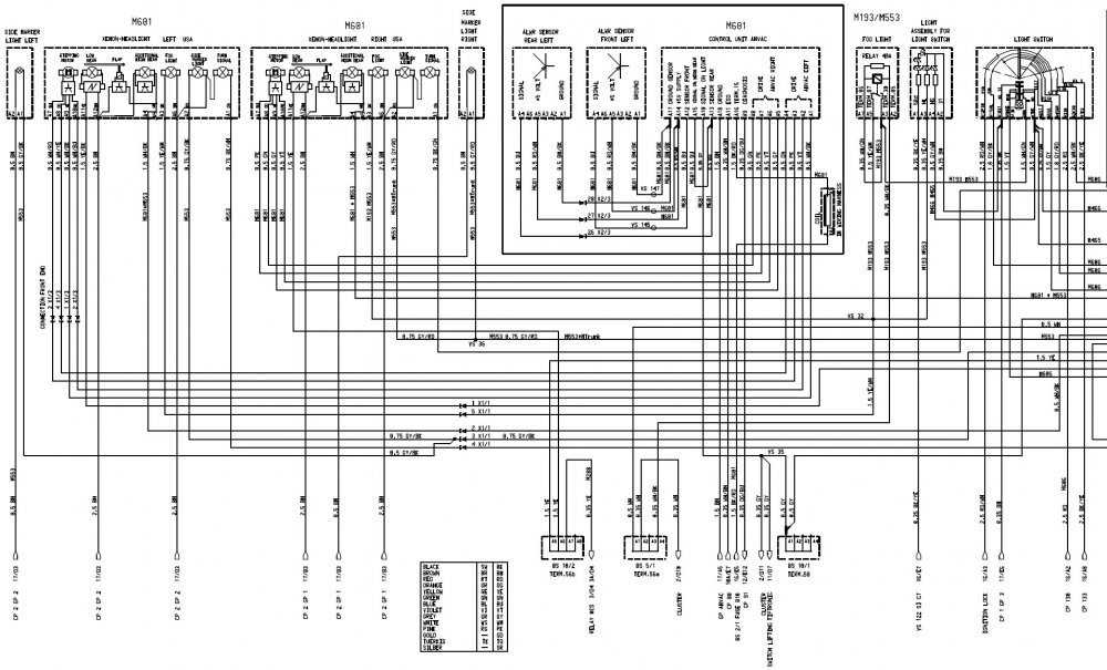
Porsche 996 Headlight Wiring Diagram

CETNIEWO2017.VILOGDANSK.EU

Porsche 996 Headlight Wiring Diagram

  • Wiring Diagram
  • Date : December 30, 2020
  • Downloaded : 6360 times

Porsche 996 Headlight Wiring Diagram Whats New

996 Headlight

Downloads Porsche 996 Headlight Wiring Diagram 996 headlight 996 headlight lens 996 headlight mod 996 headlight tool 996 headlight cover 996 headlight switch 996 headlight washer 996 headlight removal 996 headlight upgrade 996 headlight conversion 996 headlight replacement 996 headlight restoration 996 headlight conversion to 997

  • 2002 996 Turbo Wiring Diagram- Headlight

  • 2002 996 Turbo Wiring Diagram- Headlight

  • 2002 996 Turbo Wiring Diagram- Headlight

  • 2002 996 Turbo Wiring Diagram- Headlight

  • 2001 996 Turbo Xenon Headlight Wiring Diagram

  • 2002 996 Turbo Wiring Diagram- Headlight

  • 996 To 997 Headlight Conversion Need Help With Wire

  • 996 2004 Xenon Headlight Wiring Diagram

  • 2001 996 Turbo Xenon Headlight Wiring Diagram

  • 996 2004 Xenon Headlight Wiring Diagram

  • 996 2004 Xenon Headlight Wiring Diagram

  • 996 To 997 Front End Conversion Headlamp Wiring

  • Wiring Diagram For Hid Driving Lights

  • Looking For 2003 Headlight Wiring Diagram

  • Porsche 996 Wiring Diagram

  • 996 To 997 Front End Conversion Headlamp Wiring

  • Porsche 996 Wiring Diagram 2001

  • Headlight Switch Plug Wiring - Please Help

  • Boxster Headlight Switch Wiring Diagram

  • Porsche 996 Wiring Diagram 2001

  • Ducati Headlight Wiring Harness 748

  • Headlight Switch Plug Wiring - Please Help

  • Need Headlight Switch Wiring Diagram

  • Buy Porsche 996 911 1997 01

  • Headlamp Connector Housing Wiring Harness Porsche 986

  • 911uk Com - Porsche Forum View Topic

  • 986 Headlight Wiring Diagram

  • 996 To 997 Front End Conversion Headlamp Wiring

  • Wiring Diagram Type 944944 Turbo 944 S Model 87

  • Diagram Porsche Macan S Wiring Diagram Full Version Hd

  • Early 996 986 Litronic Headlights And Headlight Washer

  • Porsche 987 Headlamp Undertray 98763107301 98763107401

  • 35b0 2002 Porsche 911 Fuse Diagram

  • Genuine Porsche 996 Turbo Left Front Wiring Harness

  • Driver Side Headlamp U0026quot Flicker U0026quot

  • Rear Light Wiring Question - 986 Forum

  • I Am Stumped - Headlights

  • 986 Headlight Wiring Diagram

  • Headlamp Connector Housing Wiring Harness Porsche 986

  • Porsche 911 Wiring Diagram

  • Ca 5823 Porsche Headlight Wiring Free Diagram

  • Porsche 996 Abs Wiring Diagram

  • Headlamp Connector Housing Wiring Harness Porsche 986

  • Tarfera 24 Model 90 Sheet

  • Porsche Headlight Wiring

  • Porsche Cayenne Headlight Wiring Harnes

  • 986 Headlight Wiring Diagram

  • 997 To Gen 2 Led Drl Light Conversion Front

  • Ducati Front Wiring Harness Headlight Bucket Bracket 748

  • 944 Headlight Switch

  • Headlamp Connector Housing Wiring Harness Porsche 986

  • Porsche 928 Wiring Schematic

  • Porsche Cayenne Headlight Wiring Harnes

  • Porsche Cayenne Headlamp Wiring Harness 95563123900

  • 986 Headlight Wiring Diagram

  • Boxster Codes Poor Idle - Page 2 - Rennlist

  • 986 Headlight Wiring Diagram

Copyright © 2020 - CETNIEWO2017.VILOGDANSK.EU


1937 Comments