Diagram Database

Posted by on 2020-12-30

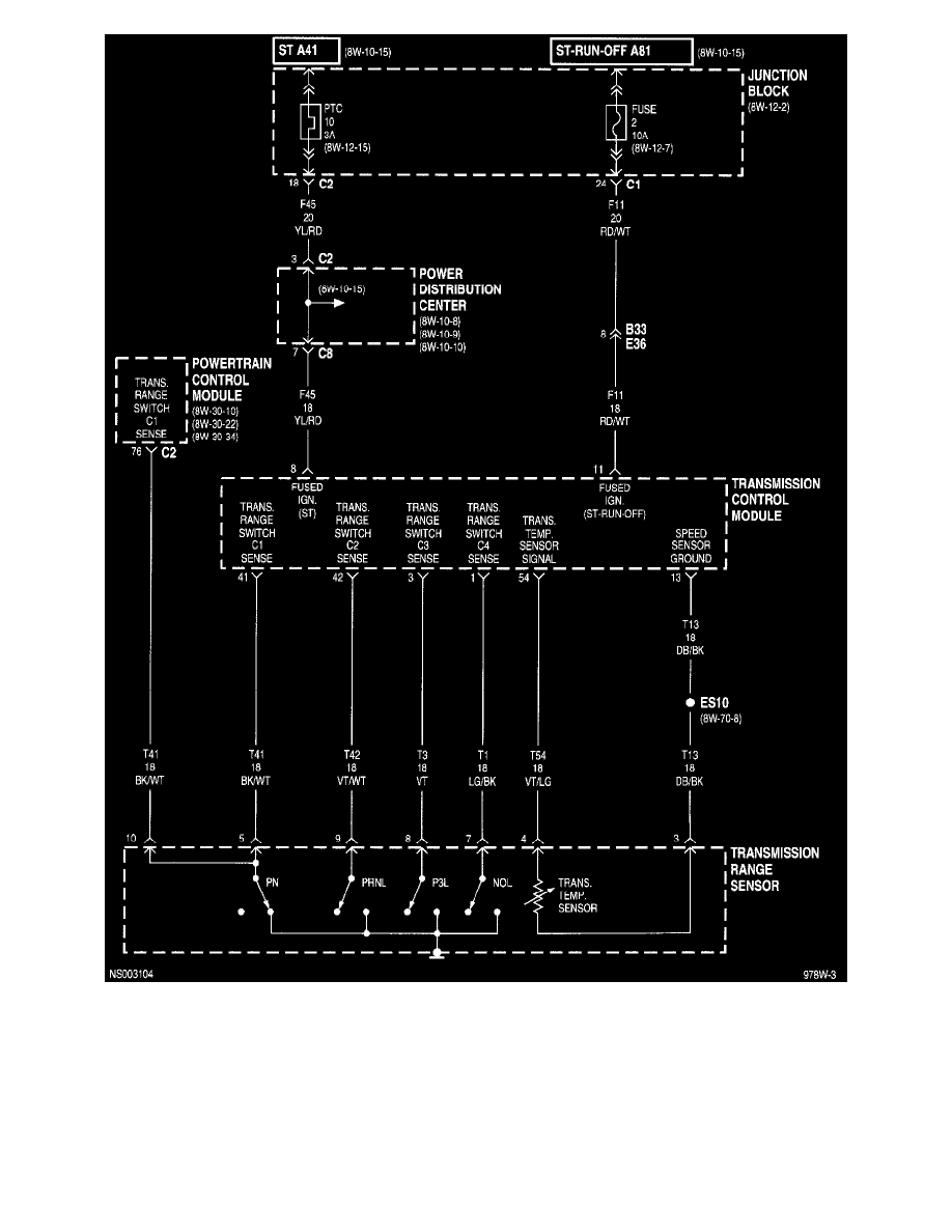
Plymouth Voyager Transmission Diagram

CETNIEWO2017.VILOGDANSK.EU

Plymouth Voyager Transmission Diagram

  • Transmission Diagram
  • Date : December 30, 2020
  • Downloaded : 6254 times

Plymouth Voyager Transmission Diagram Whats New

Voyager

Downloads Plymouth Voyager Transmission Diagram voyager voyager 2 voyager 1 voyager cast voyager crypto voyager star trek voyager episodes voyagers tv show voyager-j voyager tapestries voyager hoverboard voyager rv resort tucson az voyager fleet commander online login voyager academy voyager eskies voyager crypto exchange voyager hoverboard reviews voyager episode guide voyager 3 voyagers hq voyager sopris voyager trike kit voyager village wisconsin voyager fishing

  • I Changed The Transmission In My Sons 97 Plymouth Voyager

  • I Have A 1999 Plymouth Voyager 2 4l Eng With A 3 Spd

  • 1999 Plymouth Voyager Fuse Box Diagram

  • 2002 Chrysler Voyager 2 4 Engine Wiring Diagram Transmission

  • Transaxle Experts I Have A 99 Ply Voyager 3 3 Manufactured

  • I Need The Photo Or Diagram Showing Me The Location Of The

  • Even This Johnboy Can Diagnose 2001 Chrysler Voyager

  • I Have A 1998 Plymouth Voyager Where Is The Transmission

  • I Have A 1999 Plymouth Voyager 2 4l Eng With A 3 Spd

  • How Do You Change The Solenoid Pack On A 98 Plymouth

  • Chrysler Voyager Seal Manual Valve Position Sensor Trans

  • I Have A 1996 Plymouth Grand Voyager 3 3 With A Problem

  • New Post Pdf Online

  • I Have A 1998 Chrysler Voyager And Occasionally It Will

  • 2004 Grand Voyager Diesel Transmission Will Not Move Car

  • Chrysler Voyager Lever Manual Control Without Autostick

  • Chrysler Voyager Lever Gearshift

  • Repair Guides

  • Part 1

  • Plymouth Grand Voyager Gear Sidegear Differential Side

  • Chrysler Voyager Solenoid Transmission Lock Up Europe

  • 95 Bmw 740i Fuse Diagram

  • Chrysler Voyager Automatic Transmission Shift Indicator

  • Voyager Space Probe Diagram - Voyager Probe

  • 1994 Plymouth Grand Voyager Le -- Awd

  • Caravan Voyager 2003 Service Manual

  • 1996 Plymouth Grand Voyager Wiring Diagram

  • Used Plymouth Engine Computers For Sale

  • 1996 Plymouth Breeze Wiring Diagram

  • 1992 Plymouth Voyager Gauges And Speedometer Are

  • 97 Plymouth Voyager Wiring Diagram

  • O Ring Transmission Seal Dodge Plymouth 84

  • Plymouth Voyager Screw Hex Head M8x1 25x20 I P Floor

  • Voyager Space Probe Diagram - Voyager Probe

  • Chrysler Voyager Cooler Transmission Oil Front End

  • Chrysler Voyager Automatic Transmission Oil Pan Automatic

  • 1996 Plymouth Voyager Fuse Diagram

  • I Need The Photo Or Diagram Showing Me The Location Of The

  • Voyager 2 The First Uranus Flyby

  • Kawasaki Motorcycle 1995 Oem Parts Diagram For

  • Plymouth Voyager Cable Speed Control

  • Chrysler Grand Voyager 2 8 Diesel 2006

  • Plymouth Workshop Manuals U0026gt Voyager L4

  • Chrysler Pt Cruiser 2001

  • Where Is Park Neutral Switch Transmission Problem

  • Plymouth Grand Voyager Spring Reverse Servo Piston

  • Part 2

  • Chrysler Voyager Plate Transmission Valve Body Plns

  • Chrysler Voyager Automatic Transmission Oil Pan Automatic

  • 1996 Plymouth Grand Voyager Wiring Diagram

  • New Genuine Mopar 04799844ab Transmission Solenoid Gasket

  • 2000 Plymouth Voyager Transmission Problems

  • Plymouth Voyager Gasket Package Engine Upper Wiperlock

  • Transmission Range Sensor For Grand Voyager

  • Chrysler Voyager Solenoid Transmission Lock Up Europe

Copyright © 2020 - CETNIEWO2017.VILOGDANSK.EU


1937 Comments