Diagram Database

Posted by on 2020-12-29

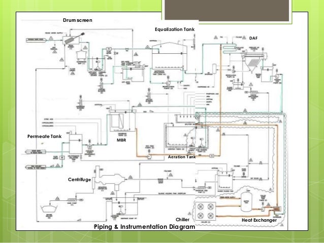
Piping Instrumentation Diagram Water Treatment Plant

CETNIEWO2017.VILOGDANSK.EU

Piping Instrumentation Diagram Water Treatment Plant

  • Treatment Plant
  • Date : December 29, 2020
  • Downloaded : 6338 times

Piping Instrumentation Diagram Water Treatment Plant Whats New

Instrumentation Diagram Water

Downloads Piping Instrumentation Diagram Water Treatment Plant

  • Process Instrumentation Solutions For Water

  • Cara Membaca P U0026id Water Treatment Plant

  • K

  • P U0026id And Isa 5 1 The Basics Of Piping And Instrumentation

  • Process And Instrumentation Drawing Example

  • What Is A P U0026id U2013 C A D

  • Panimalar Engineering College

  • Treatment U2013 Dwyer Instruments Blog

  • Where Do I Use Rotary Lobe Pumps In A Wwtp

  • Wast Cy402 Industrial Wastewater Treatment Process

  • Dissolved Oxygen Sensors

  • Free P U0026id Examples Download

  • Wastewater

  • Process And Instrumentation Drawing Example

  • Instrument Diagram Update In P U0026id Plant Designing

  • Water

  • Water Treatment Plant Typical Configuration And Processes

  • Medical Water System Manufacturer

  • Biological Vacuum Sewage Treatment Plant On Ships

  • Curacao Green U2013 Waste Water Treatment Projects To Be

  • Complete Diffused Aeration System

  • Looking After Your Supply

  • Water Treatment Plant Diagram Of The Drinking Water

  • Brackish Water Reverse Osmosis Bwro Systems Hitachi

  • Drinking Water Treatment Plant Process Flow Diagram

  • Curacao Green U2013 Waste Water Treatment Projects To Be

  • Sulaibiya Wastewater Treatment

  • Eyc Fem06 Electromagnetic Flowmeter Industry Application

  • Water Treatment Plant

  • Sewage Treatment

  • Index Of

  • Piping And Instrumentation Diagram Software

  • Water Treatment Plant Instrumentation Upgrade

  • Environmental Health Kesihatan Persekitaran Chapter 10

  • Diagram Showing How Wastewater Discharging From Wastewater

  • Process Changes Can Prevent Wastewater Treatment Odour

  • Cycle Of A Drinking Water Treatment Plant

  • Application Of The Scada System In Wastewater Treatment Plants

  • Water Treatment

  • Water Treatment Plant Process Flow Diagram Pdf

  • 1 Schematic Diagram Of Nesapakkam Sewage Treatment Plant

  • Process Flow Diagram Of The Mudor Waste Water Treatment

  • P U0026id Wastewater Treatment Symbols And Their Usage

  • High School Engineering Water And Engineering

  • Drinking Water Treatment Plant Instrumentation And

  • About

  • Automation Of The Brewing Process - August 2014

  • Electrical Control U0026 Instrumentation U2013 R V Anderson

  • Amudu Waste Water Treatment

  • Visualizing Dirty Jobs

  • Figure 1 From Monitoring Of Waterborne Parasites In Two

  • Wwt Information

  • Top 5 Water Purification Methods

Copyright © 2020 - CETNIEWO2017.VILOGDANSK.EU


1937 Comments