Diagram Database

Posted by on 2020-12-29

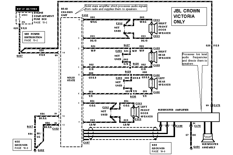
Overhead Wire Diagram 95 Crown Victoria

CETNIEWO2017.VILOGDANSK.EU

Overhead Wire Diagram 95 Crown Victoria

  • Crown Victoria
  • Date : December 29, 2020
  • Downloaded : 7226 times

Overhead Wire Diagram 95 Crown Victoria Whats New

Wire Diagram 95

Downloads Overhead Wire Diagram 95 Crown Victoria honda 954 wire diagram wire diagram 1953 ford f-100 wire diagram 94 chevy 1500 wire diagram 91 ford ranger wire diagram 99 volvo v70 wire diagram 5 pin relay wire diagram 5 way switch wire diagram 50 amp rv circuit wire diagram 5 hp electric motor wire diagram 50 amp rv receptacle wire diagram 50 amp 4 prong plug wire diagram 36 volt golf cart

  • I Have A 1995 Crown Victoria The Low Beam Headlights Will

  • 1995 Ford Crown Victoria Service Manual

  • Turn Signals And Hazard Lights Quit Working On A 95 Crown Vic

  • 95 Crown Victorium Spark Plug Wire Diagram

  • I Need A Wiring Diagram For A 1995 Crown Vic My

  • 95 Crown Victorium Spark Plug Wire Diagram

  • 1995 Ford Crown Victoria Stereo Wiring

  • Door Speaker Which Wire Is Pos And Neg

  • Mitchell On Demand

  • Where Is The Starter Relay

  • Ford Crown Victoria Radio Wiring Diagram

  • 2003 Crown Victoria Wiring Diagram

  • Need Wiring Diagram For 2006 Crown Victoria Police

  • I Have A 1996 Ford Crown Victoria My Problem Is The Dome

  • Ford Crown Victoria Radio Wiring Diagram

  • I Have A 1998 Ford Crown Victoria Police Edition The

  • Help The Wipers On My 98 Ford Crown Victoria Are Not

  • 92

  • 2007 Ford Crown Victoria Tail Lamp Doesn U0026 39 T Work

  • I Have A 2003 Crown Victoria And I Have Zero Power To My

  • 70 Unique Crown Vic Radio Wiring Diagram

  • 2008 Ford Crown Victoria Wiring Diagram

  • 1985 Ltd Crown Victoria 302 Wire Diagram For Fuel Pump Not

  • 2004 Ford Crown Victoria Speedometer Wiring Diagram

  • 1994 Ford Crown Victoria Diagrams Picture

  • 1999 Ford Crown Victoria Stereo Wiring Diagram S Wiring

  • 2001 Ford Crown Victoria Wiring Diagram

  • 2009 Crown Victoria U0026 Grand Marquis Original Wiring

  • 30 Crown Vic Radio Wiring Diagram

  • 2009 Ford Crown Victoria Police Interceptor Fuse Box

  • 2002 Ford Crown Victoria U0026 Mercury Grand Marquis

  • 1985 Ford Crown Victoria Country Squire Mercury Grand

  • 1993 Mercury Grand Marquis Does Not Start When Key Is

  • 2011 Ford Crown Victoria Mercury Grand Marquis Wiring

  • 27 Crown Victoria Vacuum Hose Diagram

  • Have A 2000 Crown Victoria Police Package Numerous Wires

  • 2003 Crown Victoria Marauder U0026 Grand Marquis Original

  • I Have A 1996 Crown Vic That Is Not Firing The Spark Plugs

  • Ford Crown Victoria Alternator Wiring Diagrams

  • 2008 Ford Crown Victoria Wiring Diagram

  • Hey Ive Got A 1997 Ford Crown Victoria Lx And The Horn Is

  • I Have A 1996 Ford Crown Victoria My Problem Is The Dome

  • Genuine Ford Service Manual 1999 Crown Victoria Grand

  • On A 2006 Ford Crown Vic What Color Wire Goes From The

  • 1988 Ford Crown Victoria Grand Marquis Wiring Diagram

  • 92

  • 1999 Crown Vic No Tailights Or Dash Lights Fuses Are Good

  • Ford Crown Vic Wiring Diagram And Ford Crown Victoria Seat

  • 2008 Ford Crown Victoria Wiring Diagram

  • I Need The Wiring Diagram For The Ignition Switch On A

  • I Have A 2008 P71 Crown Vic What Is The Fuse Number For

  • Ford Crown Victoria Radio Wiring Diagram

  • 2005 Ford Crown Victoria And Mercury Grand Marquis

  • Crown Victoria Lcm Wiring Diagram

Copyright © 2020 - CETNIEWO2017.VILOGDANSK.EU


1937 Comments