Diagram Database

Posted by on 2020-12-29

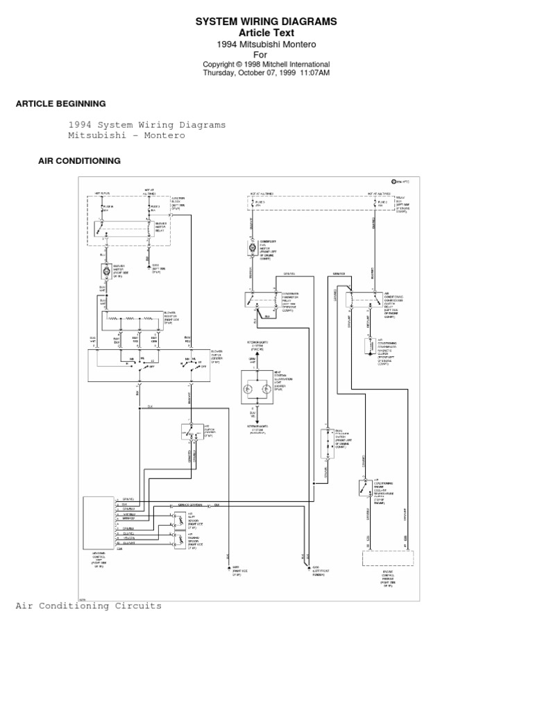
Mitsubishi Pajero V46 Wiring Diagram

CETNIEWO2017.VILOGDANSK.EU

Mitsubishi Pajero V46 Wiring Diagram

  • Wiring Diagram
  • Date : December 29, 2020
  • Downloaded : 5933 times

Mitsubishi Pajero V46 Wiring Diagram Whats New

Pajero V46

Downloads Mitsubishi Pajero V46 Wiring Diagram

  • Mitsubishi Pajero Wiring Schematic Engine Diagram

  • Pajero Central Locking Wiring Diagram

  • Pajero Central Locking Wiring Diagram

  • Pajero Wiring Diagram Pdf

  • Pajero Alternator Wiring Diagram

  • Mitsubishi Pajero Workshop And Service Manuals

  • Mitsubishi Pajero Workshop And Service Manuals

  • Diagram Mitsubishi Pajero Sport Electrical Wiring

  • Mitsubishi Pajero Light Off

  • Installing A 2din System In A Shogun Pajero Nm U2013 Step By

  • Mitsubishi Pajero Workshop And Service Manuals

  • Mitsubishi Pajero 2000 Wiring Diagram Diagrams Shogun

  • Nl Electrical Issues Interior Lighting U0026 Immobilizer

  • Pajero Wiring Diagram Pdf Fitfathers Me Best Of

  • Mitsubishi Pajero Electrical Wiring Diagrams 1991

  • Mitsubishi Pajero 1994 Wiring Diagram

  • Mitsubishi Pajero Radio Wiring Diagram

  • Mitsubishi Pajero Electrical Wiring Diagrams By

  • 94

  • Wiring Diagram Mitsubishi Pajero 1990

  • U0026gt Workshop Manual Service U0026 Repair Guide For Mitsubishi

  • Mitsubishi Montero Radio Wiring Diagram

  • Wiring U0026 Attaching Parts For 1999

  • Wiring U0026 Attaching Parts For 2001

  • Pajero Alternator Wiring Diagram

  • Wiring U0026 Attaching Parts For Mitsubishi Pajero Montero

  • Diagram Mitsubishi Pajero Sport Electrical Wiring

  • 2000 Mitsubishi Montero Sport Ls 4x4 Mt U0026quot N U0026quot Light Keeps

  • Mitsubishi Pajero Ignition Wiring Diagram

  • Mitsubishi Pajero 1982-1990 Repair

  • Mitsubishi Pajero Clutch Wiring Diagram

  • Mitsubishi Pajero Sport 2001 Year Electrical Wiring With

  • Diagram 1991 2003 Mitsubishi Pajero Montero Workshop

  • Mitsubishi Pajero Fuel Filter Location

  • Mitsubishi Pajero 2002 Workshop Manual Wiring Diagrams

  • The Mitsubishi Pajero Owners Club U00ae View Topic

  • Wiring U0026 Attaching Parts For 2003

  • Replacing The Transmission Input Sensor U2013 Step By Step

  • Pajero Central Locking Wiring Diagram

  • Wiring U0026 Attaching Parts For 1995

  • Pinin Wiring Diagram

  • Ns Trailer Towbar Control Box

  • Mitsubishi Pajero Light Off

  • Wiring U0026 Attaching Parts For 2001

  • Pajero Wiring Diagram Pdf

  • 4m41 Engine Converion

  • Wiring U0026 Attaching Parts For 1989

  • The Mitsubishi Pajero Owners Club U00ae View Topic

  • Mitsubishi Pajero Light

  • 1993 Mitsubishi Fuse Diagram

  • Mitsubishi Pajero Pinin 1999-2003

  • Diagram Mitsubishi Pajero Nl Wiring Diagram Full Version

  • Mitsubishi Pajero Io 1999 Body Repair Manual

  • Wiring U0026 Attaching Parts For 2001

Copyright © 2020 - CETNIEWO2017.VILOGDANSK.EU


1937 Comments