Diagram Database

Posted by on 2020-12-30

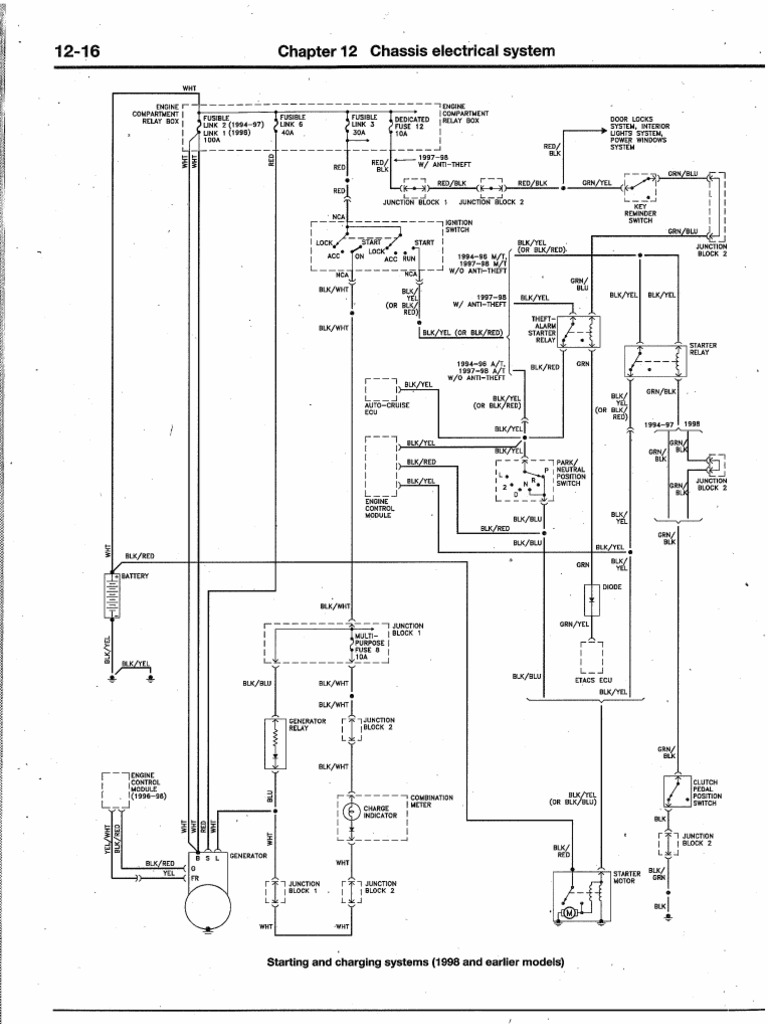
Mitsubishi Evo 4 Wiring Diagram

CETNIEWO2017.VILOGDANSK.EU

Mitsubishi Evo 4 Wiring Diagram

  • Wiring Diagram
  • Date : December 30, 2020
  • Downloaded : 7154 times

Mitsubishi Evo 4 Wiring Diagram Whats New

Evo 4

Downloads Mitsubishi Evo 4 Wiring Diagram evo 4k evo 4 review evo 4 audio interface evo 4.c evo 40 evo 43 evo 4g evo 4sq evo 4wd evo 4x evo 400 evo 401k evo 4024 evo 460 evo 4ar evo 4g64 evo 4tb evo 4x4 evo 40/56 evo 4 audio evo 4 app evo 4 car evo 4 gsr evo 4 audient

  • Mitsubishi Evo 4 Wiring Diagram

  • Evo Ecu Pinouts

  • Evo 4 Point Harness Install

  • 73 Sportster Wiring Diagram

  • 848 Evo Wiring Diagram

  • Evo Ecu Pinouts

  • Evo 8 U0026 4g64 Eclipse Galant Ecu Pinout

  • Question About Aquamist Hfs-1 Install

  • Anybody Like 4g63 Wiring Diagrams As Much As I Do

  • Evo 9 Wiring Diagram

  • Evo Sportster Wiring Diagram

  • Map Switching Harness

  • Full Race Bw 7670 W Ewg Install - Evolutionm

  • Mitsubishi Evo Usdm Wiring Diagrams For Hfs

  • Evo X Audio Wiring Diagram

  • Crane Hi-4e Ignition Module Wiring Details

  • Need Wiring Schematics Or Car Stereo On Mitsubishi Lancer

  • Ckp Sensor Tests - Evolutionm

  • How To Wire A Harley Davidson Coil New

  • Diy Cop Kit With Denso Honda Coils

  • Aquamist Hfs-5 System Official Q U0026a

  • Index Of Mirage Ecu Editting Maf T Eprom Map Tuning

  • Evo 8 Spal Fan Wiring Help - Evolutionm

  • Wiring Diagram 29 Harley Evo Oil Flow Diagram

  • Evo Ecu Pinouts

  • Connect Iat And Map Sensor Evo Maf - Link G4

  • Wiring Diagram For Evo 8-9 Gauge Cluster

  • Evo Ix Usdm Fail Safe Mac Valve Diagram

  • Evo 6 Electric Mirror Plug Wiring Diagram

  • Mitsubishi Diagrama De Ecu Del Evo Viii

  • Evo 8 Interior Light Fuse

  • Evo 9 Wiring Diagram

  • Evo 8 Wiring Diagrams

  • Evo 8 Wiring Harness Diagram

  • Mitsubishi Evolution 8 Wiring Diagram

  • Ignition Module - Page 2

  • Megasquirt Ms3pro Evo With 8 U2032 Wiring Harness

  • Alarm System Panel Basic Wiring Diagram Paradox Evo

  • Evo 8 Interior Light Fuse

  • Evo 8 Maf Wiring Diagram

  • Evo 8 Wiring Harness Diagram

  • Ms3pro Evo Ecu U2022 Infinitybox

  • C-1 Electrical Wiring Evolution-v

  • Evo X Tech Info Dtc Codes Ecu Wiring And More

  • Evo 3 Wiring Diagram Pdf

  • Mitsubishi Galant Lancer

  • Evo Ix Engine Control System Diagram

  • Evo 8 Ecu In 2g Works

  • Evo X Evo X Ecu Wiring

  • How To Log Your Aem Eugo With Evoscan

Copyright © 2020 - CETNIEWO2017.VILOGDANSK.EU


1937 Comments