Diagram Database

Posted by on 2020-12-29

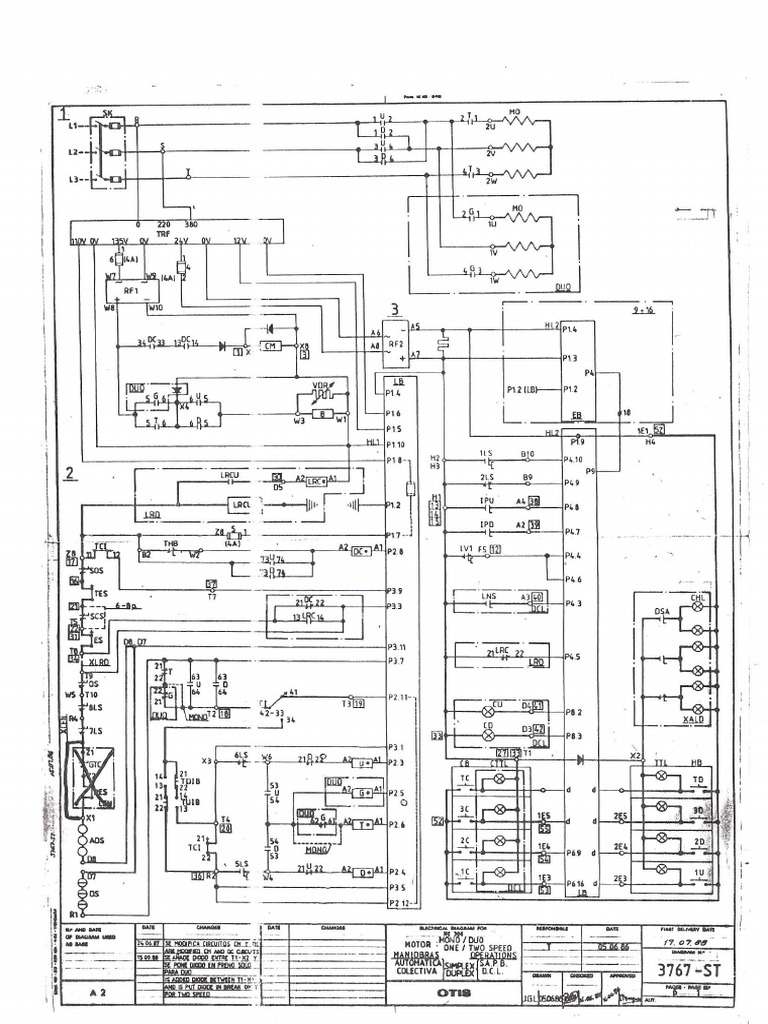
Mitsubishi Elevator Maintenance Wiring Diagram

CETNIEWO2017.VILOGDANSK.EU

Mitsubishi Elevator Maintenance Wiring Diagram

  • Wiring Diagram
  • Date : December 29, 2020
  • Downloaded : 7036 times

Mitsubishi Elevator Maintenance Wiring Diagram Whats New

Elevator Maintenance

Downloads Mitsubishi Elevator Maintenance Wiring Diagram elevator maintenance elevator maintenance control program elevator maintenance ct elevator maintenance md elevator maintenance nj elevator maintenance coop elevator maintenance fee elevator maintenance nyc elevator maintenance pay elevator maintenance rfp elevator maintenance code elevator maintenance corp elevator maintenance cost elevator maintenance jobs elevator maintenance log elevator maintenance memo elevator maintenance ohio elevator maintenance plan elevator maintenance tech elevator maintenance utah elevator maintenance contract elevator maintenance control plan

  • Collection Of Elevator Wiring Diagram Pdf Sample

  • Old Deadman Controls

  • Elevator Wiring Diagram

  • Collection Of Elevator Wiring Diagram Pdf Sample

  • Elevator Wiring Diagram

  • Collection Of Elevator Wiring Diagram Pdf Sample

  • Who Where Can I Get Help With Westinghouse Motor Wiring

  • Elevator Circuit Diagram

  • Modernization And Maintenance 1956

  • Patent Us20140209415

  • Otis Elevator Wiring Diagram

  • Collection Of Elevator Wiring Diagram Pdf Sample

  • Lionel 97 Coal Elevator Wiring

  • 3 Floor Elevator Arduino 8 Steps

  • Diagram U0026gt U0026gt An Advent Calendar For 2012 From Diagram

  • Patent Us3125319

  • How Works Elevator Diagram

  • Elevator Access Control Systems Controler Board Sa

  • Residential Elevators

  • Elevator Wiring Diagram Free

  • Image

  • Patent Us6715586

  • Elevator Electrical Wiring Diagram

  • Elevator Maintenance

  • Patent Us7434664

  • How To Lift Wiring How To Lift Operate Circuit Diagram

  • Patent Us7040457

  • Todd Balsimo

  • How To Make An App For Remote Controlling An Elevator

  • Update 11 Terminal Stopping Devices

  • Fire Alarm Elevator Recall Wiring Diagram Gallery

  • Fc

  • Elevator Access Control Board Multi

  • Elevator Control Using Door Access Readers

  • Lift Control Circuit Attached To The Wall Under Power

  • Interlock Wiring Communication System For Elevators

  • Elevator Shunt Trip Wiring Diagram

  • Wireless Host Machine

  • College Elevator Wiring Lab

  • Lionel 97 Coal Elevator Wiring

  • Index 7 - Electrical Equipment Circuit

  • Wan Wiring Diagram Of Elevator Access Control Board

  • Fire Alarm Elevator Recall Wiring Diagram Gallery

  • Elevator Shunt Trip Wiring Diagram

  • 20 Beautiful Leeson Motor Wiring Diagram

  • The Elevator System In Alert Locations Are Not Explicitly

  • Patent Us4787481

  • Elevator Drawing At Getdrawings

  • Patent Us2297359 - Elevator Control System

  • Elevator Shunt Trip Wiring Diagram

  • Elevator Access Control Types

  • Patent Us3297110

  • Elevator Call Box Intercom System For Elevator

  • Collection Of Crow River Wheelchair Lift Wiring Diagram Sample

  • Elevator Access Control Board Lift Access Control Board

  • Patent Us3297110

Copyright © 2020 - CETNIEWO2017.VILOGDANSK.EU


1937 Comments