Diagram Database

Posted by on 2020-12-30

Micromax Q381 Diagram

CETNIEWO2017.VILOGDANSK.EU

Micromax Q381 Diagram

  • Q381 Diagram
  • Date : December 30, 2020
  • Downloaded : 7106 times

Micromax Q381 Diagram Whats New

Q381

Downloads Micromax Q381 Diagram q381 icd 10 q381 q381a1003 q381 pilot q381 diagnosis q381 ankyloglossia q381 diagnosis code

  • Pbmcs From Il23r Q381 Positive Donors Have Decreased Il23r

  • Untransformed Polyclonal Il23r Q381 Positive T Cell Have

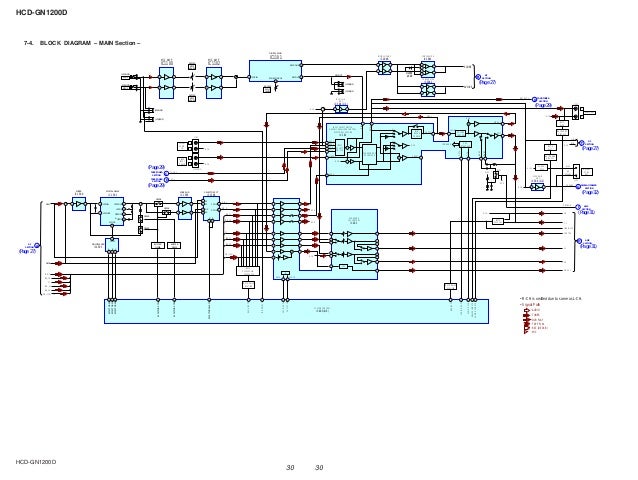
  • Sony Hcd Gn1200d

  • Jvc Av28bk5ecb

  • Sony Hcd Gn1200d

  • Sony Hcd

  • Sony Hcd Dx30 Users Manual Dx30 Rg40

  • Pioneer Pdf19

  • Tait Tel0042 Base Station Transmitter User Manual

Copyright © 2020 - CETNIEWO2017.VILOGDANSK.EU


1937 Comments