Diagram Database

Posted by on 2020-12-30

Mercury Black Max 200 Wiring Diagram

CETNIEWO2017.VILOGDANSK.EU

Mercury Black Max 200 Wiring Diagram

  • Wiring Diagram
  • Date : December 30, 2020
  • Downloaded : 7074 times

Mercury Black Max 200 Wiring Diagram Whats New

Black Max 200

Downloads Mercury Black Max 200 Wiring Diagram black max 200 hp black max 200 outboard

  • I Have A 1992 Mercury 200 Hp Black Max Fitted To My Boat

  • I Have A 1988 200 Hp Mercury Black Max Whether I U0026 39 M Warming

  • I Have A 175 Hp Mercury Black Max All The Wiring Got

  • 1997 Nitro Mercury 200 Outboard Trim Switch Wiring Diagram

  • K200

  • Mercury 2 Str Service Repair Manual 135 150 175 200 225

  • How Do I Wire An Engine Kill Switch For A Mercury Black Max

  • Electronic Control Unit Assembly For Mariner Mercury 150

  • Mercury Hi Super Mag Wiring

  • I Have A 1979 Mercury 50 Hp Removed Rectafier Last Year To

  • Ignition Coil Voltage Regulator For Mariner Mercury 175

  • Mercury 110 Early 60 S

  • I Have An Antique 1966 Chrysler 75 Hp Engine There Is No

  • 1988 Mercury 150 Xr2 Wiring Diagram

  • Viair 380c Stealth Black Dual Pack Air Compressors Air

  • Mercury Hi Super Mag Drive

  • Mercury 175 Verado Outboard Wiring Diagram

  • User Manual Electra 100 Buy Indian Kitchen

  • Maxstar 200 Sd Wiring Question

  • 2003 F250 Electrical Fuse Panel Diagram Wiring Within Ford

  • 12v Split Charge Relay Wiring Diagram

  • Mercruiser Trim Cylinder Parts Diagram

  • Viair 444c Stealth Black Air Compressor

  • Viair 485c Next Generation Compressors With Sleek New Head

  • Mercury Marine 225 Hp 3 0l Carburetor Power Trim

  • Diagrama Kawasaki Gpz600a5

  • Toshiba Camileo X200 Manual

  • Mercury 175 Verado Outboard Wiring Diagram

  • Mercury Hi Super Mag Trim

  • 1984 Checkmate 20ft 200hp Merc Blackmax Stainless Prop

  • Mercury Outboard Wiring Diagram

  • Viair 380c Stealth Black Dual Pack Air Compressors Air

  • Download Outboard Repair Manual Instantly How To Remove

  • Wire Harness Internal For Mercury Mariner 135

  • All Ford Edge Parts Price Compare

  • Revit Manual Samples

  • Wiring Diagram Ktm Superduke

  • 2001 Mercury 150 Efi Owners Manual

  • 200mm Axial Fan Induced Air Flow

  • Wiring Diagram Ktm Superduke

  • Revit Manual Samples

  • Rotork Wiring Diagram 3000

  • Mercury 135 150 175 200 Xr6 Magnum Iii

  • Fast Blinking Turn Signals On Cb160

  • Mercury Wiring Harness 96220a3 1989 135 150 175 200 Hp

  • Yamaha V6 200 Saltwater Series 2 S200 Key Wiring Diagram

  • Revit Manual Samples

  • Mercury Outboard Wiring Diagrams

  • 2421

  • Diagram Seb 1005r Camera Wire Diagram Full Version Hd

  • Revit Manual Samples

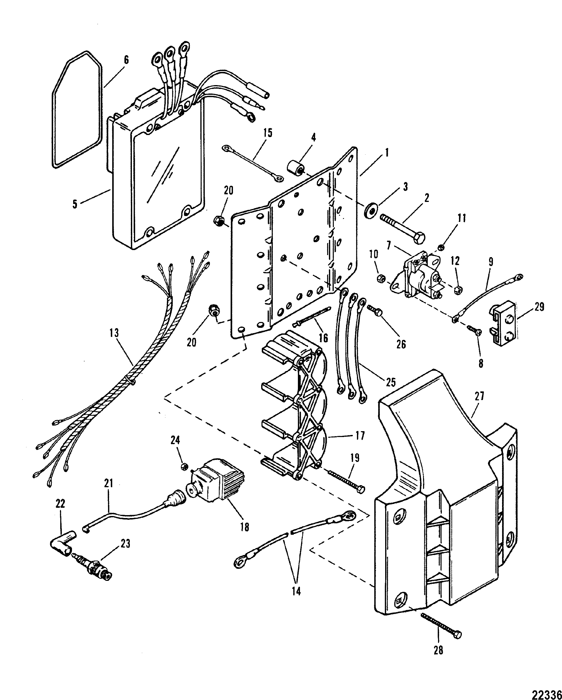
  • Mercury Mariner Outboard 135 150 175 200 225

  • P 32 Triducer Vdo Wiring Diagram

  • Re Problem With Motor Run On Water Hose Wont Run In Water

  • Wiring Diagram Ktm Superduke

Copyright © 2020 - CETNIEWO2017.VILOGDANSK.EU


1937 Comments