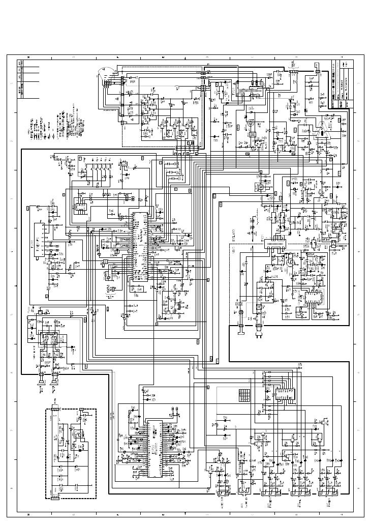
Downloads Lg Kp105 Schematic Diagram kp105 kp1052 kp1051sp kp1052sp kp105 karndean kp105 white painted oak kp105 white painted pine
1937 Comments
Finally I got this diagram ebook, thanks very helpful!
I did not think that this would work, my best friend showed me this website, and it does! I get my most wanted ebooks.
so many fake sites. this is the first one which worked! Coool :))
Just select your ebook and then click download button, and complete an offer to start downloading the ebook. If there is a survey it only takes 1 minutes, try any survey which works for you.