Diagram Database

Posted by on 2020-12-30

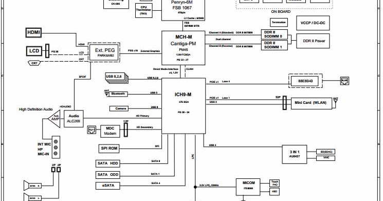
Lenovo G480 Diagram

CETNIEWO2017.VILOGDANSK.EU

Lenovo G480 Diagram

  • G480 Diagram
  • Date : December 30, 2020
  • Downloaded : 5858 times

Lenovo G480 Diagram Whats New

G480

Downloads Lenovo G480 Diagram g480 g48002 g48006 g48007 g48029 g4803 g48038 g48000m g4801dg g4801s g4802cg g480d25 g4801s-us g4802t-us g480 bios g480 hcpcs g480 specs g4800 5b00 g480 battery g480 driver g480 lenovo g4801 status g480 keyboard g480 cpt code

  • Lenovo G480 Intel Schematic

  • Lenovo G480 Amd Schematic

  • Lenovo G480 Wistron Uma 11291

  • Schematics For Lenovo G480 G580 In The Online Store At A

  • Lenovo G480 G485 G580 G585 G780 Hmm Ver 1 0 Service Manual

  • Laptop Motherboard Schematic Diagram

  • Laptop Motherboard Schematic Diagram

  • Laptop Motherboard Schematic Diagram

  • Lenovo Laptop Motherboard Schematic Diagram

  • Compaq V2000 Schematic

  • Motherboard Schematic Diagram

  • Acer 4736g La

  • 5 Things You Need To Avoid In Automatic Transmission Vehicles

  • Lenovo Ideapad G460 Schematic

  • Lenovo G580 Schematic

  • Lenovo G580 Schematic

  • Toshiba L200 Inventec Schematic Diagram

  • Compaq V2000 Schematic

  • Lenovo B450 La 14

  • Lenovo G580 Schematic

  • Engine Nissan K9k 1 5 Dci G480

  • Lenovo G580 Schematic

  • 1 Modified Scania G480 Construction Truck Used As

  • Schematic Compaq C700

  • Dv9000 Dv6000 Free Laptop Schematic

  • Lenovo G480 G485 G580 G585 55 4sg03 001g 90000300 Lg4858b

  • Lenovo G480 G480a G480m G485 G580 G585 Series Laptop Cpu

  • Lenovo G580 Schematic

  • Genuine Laptop Keyboard For Lenovo Ideapad G480 G485 Z380

  • U0411 U044b U0441 U0442 U0440 U0430 U044f U0447 U0438 U0441 U0442 U043a U0430 U043d U043e U0443 U0442 U0431 U0443 U043a U0430 Lenovo G580

  • Lenovo G480 G480a Internal Speaker Set Left U0026 Right Lg48

  • Lenovo G580 Schematic

  • Lenovo G580 Schematic

  • Lenovo G580 Schematic

  • Lenovo G580 Schematic

  • Lenovo Laptop Motherboard Schematic Diagram

  • Toshiba Nb505 Schematic Diagram

  • Lenovo G480 G480a Internal Speaker Set Left U0026 Right Lg48

  • Dell Studio Xps 1640 Schematic

  • Compaq V3500 Dv2000 Amd Schematic

  • Lenovo Ideapad Y580 Schematic

  • Acer Aspire One 756 Ao756 Q1vzc La

  • Samsung Rv408

  • Toshiba Satellite L310 Schematic

  • Compaq Cq41 Schematic

  • Acer Aspire 4720z Quanta Zo1 Schematic

  • Compaq Cq42 I5

  • Lenovo G480 G480a Internal Speaker Set Left U0026 Right Lg48

  • Lenovo G480 G480a G480m G485 G580 G585 Series Laptop Cpu

  • Compaq Nx7000 La

  • Hp Compaq Nx6110 Nc6120

  • Toshiba Satellite P755

  • Acer Aspire 4920 Tahoe Schematics

Copyright © 2020 - CETNIEWO2017.VILOGDANSK.EU


1937 Comments