Diagram Database

Posted by on 2020-12-30

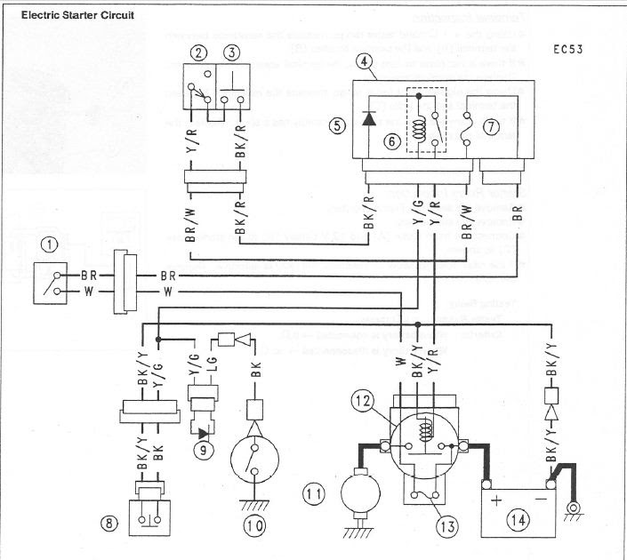
Kawasaki Drifter 800 Wiring Diagram

CETNIEWO2017.VILOGDANSK.EU

Kawasaki Drifter 800 Wiring Diagram

  • Wiring Diagram
  • Date : December 30, 2020
  • Downloaded : 5944 times

Kawasaki Drifter 800 Wiring Diagram Whats New

Drifter 800

Downloads Kawasaki Drifter 800 Wiring Diagram drifter 800 drifter 800 pics drifter 800 for sale

  • Kawasaki Vn800e2 Vulcan 800 Drifter 2002 Usa California

  • I Have A 2001 Vulcan 800 Drifter And I Turn On The Key

  • Kawasaki Vn800e1 Vulcan 800 Drifter 2001 Usa California

  • Vn800 Wiring Diagram

  • Ford 800 Wiring Diagram

  • Suzuki Vs 800 Wiring Diagram Collection

  • Tear It Up Fix It Repeat 800 Vulcan Won U0026 39 T Start

  • Kawasaki Vulcan 800 Wiring Diagram

  • Kawasaki Drifter Wiring Diagrams

  • 1994 Kawasaki Vulcan 1500 Wiring Diagram

  • Kawasaki

  • Vagabond Drifter Camper Buildout And Mods

  • Marshall Jcm 800 2205 Wiring Diagram Schematic

  • Kawasaki Drifter Wiring Diagrams

  • 1999 Vulcan Drifter 1500j Wiring Diagram

  • Razor Ground Force Drifter Electric Go Kart Parts

  • Vulcan Wiring Diagrams

  • Caravansplus

  • Razor Ground Force Drifter Wiring Diagram

  • Vn800 Wiring Diagram

  • Wiring Diagram For 1999 Kawasaki Vulcan 1500 Drifter 52

  • Razor Ground Force Go Kart Parts

  • 1999 Vulcan Drifter 1500j Wiring Diagram

  • Kawasaki Vulcan 800 Wiring Diagram

  • Wiring Diagram For 1999 Kawasaki Vulcan 1500 Drifter 52

  • Kawasaki Vulcan 800 Ignition Wiring Diagram

  • Kawasaki Vn1500r1 Vulcan 1500 Drifter 2001 Usa California

  • Wiring Diagram For Razor Ground Drifter

  • Vulcan 900 Wiring Diagram

  • 1999 Vulcan Drifter 1500j Wiring Diagram

  • 1999 Vulcan Drifter 1500j Wiring Diagram

  • Wiring Diagram For Razor Ground Drifter

  • 2001 Vulcan 1500 Wiring Diagram

  • Kawasaki Vulcan 800 Fuse Box Location

  • 20 New 1996 Suzuki Intruder 1400 Wiring Diagram

  • Kawasaki Vulcan 800 Wiring Diagram

  • 2000 Kawasaki Vulcan 1500 Wiring Diagram

  • Get 2012 Polaris Rzr 800 Wiring Diagram Sample

  • Vfr 800 Wiring Diagram

  • 2018 Polaris Ranger Ignition Switch Wiring Diagram

  • Marshall Jcm 800 2205 Wiring Diagram Schematic

  • Razor Ground Force Drifter Wiring Diagram

  • Dune Buggy Wiring Schematic Simple

  • Wiring Diagram For Razor Ground Drifter

  • Polaris Ranger 800 Wiring Diagram

  • I U0026 39 M Having Difficulty Removing The Lower Fork Covers From

  • 2012 Polaris Rzr 800 Wiring Diagram Gallery

  • Bettis Em 800 Wiring Diagram

  • 2012 Polaris Rzr 800 Wiring Diagram Gallery

  • 2012 Polaris Rzr 800 Wiring Diagram Gallery

  • Kawasaki Drifter 340 F A Wont Shut Off

  • Kawasaki Nomad 1500 Wiring Diagram

Copyright © 2020 - CETNIEWO2017.VILOGDANSK.EU


1937 Comments