Diagram Database

Posted by on 2020-12-30

Kaba Power Supply Wiring Diagrams

CETNIEWO2017.VILOGDANSK.EU

Kaba Power Supply Wiring Diagrams

  • Wiring Diagrams
  • Date : December 30, 2020
  • Downloaded : 7455 times

Kaba Power Supply Wiring Diagrams Whats New

Power Supply

Downloads Kaba Power Supply Wiring Diagrams power supply power supply calculator power supply pc power supply failure alarm power supply ratings power supply test power supply unit power supply calculator pc power supply chart power supply efficiency rating power supply diagnostic power supply tester power supply for 3090 power supply review power supply modular power supply 500w power supply cord power supply cable power supply for x570 motherboard power supply for pc fans power supply for gaming pc power supply with 8+4 cpu power supply unit for a computer power supply for lazy boy recliner power supply voltage drops on load

  • Atx Power Supply To Dc Bench Supply Build No 2

  • 0-24vdc Digital Pic Power Supply

  • Simple Designing 12v 5a Linear Power Supply

  • Power Supply Circuit

  • 0

  • Tl594 12v Dc Switch Mode Power Supply Circuit Diagram

  • Variable Work Shop Power Supply Guide

  • Low Ripple Regulated Power Supply

  • Diagram Dell Laptop Power Supply Plug Wiring Diagram

  • Digital Multiple Voltage Power Supply

  • Wiring U0026 Diagram Info 13 8 Volt 10 Amp Power Supply

  • Regulated Power Supply

  • Astec Wiring Diagram

  • Simple 0

  • 10 Amp 13 8 Volt Power Supply Description And Circuit

  • Tl494 U2013 Circuit Wiring Diagrams

  • Co2 Laser Power Supply Wiring Diagram

  • Wiring Diagram Power

  • Power Supply Diagrams U2013 Page 4 U2013 Circuit Wiring Diagrams

  • Dell Laptop Power Supply Wiring Diagram

  • Purpose Power Supply Circuit Diagram

  • Universal Digital Power Supply Circuit

  • Dell Laptop Power Supply Wiring Diagram

  • Dell Laptop Power Supply Wiring Diagram

  • Adjustable Symmetric 1 To 24vdc 1a Power Supply

  • Electrinic And Circuit Triple Power Supply

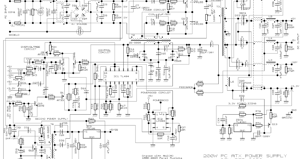
  • Tl494 200w Atx Pc Power Supply

  • Portable Power Supply Circuit

  • Blacktooth Diy Laser Cutter Engraver Assembly From

  • Computer Power Supply

  • The Simplest Power Supply Circuit

  • Electro Help Akira Lct-30kxstp - Lcd Tv

  • Dell Laptop Power Supply Wiring Diagram

  • Denon Dvd

  • Dual 15v Power Supply Schematic With Pcb 15v

  • Transformerless Power Supply Circuit Diagram

  • Variable Voltage Power Supply From Fixed Voltage Regulator

  • 0

  • Final Year Projects 5 Volt Regulated Power Supply Diagram

  • Dc Dual Power Supply Circuit Diagram 12v 15v 9v Regulated

  • Isolated Power Supply Circuit U2013 Circuit Wiring Diagrams

  • 9 Ways To Build 24v Power Supply Circuits With Easy Parts

  • Power Supplies U2013 Buildaudioamps

  • 100 Power Supply Circuit Diagram With Pcb

  • Low

  • Hp Dl145 Power Supply Wiring Diagram

  • Diy Uninterruptible Power Supply To The Rescue U2013 Web

  • Power Supply Page 13 Power Supply Circuits Next Gr

Copyright © 2020 - CETNIEWO2017.VILOGDANSK.EU


1937 Comments