Diagram Database

Posted by on 2020-12-30

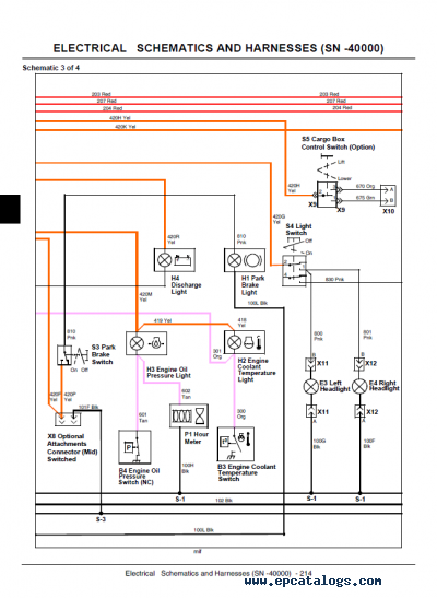
John Deere Amt 600 Wiring Diagram

CETNIEWO2017.VILOGDANSK.EU

John Deere Amt 600 Wiring Diagram

  • Wiring Diagram
  • Date : December 30, 2020
  • Downloaded : 7122 times

John Deere Amt 600 Wiring Diagram Whats New

Deere Amt 600

Downloads John Deere Amt 600 Wiring Diagram john deere amt 600 john deere gator amt 600 decals john deere gator amt 600 engine amt 600 deere amt 600 john deere gator amt 600 john deere gator parts deere amt 600 for sale

  • John Deere Amt 600 Starter

  • John Deere Amt 600 Service Manual Pdf U0026gt Donkeytime Org

  • John Deere Amt 626 Parts Parts For John Deere Amt 626

  • Amt 626 Wiring Diagram

  • Wiring Diagram For John Deere Amt 600

  • Wiring Diagram Deere Amt 600

  • John Deere Gator 4x2 Engine Diagram

  • 1970 Ford 600 Wiring Diagram

  • Horn Kit Xxxxxx- B23 - Amt John Deere Amt 600

  • 60 Beautiful John Deere Amt 600 Wiring Diagram Pics

  • John Deere Amt 622 Engine Diagram John Deere Amt 622

  • Diagram 600 Wiring Deere John Amt

  • Wiring Diagram Deere Amt 600

  • 34 John Deere Carburetor Diagram

  • Diagrams Wiring Gator 4x2 Wiring Diagram

  • Pin On Misc

  • Wiring Diagram Deere Amt 600

  • John Deere Amt 626 Wiring Diagram

  • Patent Us4561055 - Transmission Controller

  • Wiring Diagram For John Deere Gator 4x2

  • Amt 626 Wiring Diagram

  • John Deere Amt 626 Wiring Diagram

  • 34 John Deere Carburetor Diagram

  • John Deere Amt600 Amt622 Amt626 Transporters Tm1363

  • W40531 Instrument Panel - W40531

  • Wiring Diagram Jd Z425

  • John Deere Gator Starter Wiring Diagram

  • John Deere Gator Wiring Diagram

  • Diagram 600 Wiring Deere John Amt

  • Wiring Diagram Deere Amt 600

  • John Deere Gator Carburetor Diagram

  • John Deere Amt600 Amt622 Amt626 Transporters Tm1363

  • John Deere Gator Ignition Switch Wiring Diagram

  • John Deere Amt 626 Owners Manual Wales

  • John Deere Amt 622 Engine Diagram John Deere Amt 622

  • John Deere Gator Parts Diagram

  • Governor And Throttle Linkage Tringlerie De Regulateur Et

  • John Deere Amt600 Amt622 Amt626 Transporters Tm1363

  • John Deere Gator 4x2 Wiring Diagram

  • John Deere Amt 626 Wiring Diagram

  • John Deere 345 Electrical Schematic New

  • 34 John Deere Carburetor Diagram

  • John Deere Gator Starter Wiring Diagram

  • John Deere Gator Wiring Diagram

  • Wiring Diagram For John Deere Gator 4x2

  • Wiring Diagram For John Deere Gator 4x2

  • John Deere 40 Wiring Harnes

  • Wiring Diagram Mercedes 560 Sec

  • Jd 4020 Wiring Diagram

  • John Deere Amt 622 Engine Diagram John Deere Amt 622

  • John Deere Amt 626 Owners Manual Wales

  • John Deere Amt 622 Engine Diagram John Deere Amt 622

  • John Deere Amt 622 Engine Diagram John Deere Amt 622

  • John Deere Z710a Z720a Mid

Copyright © 2020 - CETNIEWO2017.VILOGDANSK.EU


1937 Comments