Diagram Database

Posted by on 2020-12-30

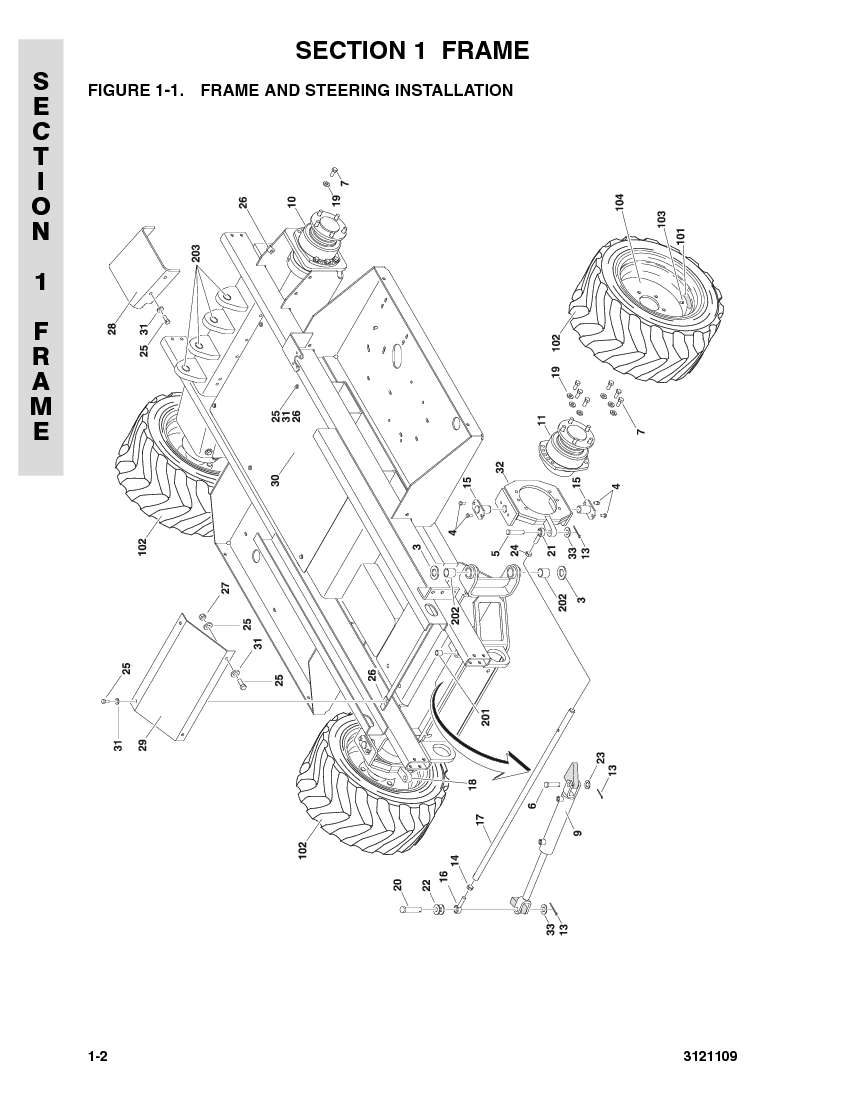
Jlg 1932e2 Wiring Diagram

CETNIEWO2017.VILOGDANSK.EU

Jlg 1932e2 Wiring Diagram

  • Wiring Diagram
  • Date : December 30, 2020
  • Downloaded : 5697 times

Jlg 1932e2 Wiring Diagram Whats New

1932e2

Downloads Jlg 1932e2 Wiring Diagram 1932e2 scissor lift 1932e2 battery charger 1932e2 scissor lift parts wiring diagram for jlg 1932e2 jlg 1932e2 wiring diagram

  • 8ac8c1 Jlg 1932e2 Wiring Diagram

  • Jlg Scissor Lift 1930es Parts Manual

  • Jlg 1932e2 Wiring Diagram

  • 8ac8 Jlg 1932e2 Wiring Diagram

  • Economy Scissor Lift Wiring Diagram

  • Jlg Lift Wiring Diagram

  • Genie Scissor Lift Wiring Diagram

  • Jlg 3246e2 Parts Manual User Manual

  • Jlg Wiring Diagram

  • Jlg Lift Wiring Diagram

  • Jlg 1932e2 Wiring Diagram

  • Jlg 3246e2 Service Manual User Manual

  • Jlg Wiring Diagram

  • Jlg Wiring Diagram

  • Jlg 3246e2 Ansi Service Manual User Manual

  • Construction Equipment Parts Jlg Parts From Gciron Com

  • Jlg Scissor Lift 1930es Parts Manual

  • 29 Jlg Scissor Lift Wiring Diagram

  • 29 Jlg Scissor Lift Wiring Diagram

  • Jlg 3246e2 Ansi Service Manual User Manual

  • Jlg Wiring Schematic

  • Jlg Lift Wiring Diagram

  • Construction Equipment Parts Jlg Parts From Gciron Com

  • Jlg 3246e2 Service Manual User Manual

  • Jlg Wiring Diagram

  • 29 Jlg Scissor Lift Wiring Diagram

  • Jlg 3246e2 Ansi Service Manual User Manual

  • Construction Equipment Parts Jlg Parts From Gciron Com

  • Jlg Wiring Diagram

  • 19 Limit Switch Adjustment Elevation Switch 20 Door

  • 8ac8c1 Jlg 1932e2 Wiring Diagram

  • Jlg 3246e2 Ansi Parts Manual User Manual

  • Jlg Scissor Lift Parts List

  • 8ac8 Jlg 1932e2 Wiring Diagram

  • 9 Pressure Settings Pressure Settings

  • Jlg Lift Wiring Diagram

  • 8ac8 Jlg 1932e2 Wiring Diagram

  • 29 Jlg Scissor Lift Wiring Diagram

  • Jlg Wiring Diagram

  • Jlg Wiring Diagram

  • Jlg Electric Scissor Es Series

  • Jlg Wiring Diagram

  • Jlg 6k

  • I2425obrmlift Eagle Performance Scissor Lift Battery

  • Jlg 1930es Scissor Lift Wiring Diagram

  • 29 Jlg Scissor Lift Wiring Diagram

  • Jlg Wiring Diagram

  • Capri Mk2 3 1 6 2 0 2 8i Wiring Diagrams

  • Hive 2 Wiring

  • Jlg Wiring Diagram

  • Jlg Wiring Schematic

  • Doerr Lr22132 Wiring Diagram

  • Jlg Wiring Schematic

  • Jlg Lift Wiring Diagram

  • Jlg Lift Wiring Diagram

  • Wheelchair Lift Wiring Diagram

Copyright © 2020 - CETNIEWO2017.VILOGDANSK.EU


1937 Comments