Diagram Database

Posted by on 2020-12-30

Jeep Wagoneer Fuel Filter Diagram

CETNIEWO2017.VILOGDANSK.EU

Jeep Wagoneer Fuel Filter Diagram

  • Filter Diagram
  • Date : December 30, 2020
  • Downloaded : 5680 times

Jeep Wagoneer Fuel Filter Diagram Whats New

Wagoneer Fuel

Downloads Jeep Wagoneer Fuel Filter Diagram jeep wagoneer fuel pump jeep wagoneer fuel tank grand wagoneer fuel tank swap wagoneer fuel injection wagoneer fuel tank swap

  • 1986 Jeep Wagoneer Fuel Line

  • 1988 Jeep Grand Wagoneer Fuel Line

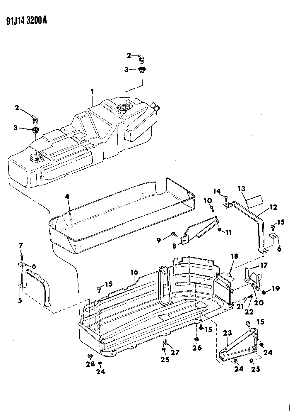
  • Jeep Wagoneer Fuel Tank

  • 53000575

  • 52018823

  • U0026 39 72 Willys J2000 Project Thread

  • Fuel Level Sending Unit 1980

  • Repair Guides

  • Fuel Tank Grand Wagoneer For Car Jeep 1993

  • How Do I Install A Fuel Filter For A Jeep Grand Cherokee

  • Trs Magazine - Ford Ranger

  • Repair Guides

  • 1991 Jeep Grand Wagoneer Fuel Tank

  • 1984 Jeep Grand Wagoneer Air Cleaner Six Cylinder

  • Jeep Wrangler Fuel Filter 1997

  • 2007 Jeep Grand Cherokee Fuel Filter U0026 Related

  • 1974 Cj5 Gas Tank And Hardware Help

  • The Unintended Consequences Of Being A Jeep Owner

  • Vapor Canister Rebuild - A New How To

  • Fuel Filter U0026 Strainer

  • Truck Parker Racor 1000fh 1000fg Turbine Series 30 Micron

  • I Have A 1984 4 0 Inline 6 And I Need A Wiring Diagram For

  • Jeep Cherokee Fuel Pump Wiring Diagram

  • The Unintended Consequences Of Being A Jeep Owner

  • 99 Cherokee Fuel Filter Location

  • Is This My Problem Fuel Filter Position

  • Wix Fuel Filter For 1985 Jeep Wagoneer 2 1l L4

  • Fuel Line Pict Needed

  • In

  • Fuel Filter For 1986

  • Pronto Fuel Filter For 1984-1991 Jeep Grand Wagoneer

  • For 1984

  • For 1972

  • Fuel Filter Hastings X549dr For Jeep Wagoneer 1971

  • For 1984

  • Patent Us6328883

  • For 1993

  • Pronto Fuel Filter For 1980-1983 Jeep Wagoneer

  • For 1986

  • 94 Jeep Wrangler Fuel Filter

  • 1994 Jeep Cherokee Fuel Filter Location

  • For 1986

  • 2012 Gu Fuel Filter Diagram

  • 2015 Jeep Wrangler Fuel Filter Location

  • Fuel Pump Amc 304 360 390 401 U0026 Jeep 304 360 401 Jeep Cj5

  • Diesel Engine Protection Kits Direction Plus Provent Systems

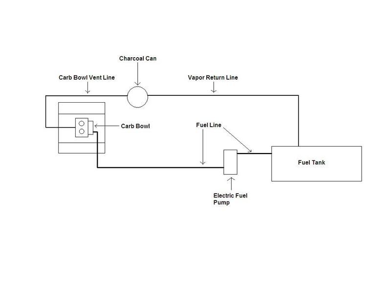
  • Electric Fuel Pump Diagram Please Complete

  • Fuel Filter

  • 2008 Jeep Wrangler Fuel Filter U0026 Related

  • 53004014

  • 2010 Jeep Wrangler Fuel Filter Location

  • Fuel Filter Location 2004

  • Tune Up Kit Air Oil Fuel Filters Cap Wire Plugs For Jeep

  • Ford Ranger Fuel Filter System Delivery Components Air

  • Barn

  • 154 1208 05 Full Size Fixins Fuel Tank Installed

  • Crown Automotive J5361389 Fuel Tank Filter Fits 1980

Copyright © 2020 - CETNIEWO2017.VILOGDANSK.EU


1937 Comments