Diagram Database

Posted by on 2020-12-30

Jeep Mando Wiring Diagram

CETNIEWO2017.VILOGDANSK.EU

Jeep Mando Wiring Diagram

  • Wiring Diagram
  • Date : December 30, 2020
  • Downloaded : 7157 times

Jeep Mando Wiring Diagram Whats New

Mando

Downloads Jeep Mando Wiring Diagram mandolin mando mandoline slicer mandolin cafe mando mondays mandolin orange mandoline mandorla mandopony mandolin chords mandolin store mandola mandolin tuning mandolin slicer mandolessons .com mandolin tuner mandoomin minecraft mandoa translation mando helmet mandolin chords chart mandolin for sale mandola's italian mandola's austin

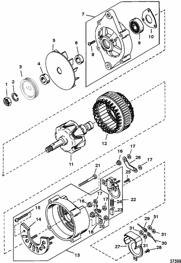
  • Mando Marine Alternator Wiring Diagram

  • Mando Marine Alternator Wiring Diagram

  • Mando Marine Alternator Wiring Diagram

  • Mando Alternator Wiring Diagram

  • Mando Marine Alternator Wiring Diagram

  • Mando Alternator Wiring Diagram

  • Mandolin Wiring Diagram

  • 21 Images 5305v Wiring Diagram

  • Gallery Of Alarm Panel Wiring Diagram Download

  • Mando A Distancia Ir Con Arduino

  • Cp Performance

  • Hh 9447 Yanmar Tachometer Wiring Question Page 1 Iboats

  • I Just Replaced My Alternator On A Mercruiser 5 7 L And It

  • Mando Marine Alternator Wiring Diagram

  • Marine Alternator 3 Wire Diagram

  • Az 7199 Bmw Motorcycle Wiring Download Diagram

  • Mando Marine Alternator Wiring Diagram

  • Mercruiser 5 7l Alpha Efi Tbi Gm 350 V

  • Mando Marine Alternator Wiring Diagram

  • Marine Alternator Wiring Diagram M59819

  • Prestolite Alternator Wiring Diagram

  • R U0026d U0026gt Product And Technology U0026gt Brake System

  • Alternators 230

  • Circuito De Un Contactor Con Marcha Paro Rele Te Png 894

  • 2004 Dodge Ram 1500 Wiring Diagram U2014 Untpikapps

  • Volvo Penta Alternator Wiring Diagram U2013 Wiring Diagram

  • Mando 6-wire Alternator Connections Page 1

  • Mando Marine Alternator Wiring Diagram

  • 1969 Ford 3 Wire Alternator Diagram

  • Alternator Wiring Mando To Gladiator

  • New Mando Alternator Omc Mercruiser Volvo Penta 807653

  • Adjust Alternator Regulator - The Hull Truth

  • Alternator Amn0012 Lucas Mando Marine Mercruiser Others

  • Alternator Amn0012 Lucas Mando Marine Mercruiser Others

  • Arco 65108 High Output Alternator 12v 75 Amp Mando

  • Alternator Marine For Mercruiser Serpentine Belt Mando

  • Alternator Mando

  • Alternator Swap - Wiring Woes - The Hull Truth

  • Omc Alternator Wiring Diagram

  • Alternator Mando

  • 66021603 Leece

  • Mercruiser 5 7l Gm 350 V

  • Prestolite Alternator Wiring Diagram

  • Prestolite Alternator Wiring Diagram

  • Trim Wiring Diagram 1974 165hp

  • Prestolite Alternator Wiring Diagram

  • Mando Trif U00e1sico

  • Mercruiser 5 7 Alternator Wiring Diagram

Copyright © 2020 - CETNIEWO2017.VILOGDANSK.EU


1937 Comments