Diagram Database

Posted by on 2020-12-30

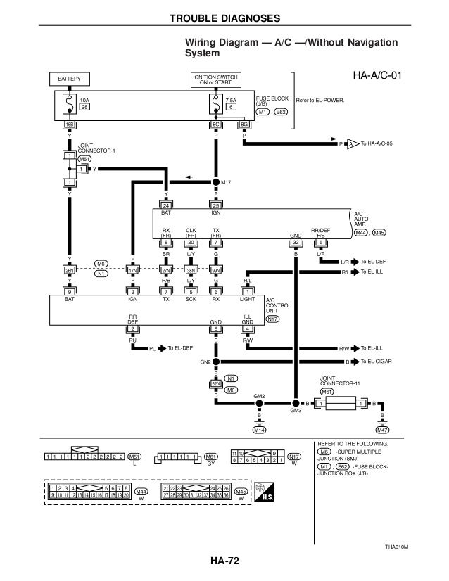
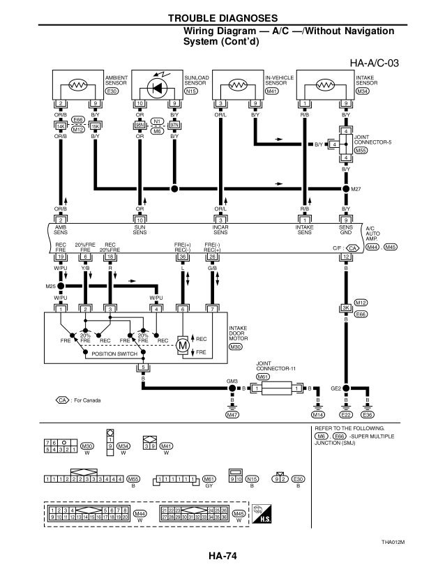
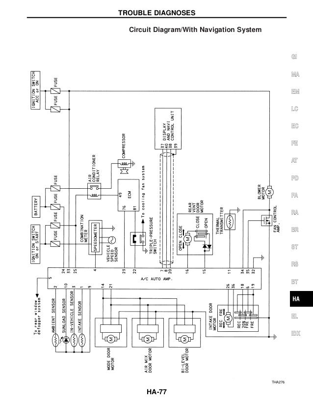
Infiniti Q45 Wiring Diagram

CETNIEWO2017.VILOGDANSK.EU

Infiniti Q45 Wiring Diagram

  • Wiring Diagram
  • Date : December 30, 2020
  • Downloaded : 5736 times

Infiniti Q45 Wiring Diagram Whats New

Q45

Downloads Infiniti Q45 Wiring Diagram q45 q45bb6lpq5 q45 1997 q45 infiniti q45 infiniti 2006 q45j q45p q45q q45r q45bb6lpqs q45.2 q450 q453e q4545 q4551 q4554 q4557 q456 q4566 q4568 q458 q45c2 q45c2 assist q45 infiniti 2002

  • Infinity Q45 1998 Front Part Electrical Circuit Wiring

  • 2003 Infiniti Q45 Engine Diagram

  • My 1998 Infiniti Q45 Will Not Turn Over I Sprayed Starter

  • 2001 Infiniti Q45 Service Repair Manual

  • 2001 Infiniti Q45 Service Repair Manual

  • 2001 Infiniti Q45 Service Repair Manual

  • 2001 Infiniti Q45 Service Repair Manual

  • 2003 Infiniti Q45 Engine Diagram

  • 95 Infiniti Q45 Wiring For Fuel System

  • 2001 Infiniti Q45 Service Repair Manual

  • Help Wiring A Q45 Throttle Body To E11v2

  • 2003 Infiniti Q45 Engine Diagram

  • 24313

  • 1997 Infiniti Q45 Fuse Box Diagram

  • 2003 Infiniti Q45 Engine Diagram

  • 60 Luxury Wiring Diagram For 1996 Q45 Images

  • Infiniti Q45 Connector Fusible Link Room Engine Cal

  • 1997 Infiniti Q45 Fuse Box Diagram

  • 1991 Q45 Ignitor Pinout

  • 2003 Infiniti Q45 Fuse Box Diagram

  • My 1998 Infiniti Q45 Will Not Turn Over I Sprayed Starter

  • 60 Luxury Wiring Diagram For 1996 Q45 Images

  • I Have A 1995 Infiniti Q45 Just Replace Wiring In Back

  • 2003 Infiniti Q45 Engine Diagram

  • 2003 Infiniti Q45 Engine Diagram

  • Mercady Q45 Fuse Box 2008

  • I Got A 1999 Q45 And Have P1400 And Replaced The Egr

  • 1995 Infiniti Alternator Wiring Diagram

  • 2002 Q45 Fuse Box

  • 60 Luxury Wiring Diagram For 1996 Q45 Images

  • File Bose Q45 Wiring Diagram

  • 35016 Hvac Blower Wiring Diagram

  • Repair Guides

  • Q45 Fuse Box Diagram

  • Mercady Q45 Fuse Box 2008

  • 24382

  • Infiniti Q45 Harness Evapolation Sub Harness Sub

  • 60 Luxury Wiring Diagram For 1996 Q45 Images

  • Infiniti Q45 Bracket Connector Cal Fed Irs

  • Infiniti Q45 Bracket Connector Body Fitting Room

  • Infiniti Q45 Fuse Box Location

  • 2003 Infiniti Q45 Engine Diagram

  • Infiniti Q45 Bracket Connector Engine Harness Harn

  • Infiniti Q45 Fuse Box Location

  • Q45 Throttle Body Wiring For Sc300 - Clublexus

  • 2002 Q45 Fuse Box

  • 60 Best Of 1999 Infiniti Qx4 Wiring Diagram Images

  • Infiniti Q45 Connector Harness Repair 2p Lamp Assy Fed

  • 60 Best Of 1999 Infiniti Qx4 Wiring Diagram Images

  • 60 Luxury Wiring Diagram For 1996 Q45 Images

  • 60 Best Of 1999 Infiniti Qx4 Wiring Diagram Images

  • 2003 Infiniti Q45 Engine Diagram

  • 2006 Infiniti M45 Fuse Box Diagram

Copyright © 2020 - CETNIEWO2017.VILOGDANSK.EU


1937 Comments