Diagram Database

Posted by on 2020-12-30

Ih 7140 Wiring Diagrams

CETNIEWO2017.VILOGDANSK.EU

Ih 7140 Wiring Diagrams

  • Wiring Diagrams
  • Date : December 30, 2020
  • Downloaded : 6913 times

Ih 7140 Wiring Diagrams Whats New

7140

Downloads Ih 7140 Wiring Diagrams 7140 downman 7140 indiana ave riverside 7140 dental code 7140 georgetown road 7140 18 mile rd 7140 divided by 35 7140+ 7140*2 7140*3 7140-1 7140/2 71400c 7140d 7140db 7140 indiana 7140 n 110th ave glendale az 85307 7140 engineer road san diego ca 92111 7140 indiana ave 7140 engineer road 7140 divided by 4 7140 divided by 7 7140 n 110th ave glendale 7140 engineer road san diego 7140 n 110th ave glendale az

  • Case Ih 7140 Wiring Schematic

  • Case Ih 7140 Wiring Schematic

  • Case Ih 7140 Wiring Schematic

  • Wiring Diagram For A Bmw

  • Electric Strikes

  • Case Ih 7140 Wiring Schematic

  • Wv 7140 Wiring Diagram For Jd Gator Ts Download Diagram

  • Case Ih 7110 7120 7130 7140 Tractor Shop Manual Pdf

  • Kenwood Radio Wiring Harness Diagram

  • Low Power Amplifier With Ic Ta7140 U2013 Circuit Wiring Diagrams

  • Case Tractor Wiring Diagram Manual

  • Case Ih 7110 7120 7130 7140 Tractor Shop Manual Pdf

  • Case Magnum Tractor 7100 7110 7120 7130 7140 7150 Service

  • Case Ih 7110 7120 7130 7140 Tractor Shop Manual Pdf

  • Diagram 1490 Case Tractor Wiring Diagrams Full Version

  • Viewing A Thread

  • Case Magnum7110 7120 7130 7140 7150 Service Workshop

  • Case Magnum7110 7120 7130 7140 7150 Service Workshop

  • Case Ih 7110 7120 7130 7140 Tractor Shop Manual Pdf

  • 1494 Case Ih Wiring Schematic

  • Case Ih Magnum 7100 U0026 7200 Series Repair Manual U00ab Youfixthis

  • Case Magnum7110 7120 7130 7140 7150 Service Workshop

  • 1494 Case Ih Wiring Schematic

  • Case Ih 7110 7120 7130 7140 Tractor Shop Manual Pdf

  • Case Ih 7110 7120 7130 7140 Tractor Shop Manual Pdf

  • Case Ih 7110 7120 7130 7140 Tractor Shop Manual Pdf

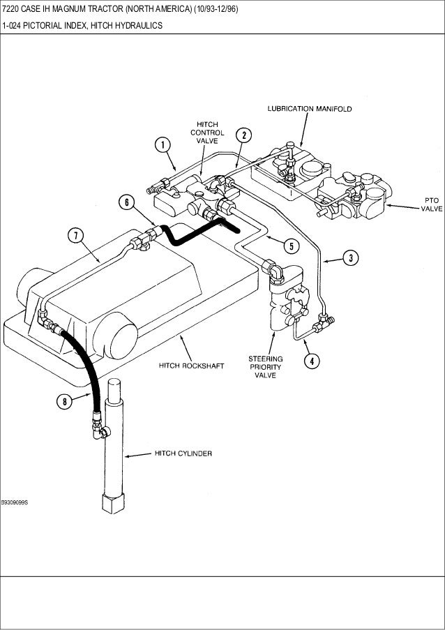
  • 7220 Case Ih Magnum Tractor North America Parts Catalog

  • Case International Tractors Models 7110

  • Case Ih Magnum 7140 Tractor 1988

  • Case International 2090 2094 2290 2294 2390 2394 2590 2594

  • Case International Tractors Models 7110

  • Case International Repair Manual Magnum 7110 7120 7130

  • Case International Tractors Models 7110

  • Case International 7110 7120 7130 7140 Shop Manual

  • Download Service Repair Manual Ebook Case Ih 7130 7140

  • Case Ih Axial Flow 5140 6140 7140 Tier 4b Final Combine

  • Diagram 580c Case Wiring Diagram Full Version Hd Quality

  • Kenwood Dnx5120 Wiring Harness Diagram

  • 1494 Case Ih Wiring Schematic

  • Kg 7140 Oil Tank Schematic Free Diagram

  • Case 2090 2290 Tractor Service Manual Repair Shop Book New

  • Diagram 580c Case Wiring Diagram Full Version Hd Quality

  • Ford Ranger Alternator Wiring Diagram

  • Diagram 580c Case Wiring Diagram Full Version Hd Quality

  • Jcb 540 Telehandler Wiring Diagram

  • Case International 7110 7120 7130 7140 Shop Manual

  • Case Ih 7140 Magnum

  • Viewing A Thread

  • Case International 7110 7120 7130 7140 Shop Manual

  • Jcb 540 Telehandler Wiring Diagram

  • Avital 4103 Wiring Diagram

  • Diagram 1490 Case Tractor Wiring Diagrams Full Version

  • 32 6 Speakers 4 Channel Amp Wiring Diagram

  • Case International Tractors Models 7110

Copyright © 2020 - CETNIEWO2017.VILOGDANSK.EU


1937 Comments