Diagram Database

Posted by on 2020-12-30

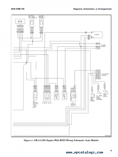
Hyster H80xl Wiring Diagram

CETNIEWO2017.VILOGDANSK.EU

Hyster H80xl Wiring Diagram

  • Wiring Diagram
  • Date : December 30, 2020
  • Downloaded : 5968 times

Hyster H80xl Wiring Diagram Whats New

H80xl

Downloads Hyster H80xl Wiring Diagram h80xl h80xl hyster h80xl parts manual h80xl hyster forklift manual h80xl free parts manual pdf

  • Free Hyster Forklift Wiring Diagram

  • Hyster Challenger H70xl H80xl H90xl H100xl H110xl H90xls

  • Free Hyster Forklift Wiring Diagram

  • Hyster Monitor Wiring Diagram

  • Free Hyster Forklift Wiring Diagram

  • Free Hyster Forklift Wiring Diagram

  • Hyster Monitor Wiring Diagram

  • Hyster Class 5 For G005 Engine Trucks Pdf Repair Manual

  • Hyster 50 Wiring Schematic

  • Free Hyster Forklift Wiring Diagram

  • Hyster Monitor Wiring Diagram

  • Early 1920 U0026 39 S Apperson And Buick Wiring Diagrams

  • Deckel Fp1 Wiring Question

  • Hyster Monitor Wiring Diagram

  • 72 Jd 110 Wiring Problems - John Deere Tractor Forum

  • Wiring Your Basement- Basement Electric Design Plan

  • Hyster 50 Wiring Schematic

  • Forklift Drawing At Getdrawings

  • Hyster Class 2 Electric Motor Narrow Aisle Trucks Repair

  • Free Hyster Forklift Wiring Diagram

  • 31 Hyster Forklift Parts Diagram

  • Hyster Challenger H70xl H80xl H90xl H100xl H110xl H90xls

  • Hyster Monitor Wiring Diagram

  • Hyster H100xm Wiring Diagram

  • Clark Forklift Parts Manual

  • Hive 2 Wiring

  • Hyster Class 3 Electric Motor Hand Trucks Repair Manuals

  • Thunderdork Diy Cnc Router - Cnc4pc Com C11 Wiring

  • W1209 12volt Dc Digital Temp Controller Wiring Diagram

  • Doerr Lr22132 Wiring Diagram

  • Ford 1l2f

  • Hyster 50 Wiring Schematic

  • Hyster Class 5 For G005 Engine Trucks Pdf Repair Manual

  • Hyster 50 Wiring Diagram

  • Dyson Dc24

  • You Meet The Nicest People On A Honda

  • Hyster S70 Wiring Diagram

  • Wiring Diagram For Alternator And Starter

  • Electrical Diagram For -79 240d

  • Jd 110 Wiring Help - John Deere Tractor Forum

  • Hyundai Car Radio Stereo Audio Wiring Diagram Autoradio

  • Hyster Class 4 F187 S40

  • Hyster Class 5 Internal Combustion Engine Trucks

  • Kz650 Info

  • Wiring Diagram For Alternator And Starter

  • How To Diy Pw50 Wire Diagram Volt Ohms Electric No Spark

  • Hyster 50 Wiring Diagram

  • Hyster F005 H70xl H80xl H90xl H100xl H110xl Forklift

  • 2004 Subaru Radio Wiring Diagram

  • Hyster Challenger H135xl H155xl F006 Forklift Pdf

  • Need Wiring Diagram Schematic For 2004 Ford Ranger 4x4 V6

  • Changing Input Voltage On Motor From 110v To 220v

  • 2004 Subaru Radio Wiring Diagram

  • Free Hyster Forklift Wiring Diagram

  • Hyster Forklift Parts Manuals

  • Hlv H Power Feed Wiring Picture Needed

  • Capri Mk2 3 1 6 2 0 2 8i Wiring Diagrams

  • Progressive Dynamics Charger Converter 80 Amp Inteli Power

Copyright © 2020 - CETNIEWO2017.VILOGDANSK.EU


1937 Comments