Diagram Database

Posted by on 2020-12-29

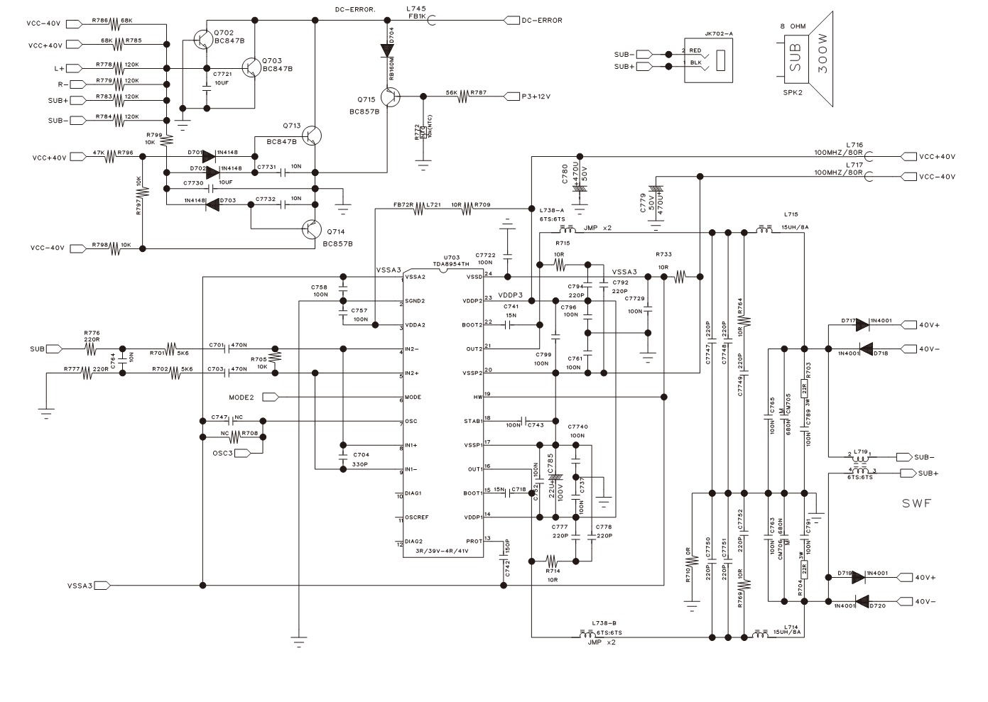
How To Read Printed Circuit Board Diagram

CETNIEWO2017.VILOGDANSK.EU

How To Read Printed Circuit Board Diagram

  • Board Diagram
  • Date : December 29, 2020
  • Downloaded : 6204 times

How To Read Printed Circuit Board Diagram Whats New

To Read Printed Circuit

Downloads How To Read Printed Circuit Board Diagram how to read a printed circuit board how to read a printed circuit board drawing how to read printed circuit board

  • Reading Schematics And Pcb Boards 101 Electronic Circuit

  • How To Read Printed Circuit Board Diagram

  • Reading Schematics And Pcb Boards 101 Electronic Circuit

  • How To Read Printed Circuit Board Diagram

  • Reading Schematics And Pcb Boards 101 Electronic Circuit

  • Skill Builder Reading Circuit Diagrams

  • Reading Schematics And Pcb Boards 101 Electronic Circuit

  • How To Read Circuit Diagrams 4 Steps

  • Illustration Of A Printed Circuit Board Source Das

  • How To Read Schematics For Dummies Pdf

  • Printed Circuit Board Layout

  • Printed Circuit Boards And Schematc Diagrams

  • Printed Circuit Board Lying On Diagram Of Electronics

  • Printed Circuit Board Lying On Diagram Of Electronics

  • Raspberry Pi Printed Circuit Board Pcb Diagram

  • Schematic Diagram Of A The Final Fabricated Device

  • Printed Circuit Board Lying On Diagram Of Electronics

  • Printed Circuit Board Lying On Diagram Of Electronics

  • Printed Circuit Board Drill

  • Circuit Board Layout For Emc Example 1

  • Printed Circuit Board Lying On Diagram Of Electronics

  • Electronic Diagrams Prints And Schematics

  • Block Diagram Of The Waveform Printed

  • A The Designed Electronic Components On A Printed

  • Create Schematic Diagram From Printed Circuit Board By

  • Philips Fwm6500 - Schematic Diagrams

  • Printed Circuit Board Structures

  • Philips Fwm6500 - Schematic Diagrams

  • Basics Of Printed Circuit Board Pcb Design

  • Why We Need To Restore Printed Circuit Board Schematic Diagram

  • Build An Led Bargraph Optical Tachometer

  • Evatronix

  • Printed Circuit Board And Cable Of Multimeter On Diagram

  • Printed Circuit Board Precision Tools And Cable Of

  • Electronic Wiring Diagram For Dummy

  • Diagram Of Electronics Printed Circuit Board And Cable Of

  • Read A Guide To Printed Circuit Board Design Online By

  • Electro Help Philips Fwm6500

  • The Layout Diagram Of The Printed Circuit Board And Its

  • Figure 1 832 Printed Circuit Board Schematic Diagram

  • How To Read Circuit Diagrams 4 Steps

  • Printed Circuit Board Circuit Diagram Software

  • Emc And The Printed Circuit Board Design Theory And Layout

  • Reading Schematics And Pcb Boards 101 Electronic Circuit

  • Technological Diagram Of The Destruction Of Printed

  • Printed Circuit Board And Cable Of Multimeter On Diagram

  • How To Design Efficient Printed Circuit Board Pcb Layout

  • Printed Circuit Board Design Diagram And Assembly

  • Printed Circuit Board Lying On Diagram Of Electronics

  • 1970 Maverick Printed Circuit Board Supplementary Wiring

  • Pcb Printed Circuit Board Prototype Of The Proposed

  • Populated Printed Circuit Board Pcb Of The Described

  • Electrical And Electronic Drawing

Copyright © 2020 - CETNIEWO2017.VILOGDANSK.EU


1937 Comments