Diagram Database

Posted by on 2020-12-30

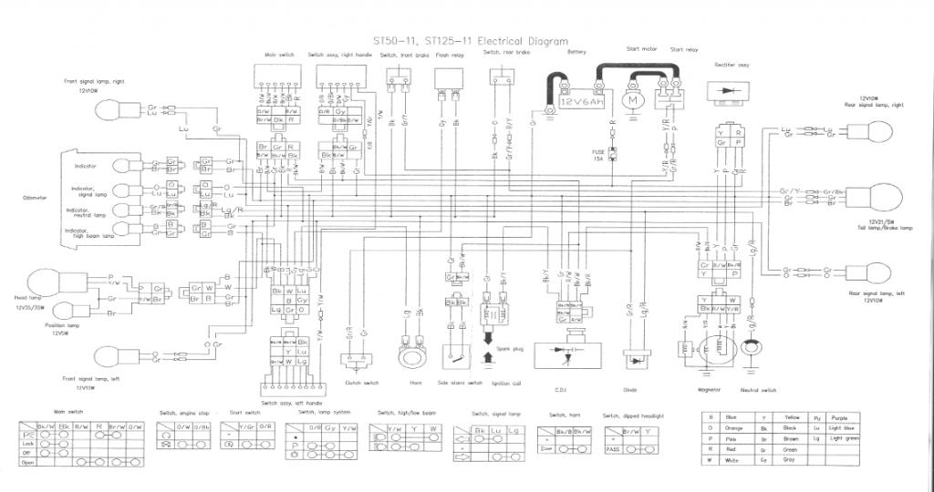
Honda Dax Wiring Diagram

CETNIEWO2017.VILOGDANSK.EU

Honda Dax Wiring Diagram

  • Wiring Diagram
  • Date : December 30, 2020
  • Downloaded : 7180 times

Honda Dax Wiring Diagram Whats New

Dax

Downloads Honda Dax Wiring Diagram dax shepard dax dax studio daxko dax shepard podcast daxko operations dax aktuell dax flame dax shepard relapse daxter dax rapper dax prescott injured dax locke daxx fashion sneakers daxton hill dax 30 dax youtube dax raymond dax harwood daxko operations login daxko accounting dax and kristin news dax international daxko login

  • 98 Schema Electrique Honda Dax 6v

  • 35 Schema Electrique Honda Dax 12v

  • 35 Schema Electrique Honda Dax 12v

  • 66 Schema Electrique Honda Dax 6v

  • Sch U00e9mas U00c9lectriques Honda Dax St 70 50 Z50a

  • Schema Electrique Dax Skyteam 125

  • Elektrik U2013 Honda Dax Wiki

  • Sch U00e9ma U00e9lectrique Dax Skyteam U2013 Motorkit U2013 Bienvenue Sur

  • 35 Schema Electrique Honda Dax 12v

  • 91 Schema Electrique Honda Dax 12v

  • Ooracing

  • Honda St70 Wiring Diagram

  • Schema Electrique Dax Skyteam

  • Honda St70 Wiring Diagram

  • Schema Faisceau Electrique Dax Skyteam

  • Hildo U0026 39 S Skyteam Dax Upgrade 150cc

  • 12v Cdi Electrical Guru Needed

  • Schaltplan Blinker 6 Volt

  • Honda St70 Dax France Steering Handle

  • Le Site De Dapi Dax Honda St50 St70 Z50 Ab23 La

  • St70 Wiring Diagram Page Honda St70i St70d And St70ii

  • A Monkey On My Back - My Next Build

  • Honda 70 Dax Parts Catalog Wiring

  • Honda St70 Dax 1996 T France Frame Body

  • Schaltplan S50 6v Elektronik Pdf

  • 12v Cdi Electrical Guru Needed

  • Honda St50s Dax Japan Wire Harness

  • Kickstart Only Motorcycle Ignition Wiring

  • Honda 70 Dax Parts Catalog Wiring

  • Honda St50 Uk Wiring Schematic - Honda 4-stroke Net

  • Honda St50 Dax 1990 L Germany Wire Harness Ignition

  • Honda St70 Dax England Wire Harness - Battery

  • Honda St70 Dax 1982 C South Africa Wire Harness

  • Honda 70 Dax Parts Catalog Wiring

  • Ooracing

  • June 2012

  • Schema Electrique Dax Skyteam

  • Schema Electrique Dax Skyteam

  • 63 Schema Electrique Honda Dax

  • Dax Cobra Build January 2013

  • Honda Ct70 Trail 70 K0 1969 Usa Handlebar

  • Wiring Harness Labelling

  • Bild

  • Honda Dax St70

Copyright © 2020 - CETNIEWO2017.VILOGDANSK.EU


1937 Comments