Diagram Database

Posted by on 2020-12-30

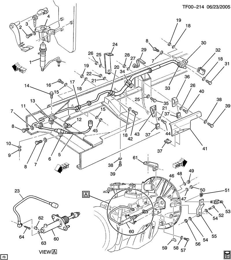
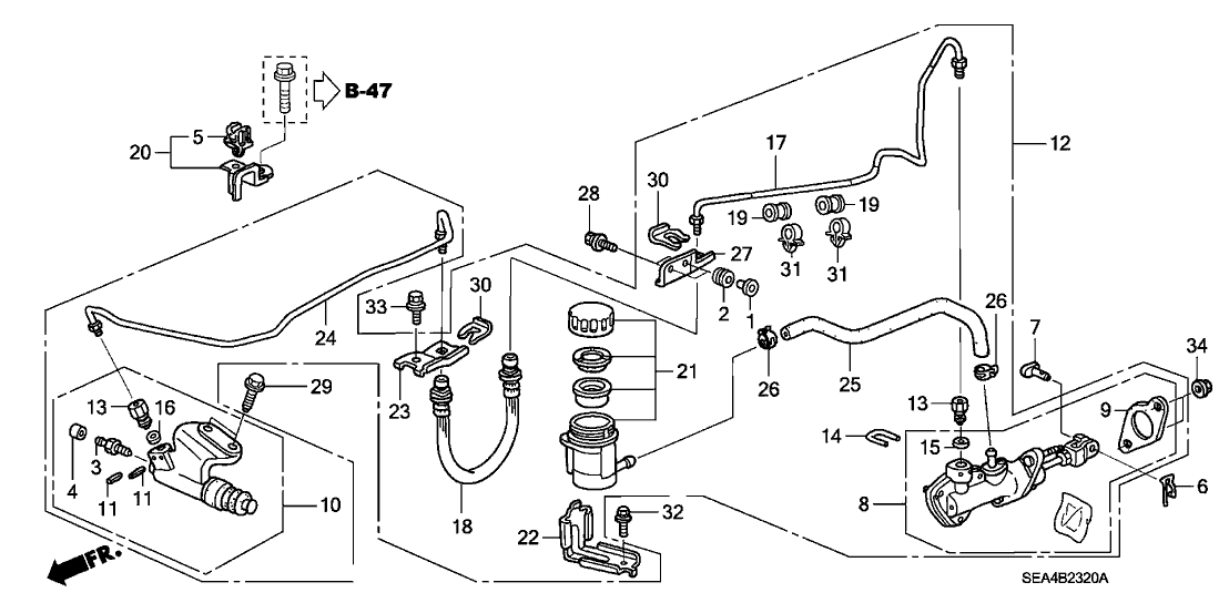
Hhr Slave Cylinder Diagram

CETNIEWO2017.VILOGDANSK.EU

Hhr Slave Cylinder Diagram

  • Cylinder Diagram
  • Date : December 30, 2020
  • Downloaded : 6763 times

Hhr Slave Cylinder Diagram Whats New

Slave

Downloads Hhr Slave Cylinder Diagram

  • Faulty Clutch Slave Cylinder Symptoms

  • Solved Bled My Clutch Slave Cylinder Wrong

  • Slave Cylinder And Related - Diagram View

  • Slave Cylinder Parts

  • Slave Cylinder And Pipe Canley Classics

  • Where Is The Clutch Slave Cylinder

  • 2007 Hyundai Sonata Slave Cylinder Location

  • Slave Cylinder And Clutch Operation Canley Classics

  • 2007 Hyundai Sonata Slave Cylinder Location

  • Jeep Wrangler Jk 2007 To Present How To Replace Clutch

  • Repair Guides

  • Clutch Slave Cylinder Removal And Installation

  • Do You Have An Illustration On How To Rebuild The Clutch

  • Viamoto Car Parts Toyota Gt86 Zn6 Parts Toyota Gt86

  • Toyota Land Cruiser Clutch Slave Cylinder Concentric

  • 2015 Fiat Slave Cylinder Assembly Clutch After 03 01

  • 01 Kodiak Isuzu T6500

  • Master And Slave Cylinders

  • Clutch And Slave Cylinder

  • Where Is The Bleeder Valve On A Hyundai Lantra Wagon

  • Honda Motorcycle 1984 Oem Parts Diagram For Clutch Slave

  • 5106032aa

  • Ford Ranger Clutch Master Cylinder Diagram

  • Toyota 4runner Clutch Slave Cylinder Repair Kit Cylinder

  • Clutch Slave Leaking

  • I Just Replaced The Clutch On My 91 Mx5 And Now The Clutch

  • How To Bleed A Clutch

  • Pin On Element

  • Inne I Bilen Hydraulic Clutch Master Cylinder Diagram For

  • This Morning My Clutch Is Feeling Really Loose And It U0026 39 S

  • 2013 Dodge Dart Actuator Cylinder Clutch Slave

  • Dorman U00ae

  • Clutch Slave Cylinder For 96 K Pickup 5 0l

  • Toyota Tercel Clutch Slave Cylinder Concentric Slave

  • 46930-swa-g11

  • Clutch Slave Cylinder Repair Kit Porsche 924 92811690100

  • 46930-s7c-e02

  • 1999 Ford Escort Hydraulic Clutch Diagram Reservoir

  • Defender 4 Cylinder Clutch Throwout Assembly U0026 Slave

  • Slave Cylinder Wiring Diagram

  • Honda Motorcycle 1986 Oem Parts Diagram For Clutch Slave

  • Repair Guides

  • 52125158ad

  • 2013 Clutch Or Transmission Rattle

  • Clutch Master Cylinder Diagram

  • Thesamba Com Vanagon - View Topic

Copyright © 2020 - CETNIEWO2017.VILOGDANSK.EU


1937 Comments