Diagram Database

Posted by on 2020-12-30

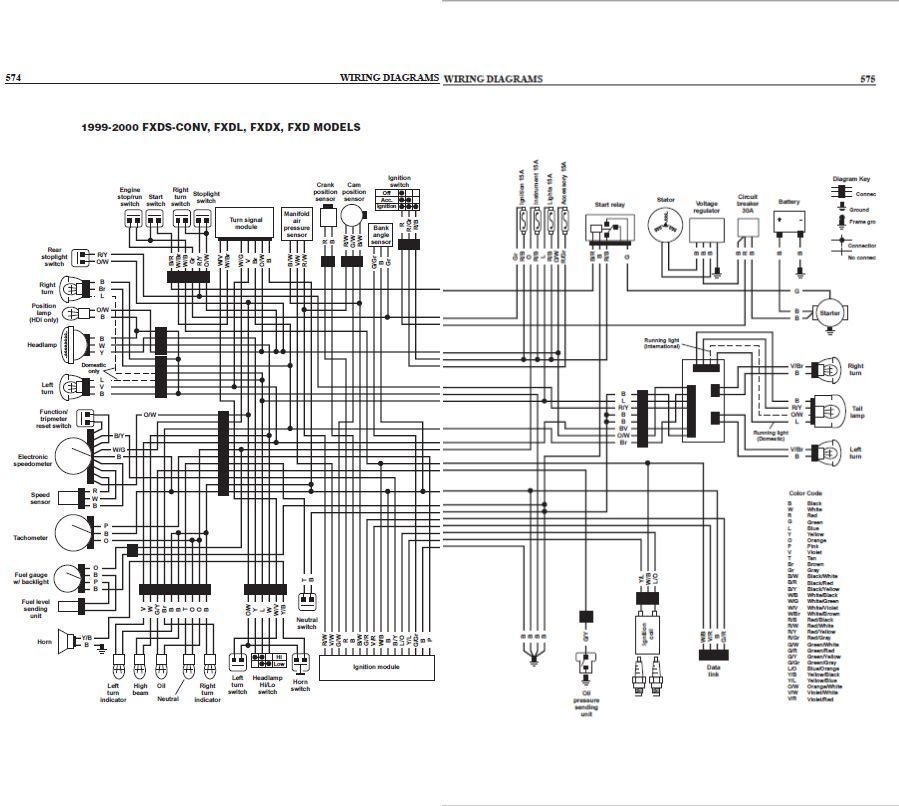
Harley Davidson Fuel Gauge Wiring Diagram

CETNIEWO2017.VILOGDANSK.EU

Harley Davidson Fuel Gauge Wiring Diagram

  • Wiring Diagram
  • Date : December 30, 2020
  • Downloaded : 6553 times

Harley Davidson Fuel Gauge Wiring Diagram Whats New

Davidson Fuel Gauge

Downloads Harley Davidson Fuel Gauge Wiring Diagram harley davidson flush fuel gauge and cap harley davidson fuel pressure gauge adapter

  • I Have A 2007 Harley Davidson Softail Classic Flstc My

  • Fuel Gauge Wiring Confusing - Page 2

  • Harley Davidson Fuel Gauge Sending Unit

  • 08 Fuel Sender Wiring Help

  • 08 Fuel Sender Wiring Help

  • 00fxdx Gas Gauge Quit Working

  • Harley Fuel Gauge Wiring Best Harley Fuel Gauge Wiring

  • How Do I Wire The Fuel Level Float To The Guage

  • Fxd U0026gt Fxdl Fuel Tank Conversion - Page 7

  • Basic Wiring Diagram Fuel Gauge

  • Wiring Diagram

  • Harley Fxr Turn Signal Wiring Diagram Honda Cb750

  • Fuel Gauge Wiring Confusing - Page 2

  • Harley Wiring Diagrams

  • 08 Fuel Sender Wiring Help

  • Roadglide Fairing Install - Page 4

  • Spridgetguru Com

  • Harley Fuel Gauge Wiring Simple Harley Pressure Gauge

  • 30a Circuit Breaker

  • 08 Fuel Sender Wiring Help

  • Harley Fuel Gauge Wiring Professional Ponent 2012 Road

  • Harley No Fuel Gauge Wiring

  • -- 2015 Sportster Wiring Diagram --

  • Fat Bob Gauge Small Or Big Connector

  • Harley Davidson Voltage Regulator Wiring Diagram

  • -- 2015 Sportster Wiring Diagram --

  • Harley Fuel Gauge Wiring Popular Harley Fuel Gauge Wiring

  • 2009 Harley Sportster Wiring Diagram

  • Fuse Box Harley Davidson Softail

  • Road Glide

  • Electric Oil Pressure Gauge Wiring Diagram

  • Harley Davidson 1988 93 Flhs 59455

  • 2006 Harley Davidson Night Train Wiring Diagram

  • Gray Wire Stalking My Every Move

  • Drag Specialties Kmh Speedo Speedometer Tach U0026 Harness For

  • Identify Led Fuel Gauge

  • If You Have 06

  • Diagram Street Glide Speedometer Wiring Diagram Full

  • 2014 Harley Dyna Service Repair Manual

  • 1996 Harley Davidson Road King Wiring Diagram

  • Diagram Street Glide Speedometer Wiring Diagram Full

  • Basic Wiring Diagram Fuel Gauge

  • Harley Wiring Connectors

  • Basic Wiring Diagram Fuel Gauge

  • 2006 Harley Davidson Night Train Wiring Diagram

  • Harley

  • Fuel Gauge Wiring Confusing - Page 2

  • Wiring Diagram For Motorcycle Tachometer

  • Basic Wiring Diagram Fuel Gauge

  • Diagram Street Glide Speedometer Wiring Diagram Full

  • Wiring Help Needed

  • 2001 883 Sportster Wiring Diagram

  • Starter Relay Wiring Diagram Harley 03 Road Glide

  • Need Help From The Electical Gurus On Re Pinning A

  • Basic Wiring Diagram Fuel Gauge

  • Fuel Gauge Wiring Diagram

Copyright © 2020 - CETNIEWO2017.VILOGDANSK.EU


1937 Comments