Diagram Database

Posted by on 2020-12-29

Gs Moon Wiring Diagrams

CETNIEWO2017.VILOGDANSK.EU

Gs Moon Wiring Diagrams

  • Wiring Diagrams
  • Date : December 29, 2020
  • Downloaded : 6373 times

Gs Moon Wiring Diagrams Whats New

Moon

Downloads Gs Moon Wiring Diagrams moon moon disappear 1110 moonbase 8 moon phase today moonlight moon phases mooncake moonpod moonpod chairs moonstruck moonstone moonlight sonata moon rise tonight moonraker moonrise today moon sign moonshine moon calendar moonkitti moon cycle moonshiners moon knight moon sign calculator moon phases 2020 moon pod bean bag

  • Lunar Phases Diagram

  • Gsmoon Wiring Diagram

  • 34 Diagram Of The Phases Of The Moon

  • Lunar Phases Diagram

  • Lunar Phases Diagram

  • Wiring Diagram 31 Lunar Phases Diagram

  • Cm Lodestar Hoist Pendant Wiring Diagram

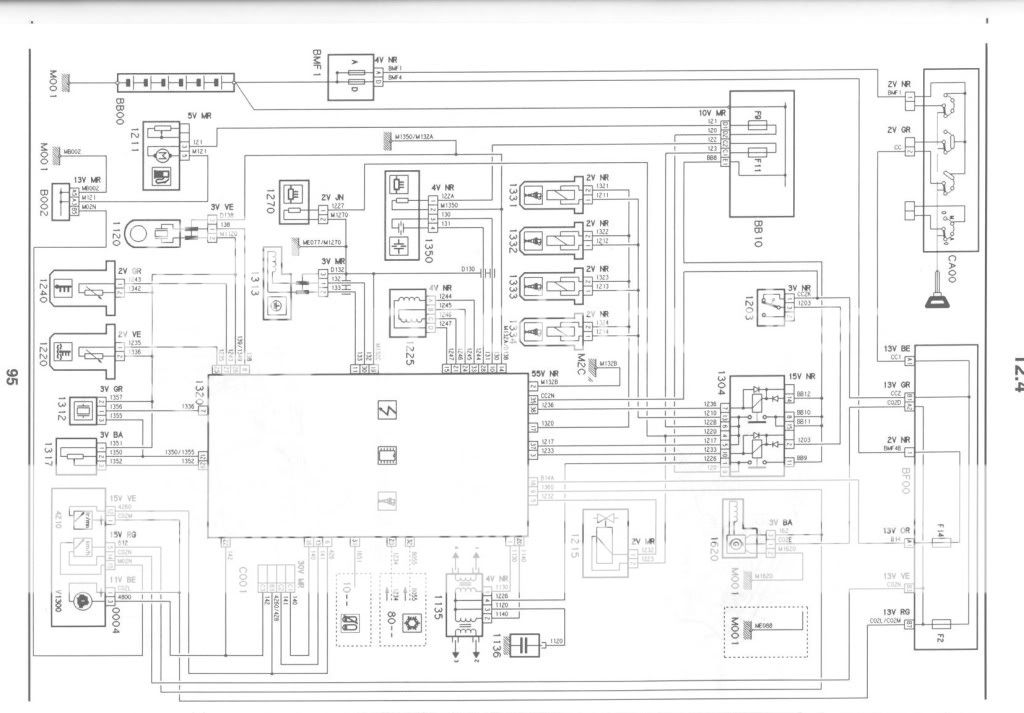
  • 100cc Gs Moon Mini Bike Wiring Diagram

  • Adding A Auto Tilt Function To An Integra

  • Nema 11 Mini-stepper Motors

  • Sedan Moonroof Tilt Function Possible

  • Moon Phase Deer Feeding Chart Wiring Diagrams U2013 Budor

  • My 1995 Ford Explorer Sunroof Will Open But The Switch

  • Ford Sunroof Wiring Diagram

  • I Have A C

  • 32 Solar And Lunar Eclipse Diagram Worksheet

  • Xs 2000 Diagram

  • Sedan Moonroof Tilt Function Possible

  • Nasa Moon Rover

  • 100cc Gs Moon Mini Bike Wiring Diagram

  • Mp5 1 1 Wiring Diagram Photo By Nick9one1

  • Toyota Tundra Wiring Diagrams

  • Add Oem Autodimming Mirror Rain

  • New

  • Moon Roof Issue

  • 8217148640

  • Diagram Of Sun Earth And Moon

  • Diagram Of Earth Sun And Moon Rotation

  • M Moon Roof Control Relay And Sw

  • Afbeeldingsresultaat Voor Indicator Relay Wiring Diagram

  • How To Manually Operate A Window Regulator

  • Moon Patrol Repair Logs

  • Lund Moon Visor Wiring Diagram

  • Moon 2 5 8 U0026quot 6000rpm Auto Meter Tachometer

  • Lunar Phases Diagram

  • My 2004 Explorer Limited Sunroof Has Stopped Working It

  • 2003 Chevy Avalanche Sunroof Wiring Diagram

  • Venn Diagram Of Earth Sun And Moon

  • Venn Diagram Of Earth Sun And Moon

  • 99 2 2 S10 Engine Wiring Diagrams

  • Nasa Moon Rover

  • 30 Lunar Phases Diagram

  • Lunar Phases Diagram

  • Strip Light Wiring Diagram

  • Diagram Blank Diagram Phases Of The Moon

  • Sunroof Moonroof Not Working So I Am Having Issues With

  • Exploding Lunar Tires

  • 2002 Audi A6 3 0l Mfi Dohc 6cyl

  • 30 Lunar Phases Diagram

  • 91295

  • 8217160301

  • Diagram Of Solar System Planets

  • Sun Moon And Earth Diagram

  • Waxing Gibbous Diagram U2014 Untpikapps

Copyright © 2020 - CETNIEWO2017.VILOGDANSK.EU


1937 Comments